GM Service Manual Online
For 1990-2009 cars only
Makes
🢒
Saturn
🢒
2003
🢒
L300/LW300
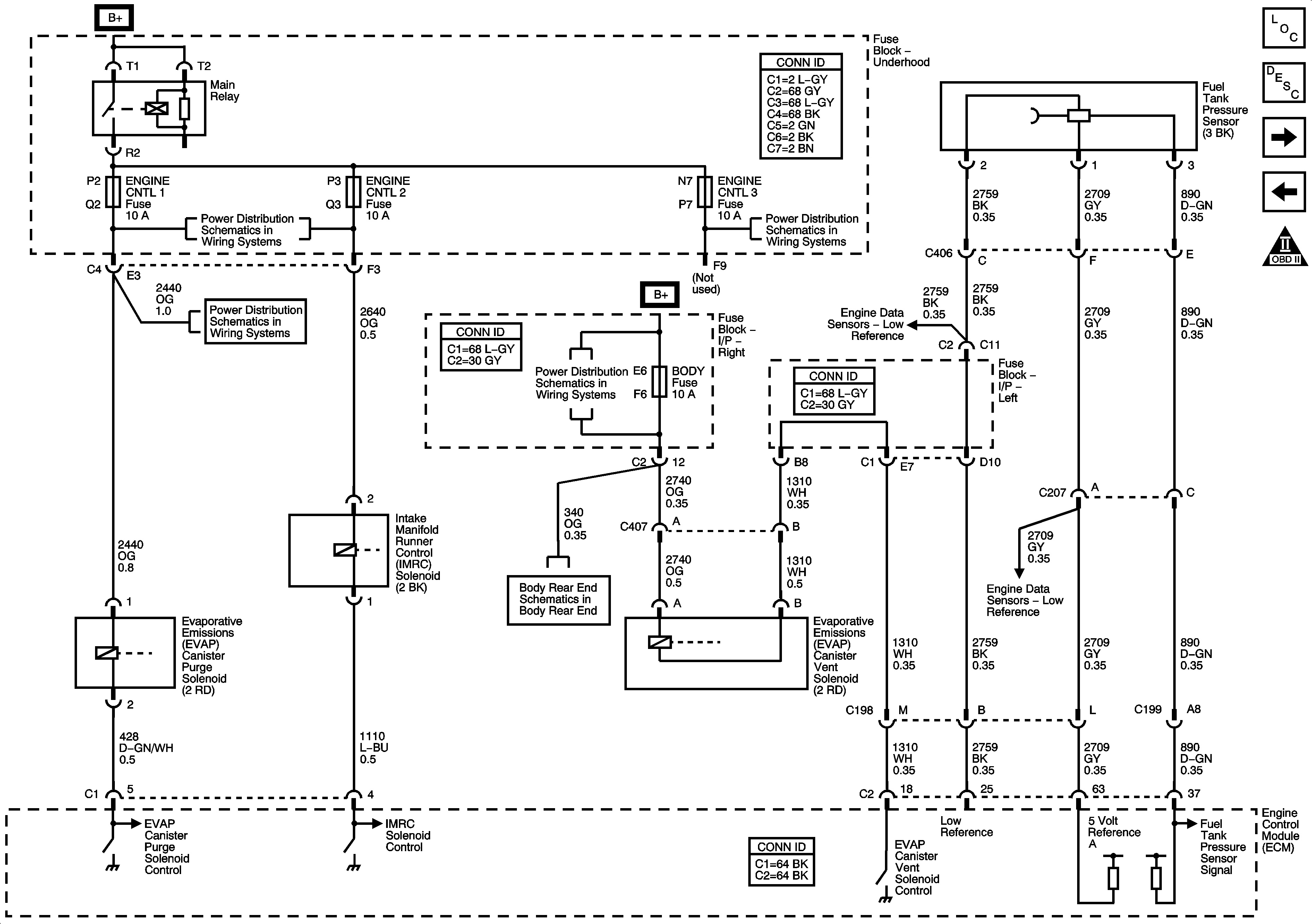
🢒 EVAP Controls, EGR
EVAP Controls, EGR
EGR and EVAP Controls
Master Electrical Component List
Engine Control Module Description
Controlled/Monitored Subsystem References
Fuel Pump and Fuel Injector Control
OBD II Symbol Description Notice
Fuse Block Underhood Fuses: AC, Fuel Pump, ENG Control, ENG Control2, ENG Control3
Fuse Block Underhood Fuses: AC, Fuel Pump, ENG Control, ENG Control2, ENG Control3
Fuse Block Underhood Fuses: AC, Fuel Pump, ENG Control, ENG Control2, ENG Control3
Fuse Block-Underhood Fuses: IP BATT RT FUse Block- Right I/P Fuses: Prev Amp, Door Locks, Body, Fog Lamps
Body Rear End Schematics