GM Service Manual Online
For 1990-2009 cars only

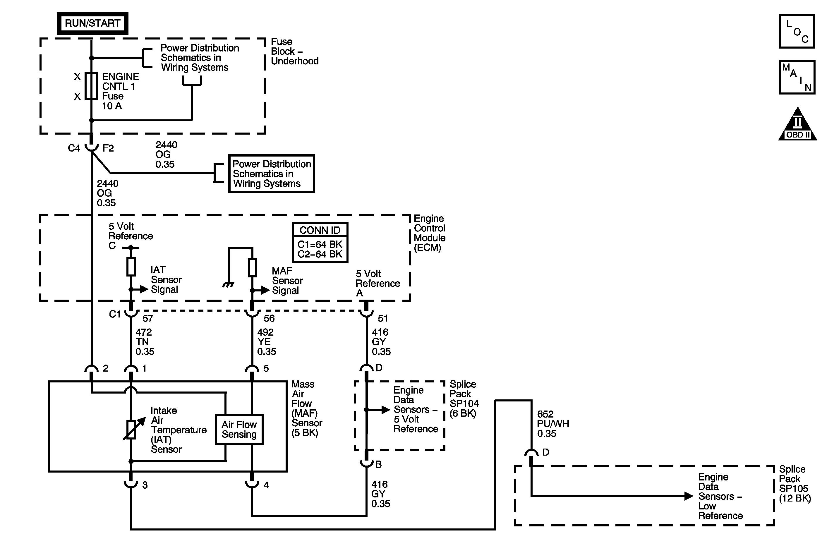
Object Number: 1247658  Size: MF
Engine Controls Component Views
Engine Controls Schematics

Circuit Description

The mass air flow (MAF) sensor is an air flow meter that measures the amount of air entering the engine. The engine control module (ECM) uses the MAF sensor signal in order to provide the correct fuel delivery for a wide range of engine speeds and loads. The MAF sensor signal is a function of the current required to keep the air flow sensing element at a fixed temperature. The air flowing through the sensor cools the sensing element. The amount of cooling is proportional to the amount of the air flow. As the air flow increases, more current is required in order to maintain the hot elements at a constant temperature. The MAF sensor converts the changes in current to a voltage signal that is read by the ECM. The ECM calculates the air flow based on this voltage signal. The MAF sensor uses the following circuits in order to operate:

    • The ignition 1 voltage
    • The 5-volt reference
    • The MAF sensor signal
    • The low reference

The 5-volt reference for the MAF sensor is also supplied to additional sensors. For two of the sensors the voltage is supplied on separate ECM terminals. The other sensors are connected at a splice pack to the same 5-volt reference. The 5-volt reference is shared by the following sensors:

    • The MAF sensor
    • The camshaft position (CMP) sensor
    • The accelerator pedal position (APP) sensor 1
    • The manifold absolute pressure (MAP) sensor
    • The fuel tank pressure (FTP) sensor
    • The exhaust gas recirculation (EGR) valve
    • The air conditioning (A/C) pressure sensor

The low reference circuit of the MAF sensor is shared at a splice pack with the following components:

    • The TP sensor 1
    • The TP sensor 2
    • The CMP sensor
    • The MAP sensor
    • The intake air temperature (IAT) sensor
    • The EGR valve
    • The engine coolant temperature (ECT) sensor

The ECM compares the actual MAF sensor voltage signal to the predicted MAF value. The predicted MAF value is based on engine speed, MAP, and throttle valve opening. This comparison will determine if the signal is stuck based on a lack of variation, or is too low or too high for a given operating condition. If the ECM detects that the actual MAF sensor signal is not within a predetermined range of the predicted MAF value, DTC P0101 sets.

Conditions for Running the DTC

    • The TP sensor angle is less than 30 percent.
    • The deviation between TP sensor 1 and TP sensor 2 is less than 0.6 percent.
    • The engine is running.
    • The short term fuel trim is between -7.7 percent to +7.7 percent at idle.
    • The short term fuel trim is between -24 percent to +24 percent at cruise/accel.

Conditions for Setting the DTC

The ECM detects that the actual MAF sensor signal is not within a predetermined range of the predicted MAF value for more than 2 seconds.

Action Taken When the DTC Sets

    • The control module illuminates the malfunction indicator lamp (MIL) on the second consecutive ignition cycle that the diagnostic runs and fails.
    • The control module records the operating conditions at the time the diagnostic fails. The first time the diagnostic fails, the control module stores this information in the Failure Records. If the diagnostic reports a failure on the second consecutive ignition cycle, the control module records the operating conditions at the time of the failure. The control module writes the operating conditions to the Freeze Frame and updates the Failure Records.

Conditions for Clearing the MIL/DTC

    • The control module turns OFF the malfunction indicator lamp (MIL) after 3 consecutive ignition cycles that the diagnostic runs and does not fail.
    • A current DTC, Last Test Failed, clears when the diagnostic runs and passes.
    • A history DTC clears after 40 consecutive warm-up cycles, if no failures are reported by this or any other emission related diagnostic.
    • Clear the MIL and the DTC with a scan tool.

Diagnostic Aids

    • Inspect for the following conditions:
       - A low minimum air rate through the sensor bore may cause this DTC to set at idle or during deceleration. Inspect for any vacuum leaks downstream of the MAF sensor.
       - Any contamination of the hot wire element of the MAF sensor may cause this DTC to set.
       - A skewed or stuck MAP sensor.
       - A skewed or stuck throttle position (TP) sensor 1 or TP sensor 2 may cause this DTC to set.
       - A wide-open throttle acceleration from a stop should cause the MAF sensor g/s display on the scan tool to increase rapidly. This increase should be from 3-7 g/s at idle to 72 g/s or more at the time of the 1-2 shift. If the increase is not observed, inspect for a restriction in the induction system or the exhaust system.
    • If the condition is intermittent, refer to Intermittent Conditions .

Test Description

The numbers below refer to the step numbers on the diagnostic table:

  1. This step will determine if the MAF sensor voltage is less than the proper range at idle.

  2. This step will determine if the MAF sensor voltage is more than the proper range at idle.

  3. This step will determine if the throttle position (TP) sensors are operating properly.

  4. This step will determine if any mechanical faults have caused this DTC to set.

Step

Action

Values

Yes

No

Schematic Reference: Engine Controls Schematics

Connector End View Reference: Engine Control Module Connector End Views or Engine Controls Connector End Views

1

Did you perform the Diagnostic System Check-Engine Controls?

--

Go to Step 2

Go to Diagnostic System Check - Engine Controls

2

Important: If you were sent here from P0171, P0172, P0174, or P0175 proceed to Step 4.

  1. Start the engine.
  2. Monitor the diagnostic trouble code (DTC) information with the scan tool.

Does the scan tool display any other DTCs set?

--

Go to Diagnostic Trouble Code (DTC) List

Go to Step 3

3

  1. Observe the Freeze Frame/Failure Records for this DTC.
  2. Turn OFF the ignition for 90 seconds.
  3. Start the engine.
  4. Operate the vehicle within the Conditions for Running the DTC. You may also operate the vehicle within the conditions that you observed from the Freeze Frame/Failure Records.

Does the DTC fail this ignition?

--

Go to Step 4

Go to Diagnostic Aids

4

  1. Turn OFF all accessories.
  2. Allow the engine to reach operating temperature.
  3. Idle the engine.
  4. Observe the mass air flow (MAF) sensor voltage with a scan tool .

Is the MAF sensor voltage less than the specified range?

1-1.6 V

Go to DTC P0102

Go to Step 5

5

Observe the MAF sensor voltage with a scan tool.

Is the MAF sensor voltage more than the specified range?

1-1.6 V

Go to DTC P0103

Go to Step 6

6

  1. Turn OFF the ignition for 30 seconds.
  2. Turn ON the ignition, with the engine OFF.
  3. Observe the TP sensor angle with a scan tool.
  4. Depress the accelerator pedal completely.

Is the TP sensor angle within the specified range?

98-100%

Go to Step 7

Go to DTC P0121

7

Inspect for the following conditions:

    • A restricted air intake duct
    • A collapsed air intake duct
    • A misaligned air intake duct
    • A dirty air filter element
    • A deteriorating air filter element
    • A skewed or stuck MAP sensor
    • Any objects blocking the air inlet screen of the MAF sensor
    • Any debris on the air diffuser of the MAF sensor
    • Any debris or contamination on the sensing element of the MAF sensor
    • Any vacuum leak downstream of the MAF sensor
    • Any type of restriction in the exhaust system--Refer to Restricted Exhaust in Engine Exhaust.

Did you find and correct the condition?

--

Go to Step 10

Go to Step 8

8

Inspect for a poor connection at the MAF sensor. Refer to Testing for Intermittent Conditions and Poor Connections and Connector Repairs in Wiring Systems.

Did you find and correct the condition?

--

Go to Step 10

Go to Step 9

9

Replace the MAF/IAT sensor. Refer to Mass Airflow Sensor/Intake Air Temperature Sensor Replacement .

Did you complete the replacement?

--

Go to Step 10

--

10

  1. Clear the DTCs with a scan tool.
  2. Turn OFF the ignition for 90 seconds.
  3. Start the engine.
  4. Operate the vehicle within the Conditions for Running the DTC as specified in the supporting text.

Did the DTC fail this ignition?

--

Go to Step 2

Go to Step 11

11

With a scan tool, observe the stored information, Capture Info.

Does the scan tool display any DTCs that you have not diagnosed?

--

Go to Diagnostic Trouble Code (DTC) List

System OK