GM Service Manual Online
For 1990-2009 cars only

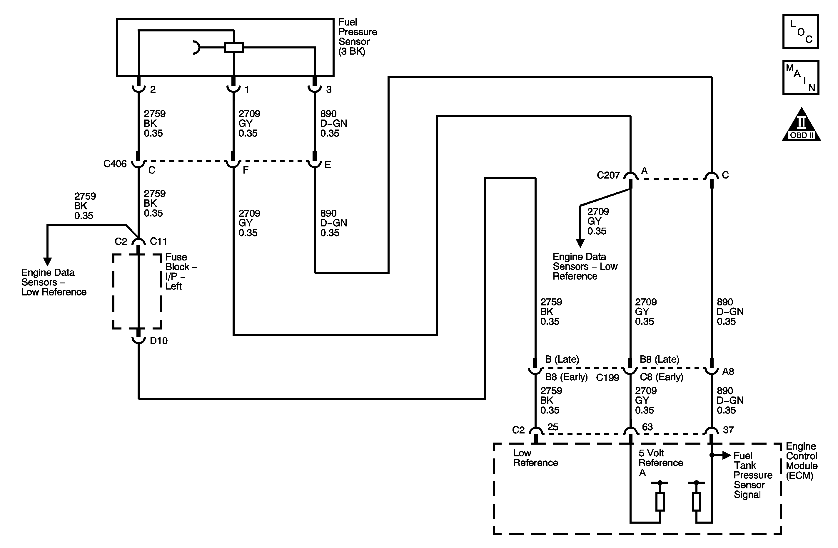
Object Number: 1247684  Size: MF
Engine Controls Component Views
Engine Controls Schematics

Circuit Description

The control module monitors the fuel tank pressure (FTP) sensor signal in order to detect vacuum decay and excess vacuum during the evaporative emission (EVAP) diagnostic test. The control module supplies a 5-volt reference and a low reference circuit to the FTP sensor. If the FTP sensor signal voltage is not within a calibrated value range during a cold engine start, this DTC sets.

The following table illustrates the relationship between FTP sensor signal voltage and the EVAP system pressure/vacuum.

FTP Sensor Signal Voltage

Fuel Tank Pressure

High, Approximately 2.5 Volts or More

Positive Pressure

Low, Approximately 2.5 Volts or Less

Negative Pressure/Vacuum

Conditions for Running the DTC

The start up ECT is less than 33°C (91°F).

Conditions for Setting the DTC

    • The FTP voltage is more than 4.5 volts.
    • The condition is present for more than 3 seconds.

Action Taken When the DTC Sets

    • The control module illuminates the malfunction indicator lamp (MIL) on the second consecutive ignition cycle that the diagnostic runs and fails.
    • The control module records the operating conditions at the time the diagnostic fails. The first time the diagnostic fails, the control module stores this information in the Failure Records. If the diagnostic reports a failure on the second consecutive ignition cycle, the control module records the operating conditions at the time of the failure. The control module writes the operating conditions to the Freeze Frame and updates the Failure Records.

Conditions for Clearing the DTC

    • A current DTC Last Test Failed clears when the diagnostic runs and passes.
    • A history DTC clears after 40 consecutive warm-up cycles, if no failures are reported by this or any other non-emission related diagnostic.
    • Clear the DTC with a scan tool.

Diagnostic Aids

       Important: If DTC P0452 or P0453 are also set, diagnose that DTC first.

       Important: Inaccurate readings will occur if resistance measurements are taken on a fuel tank pressure sensor. The fuel tank pressure sensor contains an internal amplifier circuit that requires applied voltage to function properly.

    • The FTP sensor on the scan tool should be between 2.35-2.85 volts with the ignition ON and the engine OFF and the fuel cap removed. This represents atmospheric pressure, or 0 inches of vacuum.
    • DTC P0451 indicates that the fuel tank pressure sensor signal voltage is skewed. Possible causes of DTC P0451 are as follows:
       - Corrosion in the fuel tank inline harness connector
       - Corrosion in the engine I/P inline harness connector
       - Corrosion in the fuel tank pressure sensor harness connector
       - The fuel tank pressure sensor skewed
    • For intermittent conditions, refer to Intermittent Conditions .

Step

Action

Values

Yes

No

Schematic Reference: Engine Controls Schematics

Connector End View Reference: Engine Control Module Connector End Views or Engine Controls Connector End Views

1

Did you perform the Diagnostic System Check-Engine Controls?

--

Go to Step 2

Go to Diagnostic System Check - Engine Controls

2

Monitor the fuel tank pressure (FTP) sensor voltage with the scan tool, with the fuel cap removed.

Is the FTP sensor value within the specified range?

2.35-2.85 V

Go to Step 3

Go to Step 4

3

  1. Observe the Freeze Frame/Failure Records for this DTC.
  2. Turn OFF the ignition for 90 seconds.
  3. Start the engine.
  4. Operate the vehicle within the Conditions for Running the DTC. You may also operate the vehicle within the conditions that you observed from the Freeze Frame/Failure Records.

Did the DTC fail this ignition?

--

Go to Step 4

Go to Diagnostic Aids

4

  1. Turn ON the ignition, with the engine OFF.
  2. Disconnect the fuel tank harness connector.
  3. Measure the voltage from the 5-volt reference circuit of the FTP sensor at the fuel tank harness connector, the control module side, to a good ground with a DMM. Refer to Circuit Testing in Wiring Systems.

Is the voltage near the specified value?

5 V

Go to Step 5

Go to Step 6

5

Measure the voltage from the 5-volt reference circuit to the low reference circuit at the fuel tank harness connector, the control module side, with a DMM.

Is the voltage near the specified value?

5 V

Go to Step 8

Go to Step 7

6

Test the 5-volt reference circuit of the FTP sensor for an open or short to ground between the harness connector and the control module. Refer to Circuit Testing and Wiring Repairs in Wiring Systems.

Did you find and correct the condition?

--

Go to Step 13

Go to Step 10

7

Test the low reference circuit of the FTP sensor for an open or for high resistance between the harness connector and the control module. Refer to Circuit Testing and Wiring Repairs in Wiring Systems.

Did you find and correct the condition?

--

Go to Step 13

Go to Step 10

8

  1. Remove the fuel tank. Refer to Fuel Tank Replacement .
  2. Inspect the fuel tank wiring harness for damage, shorts, and high resistance in the FTP harness from the fuel tank wiring harness connector to the FTP sensor.
  3. Refer to Circuit Testing and Wiring Repairs in Wiring Systems.

Did you find and correct the condition?

--

Go to Step 13

Go to Step 9

9

Inspect for poor connections at the FTP sensor harness connector and the fuel tank harness connector. Refer to Testing for Intermittent Conditions and Poor Connections and Connector Repairs in Wiring Systems.

Did you find and correct the condition?

--

Go to Step 13

Go to Step 11

10

Inspect for poor connections at the harness connector of the control module. Refer to Testing for Intermittent Conditions and Poor Connections and Connector Repairs in Wiring Systems.

Did you find and correct the condition?

--

Go to Step 13

Go to Step 12

11

Replace the FTP sensor. Refer to Fuel Tank Pressure Sensor Replacement .

Did you complete the replacement?

--

Go to Step 13

--

12

Replace the control module. Refer to Engine Control Module Replacement .

Did you complete the replacement?

--

Go to Step 13

--

13

  1. Clear the DTCs with a scan tool.
  2. Turn OFF the ignition for 30 seconds.
  3. Start the engine.
  4. Operate the vehicle within the Conditions for Running the DTC. You may also operate the vehicle within the conditions that you observed from the Freeze Frame/Failure Records.

Did the DTC fail this ignition?

--

Go to Step 2

Go to Step 14

14

Observe the Capture Info with a scan tool.

Are there any DTCs that have not been diagnosed?

--

Go to Diagnostic Trouble Code (DTC) List

System OK