GM Service Manual Online
For 1990-2009 cars only
Makes
🢒
Saturn
🢒
2005
🢒
L300/LW300
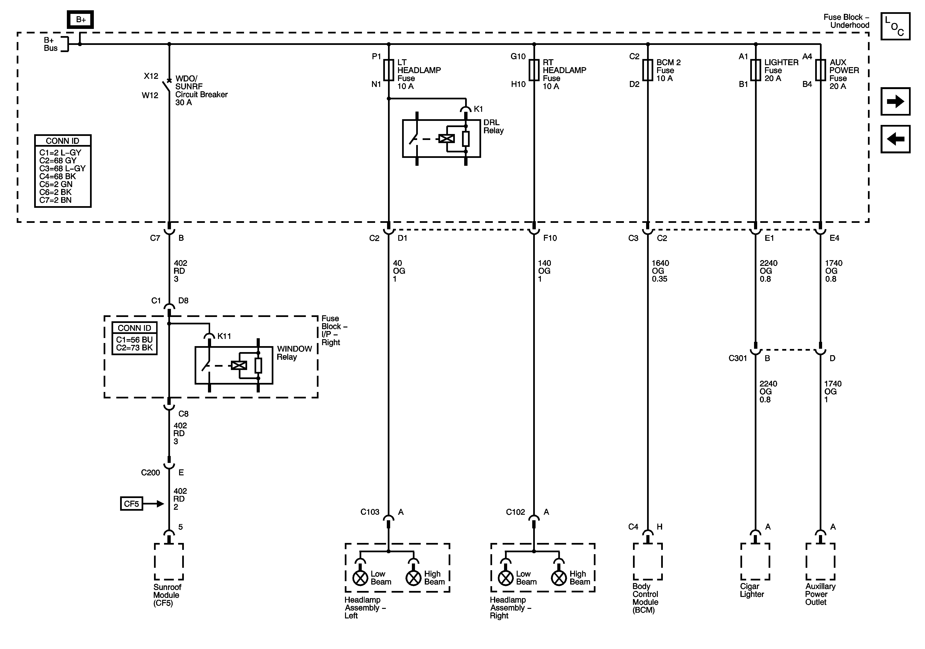
🢒 AUX POWER, BCM 2, LIGHTER, LT HEADLAMP, and RT HEADLAMP Fuses, and WDO/SUNRF Circuit Breaker
AUX POWER, BCM 2, LIGHTER, LT HEADLAMP, and RT HEADLAMP Fuses, and WDO/SUNRF Circuit Breaker
AUX POWER, BCM 2, LIGHTER, LT HEADLAMP, and RT HEADLAMP Fuses, and WDO/SUNRF Circuit Breaker
Master Electrical Component List
Ignition Switch and IGN 1/2, IGN 0, and IGN 0/3/CR Fuses
ABS 1, ABS 2, BRAKE, CONTROLS B+, COOL FAN 1, COOL FAN 2, HAZARD, and PARK LAMP Fuses
Fuse Block - Underhood Bus