GM Service Manual Online
For 1990-2009 cars only
Makes
🢒
Saturn
🢒
2005
🢒
L300/LW300
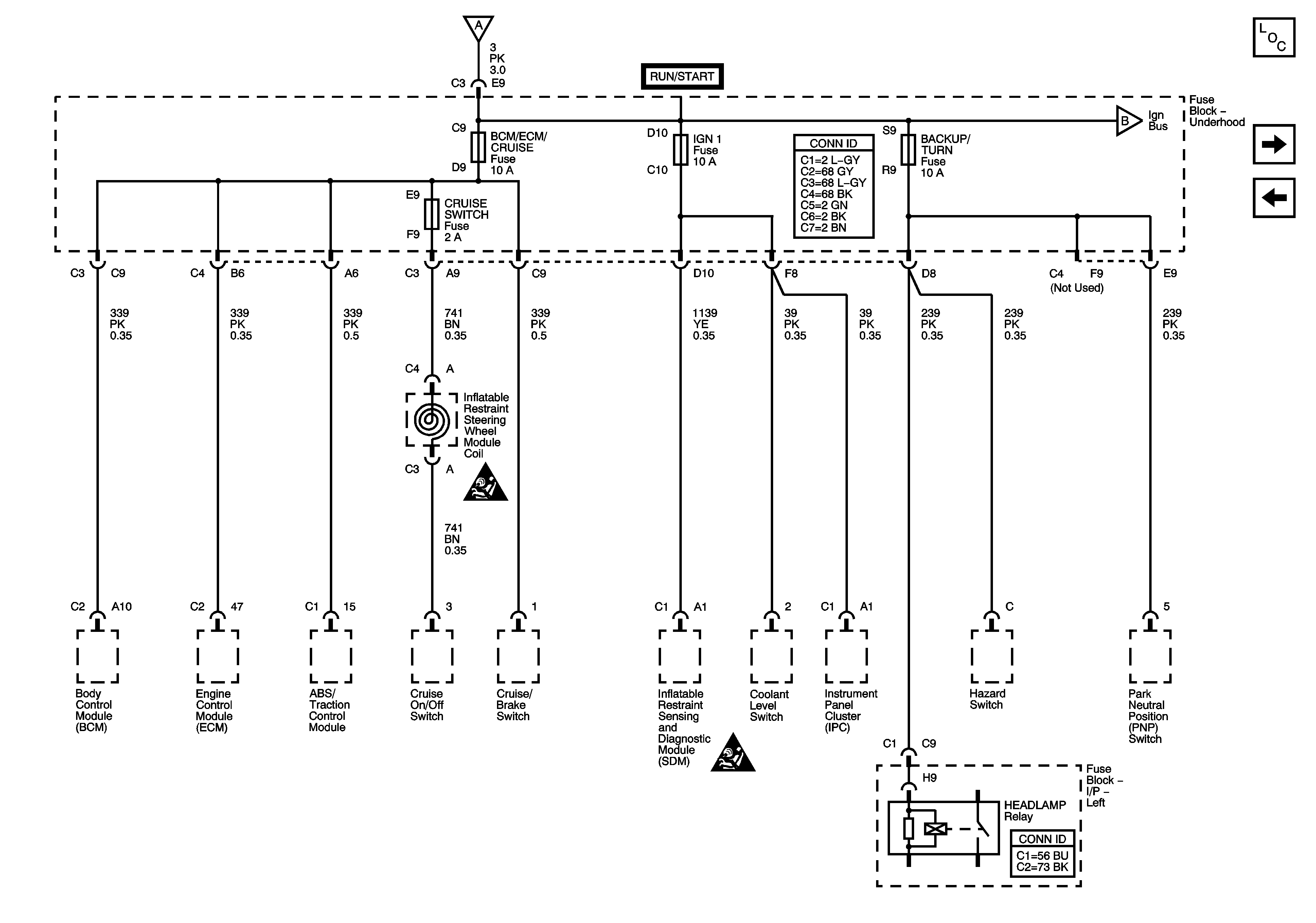
🢒 BACKUP/TURN, BCM/ECM/CRUISE, CRUISE SW, and IGN 1 Fuses
BACKUP/TURN, BCM/ECM/CRUISE, CRUISE SW, and IGN 1 Fuses
BACKUP/TURN, BCM/ECM/CRUISE, CRUISE SW, and IGN 1 Fuses
Master Electrical Component List
CONTROLS IGN 1 and IGN Fuses
Ignition Switch and IGN 1/2, IGN 0, and IGN 0/3/CR Fuses
CONTROLS IGN 1 and IGN Fuses
CONTROLS IGN 1 and IGN Fuses
SIR Caution for Zoning
SIR Caution for Zoning