GM Service Manual Online
For 1990-2009 cars only
Makes
🢒
Saturn
🢒
2005
🢒
L300/LW300
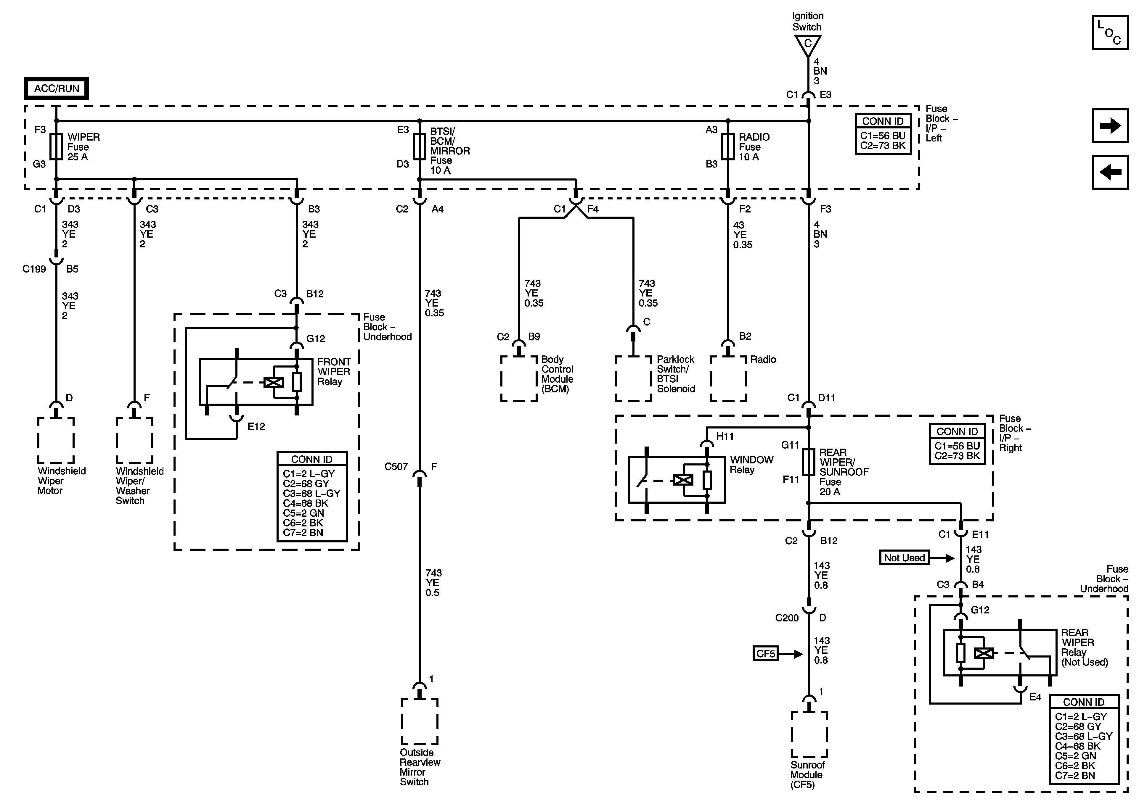
🢒 BTSI/BCM/MIRROR, RADIO, RR WIPER, and WIPER Fuses
BTSI/BCM/MIRROR, RADIO, RR WIPER, and WIPER Fuses
BTSI/BCM/MIRROR, RR WIPER/SUNROOF, and WIPER Fuses
Master Electrical Component List
HTD SEAT Fuse
CONTROLS IGN 1 and IGN Fuses
Ignition Switch and IGN 1/2, IGN 0, and IGN 0/3/CR Fuses