GM Service Manual Online
For 1990-2009 cars only
Makes
🢒
Saturn
🢒
2005
🢒
L300/LW300
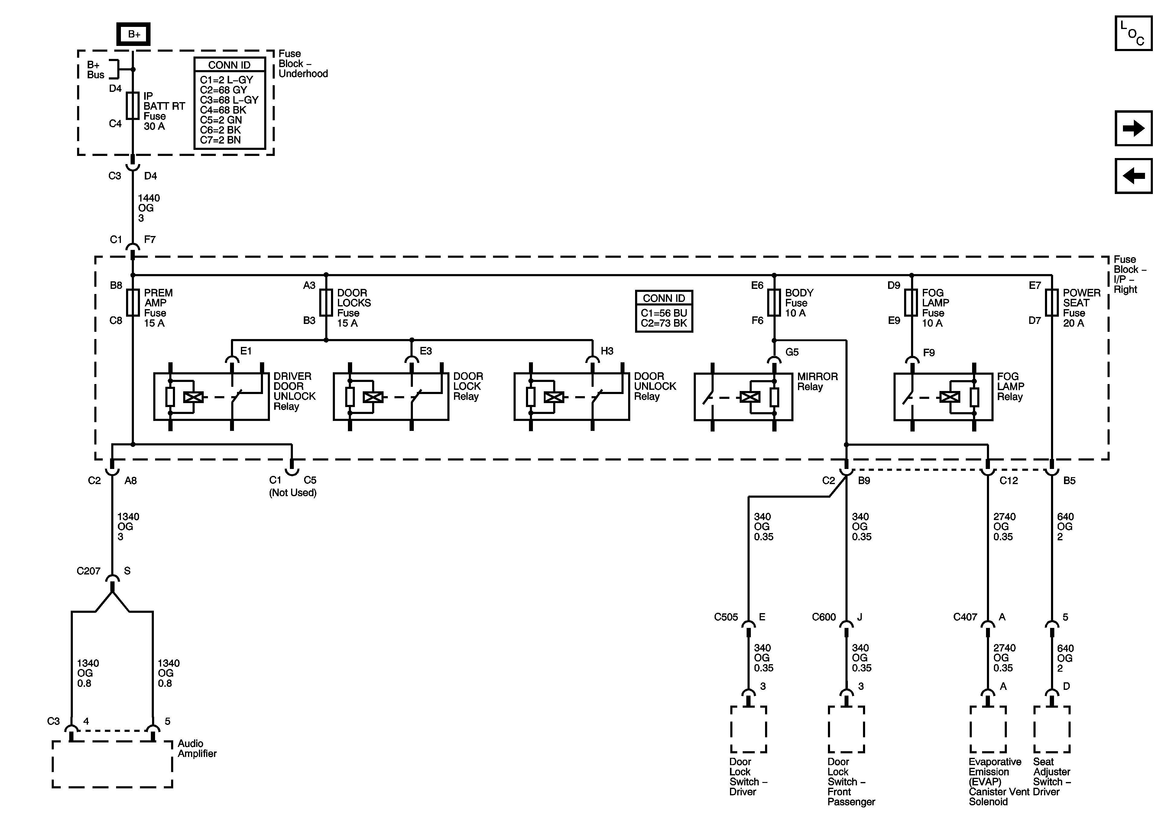
🢒 BODY, FOG LAMP, IP BATT RT, LOCKS, POWER SEAT, and PREM AUDIO Fuses
BODY, FOG LAMP, IP BATT RT, LOCKS, POWER SEAT, and PREM AUDIO Fuses
BODY, FOG LAMP, IP BATT RT, LOCKS, POWER SEAT, and PREM AUDIO Fuses
Master Electrical Component List
CD/DLC, HVAC BLOWER, IGN 3, and RADIO/ONSTAR Fuses
HTD SEAT Fuse
Fuse Block - Underhood Bus