GM Service Manual Online
For 1990-2009 cars only
Makes
🢒
Saturn
🢒
2005
🢒
L300/LW300
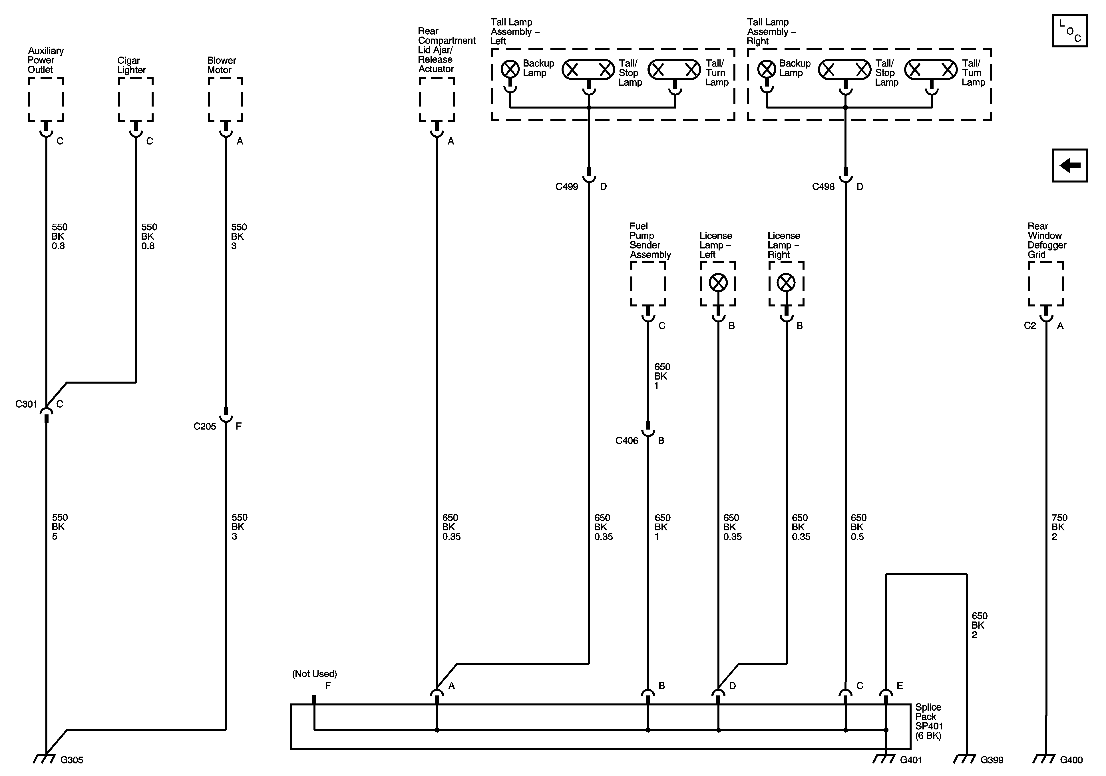
🢒 G305, G399, G400, and G401
G305, G399, G400, and G401
G305, G399, G400, and G401
Master Electrical Component List
G191, G202, and G303