GM Service Manual Online
For 1990-2009 cars only

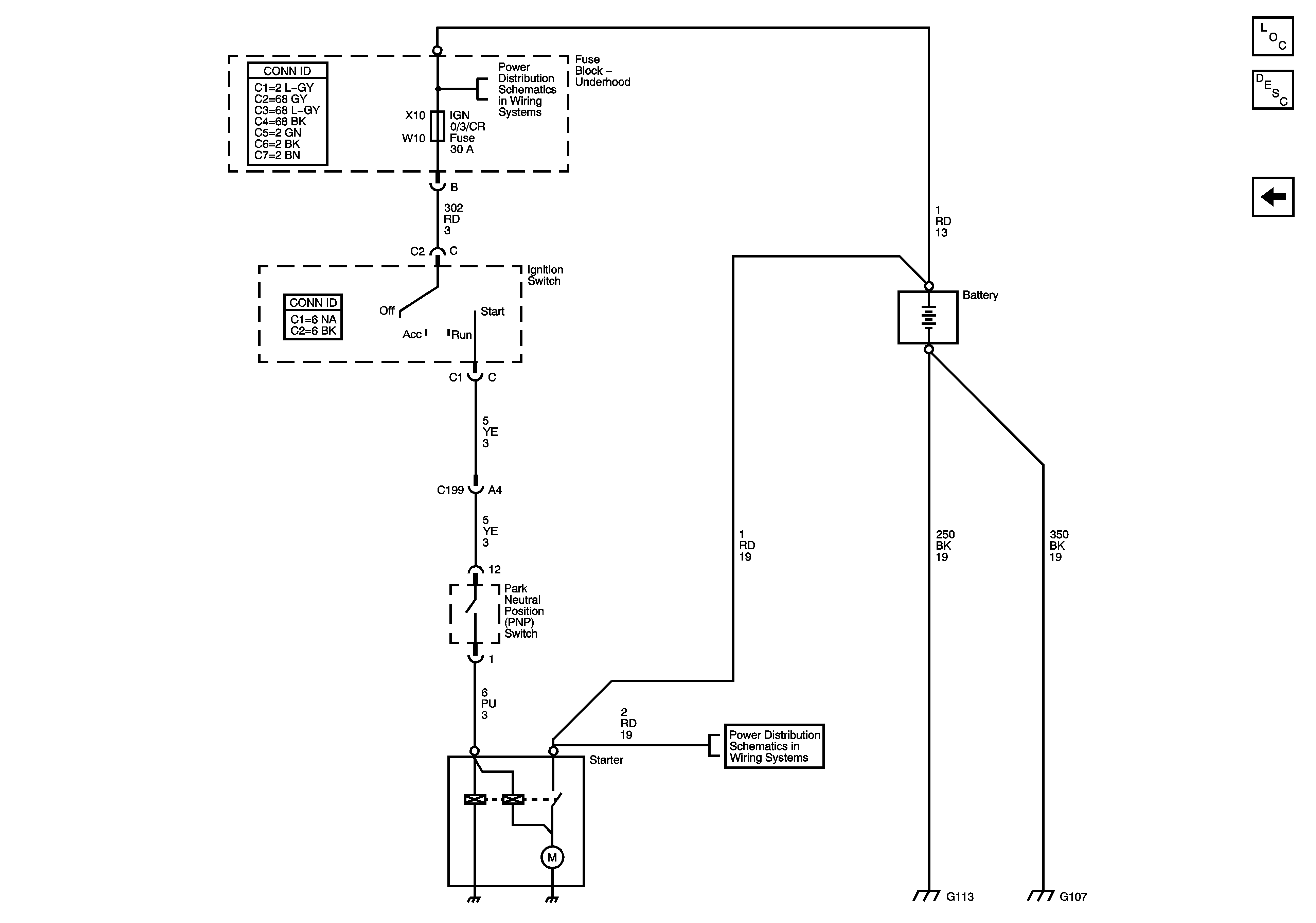
Starting System

Starting System


Object Number: 1485485  Size: FS
Master Electrical Component List
Starting System Description and Operation
Charging System
Fuse Block - Underhood Bus
Fuse Block - Underhood Bus