GM Service Manual Online
For 1990-2009 cars only
Makes
🢒
Saturn
🢒
2005
🢒
L300/LW300
🢒 Interior Lights
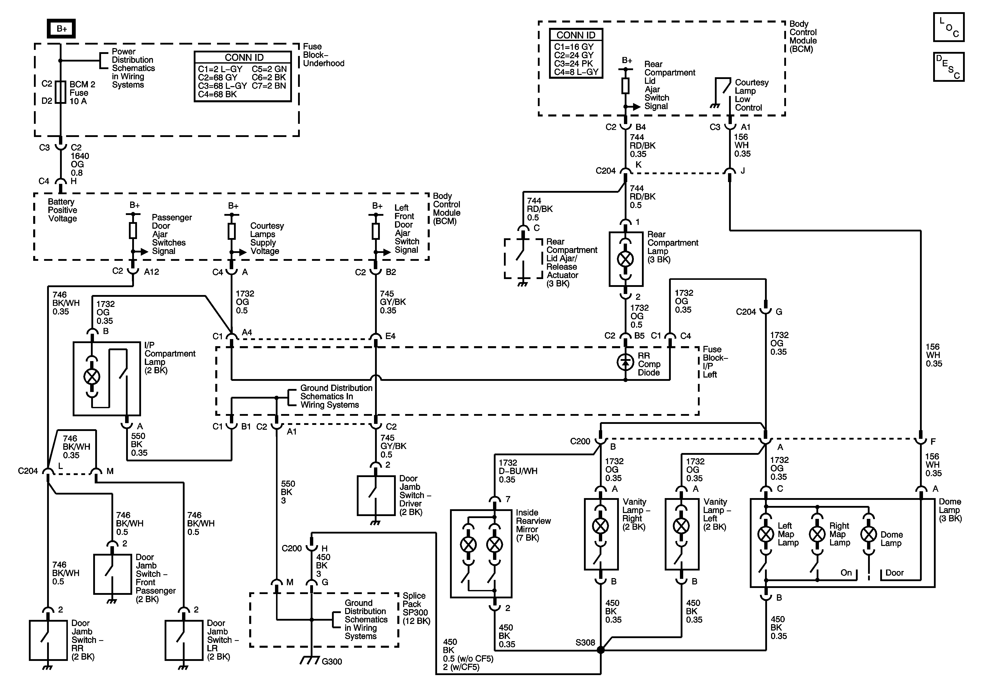
Interior Lights
Master Electrical Component List
Interior Lighting Systems Description and Operation
Fuse Block - Underhood Bus
G300 (3 of 3) and G304
G300 (1 of 3)