GM Service Manual Online
For 1990-2009 cars only

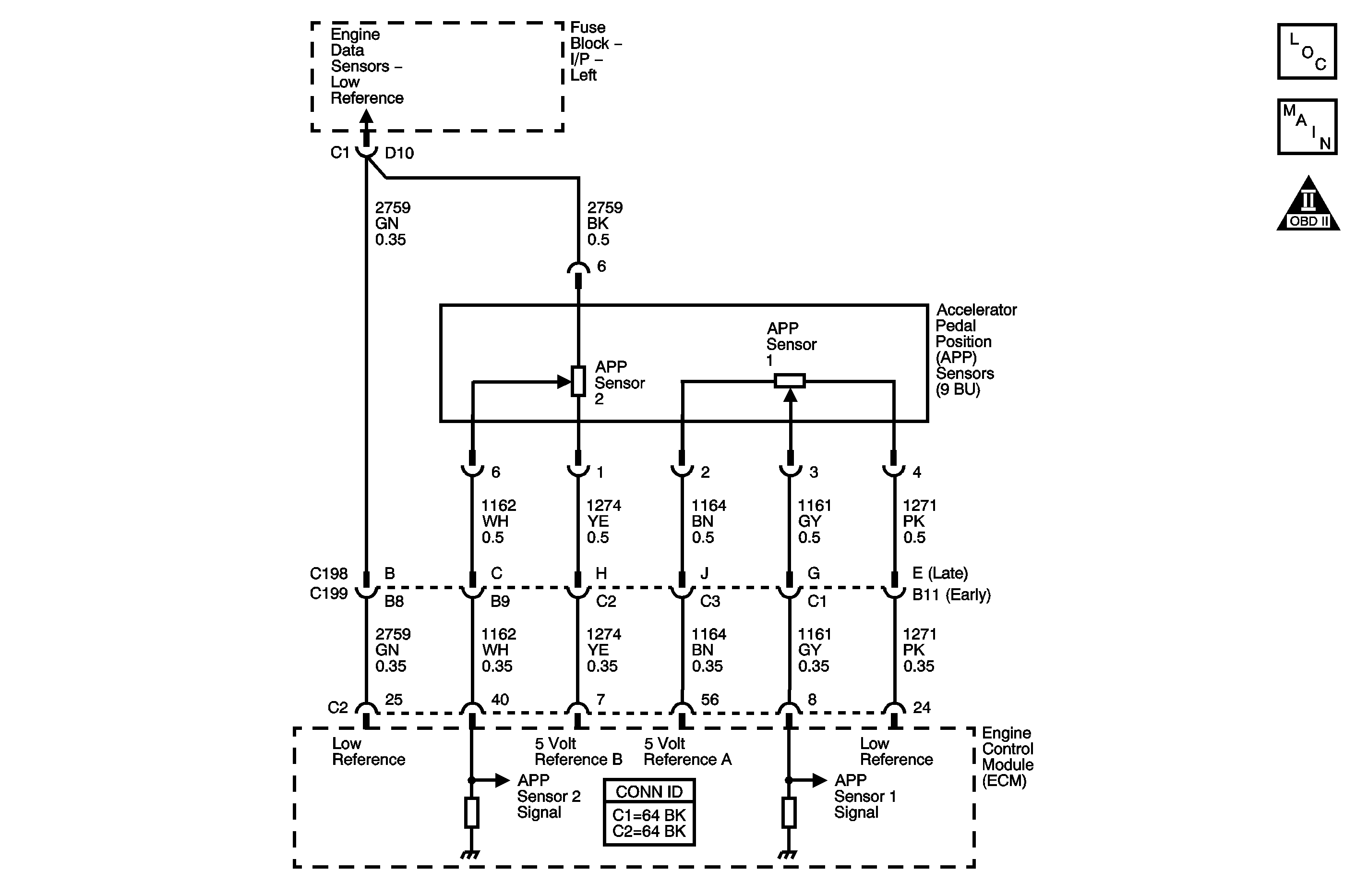
Object Number: 1247816  Size: MF
Engine Controls Component Views
Engine Controls Schematics

Circuit Description

The accelerator pedal position (APP) sensor is made up of two sensors that are housed inside one assembly. The engine control module (ECM) supplies a separate 5-volt reference and the low reference circuit for each of the sensors. The 5-volt reference for the APP sensor 2 is supplied from the same source in the ECM as the 5-volt reference of the throttle position (TP) sensors. The 5-volt reference voltage for all of the sensors is supplied on separate ECM terminals, but the terminals are connected internally to a voltage supply. The APP sensor 2 sends a signal indicating the accelerator pedal position and the ECM actuates the throttle plates based on this information. The APP sensor 2 signal voltage increases as the pedal is applied. If the ECM detects that the signal voltage is less than 0.33 volt, DTC P2127 will set.

DTC Descriptor

This diagnostic procedure supports the following DTC:

DTC P2127 Accelerator Pedal Position (APP) Sensor 2 Circuit Low Voltage

Conditions for Running the DTC

    • The ignition is ON.
    • The battery voltage is more than 7 volts.
    • The accelerator pedal is not in the rest position.

DTC P2127 runs once per ignition cycle within the enabling conditions.

Conditions for Setting the DTC

The APP sensor 2 voltage is less than 0.33 volt for more than 140 milliseconds.

Action Taken When the DTC Sets

    • The control module illuminates the malfunction indicator lamp (MIL) when the diagnostic runs and fails.
    • The control module records the operating conditions at the time the diagnostic fails. The control module stores this information in the Freeze Frame and/or the Failure Records.
    • The control module commands the TAC system to operate in the Reduced Engine Power mode.
    • A message center or an indicator displays Reduced Engine Power.
    • Under certain conditions the control module commands the engine OFF.

Conditions for Clearing the MIL/DTC

    • The control module turns OFF the malfunction indicator lamp (MIL) after 3 consecutive ignition cycles that the diagnostic runs and does not fail.
    • A current DTC, Last Test Failed, clears when the diagnostic runs and passes.
    • A history DTC clears after 40 consecutive warm-up cycles, if no failures are reported by this or any other emission related diagnostic.
    • Clear the MIL and the DTC with a scan tool.

Step

Action

Values

Yes

No

Schematic Reference: Engine Controls Schematics

Connector End View Reference: Engine Control Module Connector End Views or Engine Controls Connector End Views

1

Did you perform the Diagnostic System Check - Vehicle?

--

Go to Step 2

Go to Diagnostic System Check - Vehicle in Vehicle DTC Information

2

  1. Turn ON the ignition, with the engine OFF.
  2. Observe the accelerator pedal position (APP) sensor 2 parameter with a scan tool.

Is the APP sensor 2 voltage less than the specified value?

0.3 V

Go to Step 5

Go to Step 3

3

  1. Observe the Freeze Frame/Failure Records for this DTC.
  2. Turn OFF the ignition for 30 seconds.
  3. Start the engine.
  4. Operate the vehicle within the Conditions for Running the DTC. You may also operate the vehicle within the conditions that you observed from the Freeze Frame/Failure Records.

Did the DTC fail this ignition?

--

Go to Step 5

Go to Step 4

4

  1. Clear the DTCs with a scan tool.
  2. Slowly depress the accelerator pedal to wide open throttle (WOT), then slowly return the accelerator pedal to the rest position.
  3. Repeat this action several times.

Did the DTC fail this ignition?

--

Go to Step 14

Go to Intermittent Conditions

5

  1. Turn OFF the ignition.
  2. Disconnect the APP sensor harness connector.
  3. Turn ON the ignition, with the engine OFF.
  4. Measure the voltage from the 5-volt reference circuit of the APP sensor 2 to a good ground with a DMM.

Is the voltage within the specified range?

4.8-5.2 V

Go to Step 6

Go to Step 7

6

  1. Turn OFF the ignition.
  2. Connect a 3-amp fused jumper wire between the 5-volt reference circuit of the APP sensor 2 and the signal circuit of the APP sensor 2.
  3. Turn ON the ignition, with the engine OFF.
  4. Observe the APP sensor 2 parameter with a scan tool.

Is the APP sensor 2 voltage within the specified value?

4.8-5.2 V

Go to Step 11

Go to Step 9

7

  1. Disconnect all components that share the 5-volt reference voltage source one at a time.
  2. Measure the voltage from the 5-volt reference circuit of the APP sensor 2 to a good ground with a DMM.

Is the voltage within the specified range after disconnecting each component?

4.8-5.2 V

Go to Step 13

Go to Step 8

8

Test the 5-volt reference circuit of the APP sensors for the following conditions:

    • A short to ground
    • High resistance
    • An open circuit

Refer to Circuit Testing and Wiring Repairs in Wiring Systems.

Did you find and correct the condition?

--

Go to Step 16

Go to Step 10

9

Test the signal circuit of the APP sensor 2 for the following conditions:

    • A short to ground
    • A short to the low reference circuit
    • High resistance
    • An open circuit

Refer to Circuit Testing and Wiring Repairs in Wiring Systems.

Did you find and correct the condition?

--

Go to Step 16

Go to Step 12

10

Test the 5-volt reference circuit of the throttle position (TP) sensors for a short to ground. Refer to Circuit Testing and Wiring Repairs in Wiring Systems.

Did you find and correct the condition?

--

Go to Step 16

Go to Step 12

11

Test for an intermittent and for a poor connection at the APP sensor. Refer to Testing for Intermittent Conditions and Poor Connections and Connector Repairs in Wiring Systems.

Did you find and correct the condition?

--

Go to Step 16

Go to Step 14

12

Test for an intermittent and for a poor connection at the engine control module (ECM). Refer to Testing for Intermittent Conditions and Poor Connections and Connector Repairs in Wiring Systems.

Did you find and correct the condition?

--

Go to Step 16

Go to Step 15

13

Replace the component that, when disconnected, caused the voltage to return to the specified value in step 10. Refer to the appropriate replacement procedure.

Did you complete the replacement?

--

Go to Step 16

--

14

Replace the accelerator pedal assembly. Refer to Accelerator Pedal Position Sensor Replacement .

Did you complete the replacement?

--

Go to Step 16

--

15

Replace the ECM. Refer to Control Module References in Computer/Integrating Systems for replacement, setup, and programming.

Did you complete the replacement?

--

Go to Step 16

--

16

  1. Clear the DTCs with a scan tool.
  2. Turn OFF the ignition for 30 seconds.
  3. Start the engine.
  4. Operate the vehicle within the Conditions for Running the DTC. You may also operate the vehicle within the conditions that you observed from the Freeze Frame/Failure Records.

Did the DTC fail this ignition?

--

Go to Step 2

Go to Step 17

17

Observe the Capture Info with a scan tool.

Are there any DTCs that have not been diagnosed?

--

Go to Diagnostic Trouble Code (DTC) List - Vehicle in Vehicle DTC Information

System OK