GM Service Manual Online
For 1990-2009 cars only

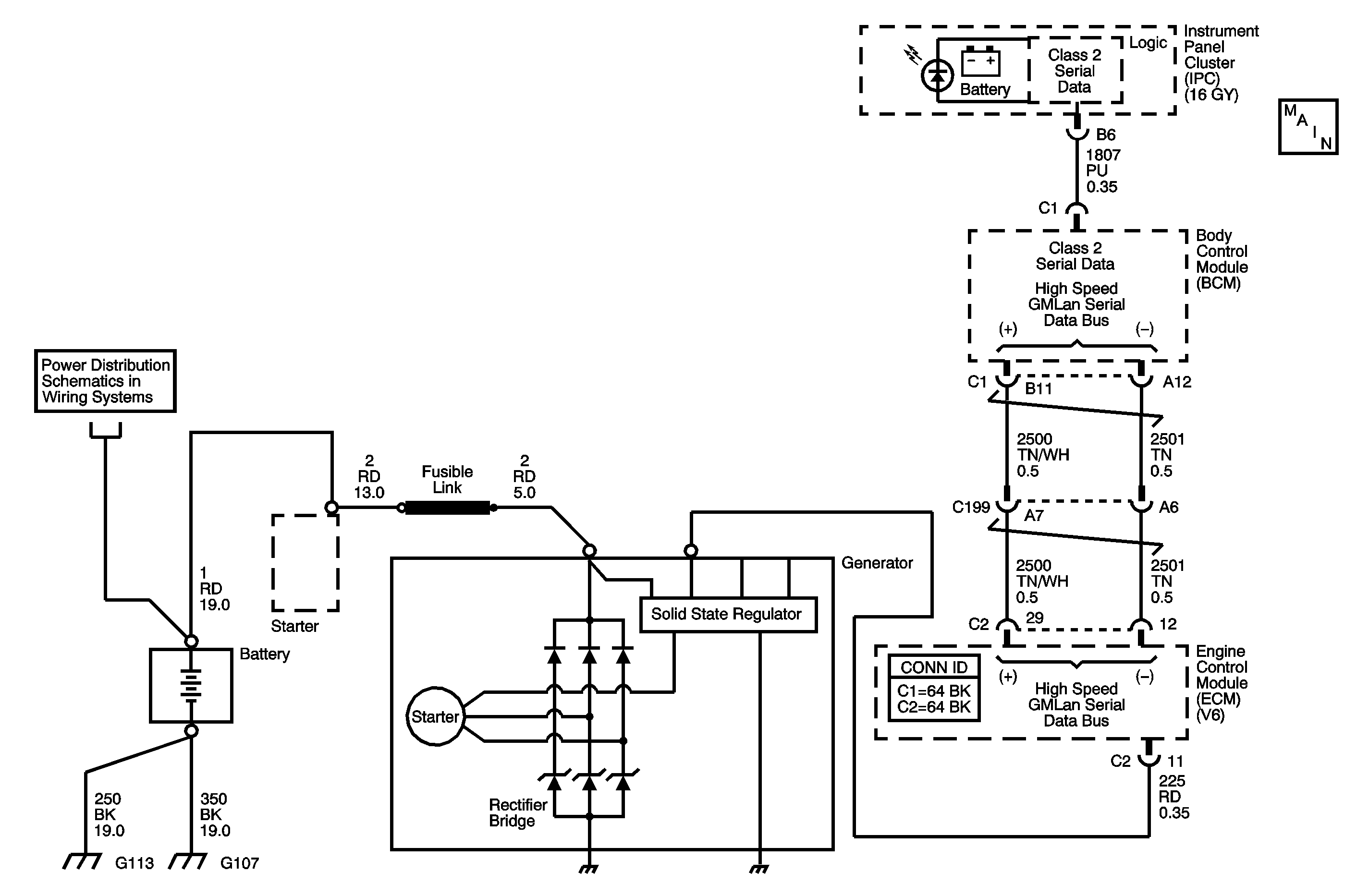
Object Number: 1473142  Size: MF

Circuit Description

The engine control module (ECM) uses the generator turn on signal circuit to control the load of the generator on the engine. A high side driver in the ECM applies a voltage to the voltage regulator. This signals the voltage regulator to turn the field circuit ON and OFF. When the ECM turns ON the high side driver, the voltage regulator turns ON the field circuit. When the ECM turns OFF the high side driver, the voltage regulator turns OFF the field circuit.

The ECM monitors the state of the generator turn on signal circuit. With the engine running, the ECM should detect a high generator turn on signal circuit.

DTC Descriptor

This diagnostic procedure supports the following DTC:

DTC P2500 Generator L-Terminal Circuit Low Voltage

Conditions for Running the DTC

    • No generator, crankshaft position (CKP) sensors, or camshaft position (CMP) sensor DTCs are set.
    • The engine is running.
    • The generator has not been commanded OFF by the ECM or scan tool.

Conditions for Setting the DTC

The ECM detects a low signal voltage on the generator turn on signal circuit for at least 15 seconds.

Action Taken When the DTC Sets

    • The ECM will not illuminate the malfunction indicator lamp (MIL).
    • The ECM will store the conditions present when the DTC set as Failure Records data only.
    • The ECM will send a class 2 serial data message to the instrument panel cluster (IPC) and driver information center (DIC) to illuminate the charge indicator or display a charging message.

Conditions for Clearing the MIL/DTC

    • The conditions for setting DTC P2500 are not present.
    • The DTC can be cleared by using the scan tool Clear DTC Information function.

Step

Action

Values

Yes

No

Schematic Reference: Starting and Charging Schematics

Connector End View Reference: Engine Control Module Connector End Views in Engine Controls - 3.0L (L81)

1

Did you perform the Diagnostic System Check - Vehicle?

--

Go to Step 2

Go to Diagnostic System Check - Vehicle in Vehicle DTC Information

2

  1. Install a scan tool.
  2. Operate the vehicle within the Conditions for Running the DTC as specified in the supporting text.
  3. Using the scan tool, observe the specific DTC Information for DTC  P2500 until the test runs.

Does the scan tool indicate that DTC P2500 has passed this ignition cycle?

--

Go to Testing for Intermittent Conditions and Poor Connections in Wiring Systems

Go to Step 3

3

  1. Turn OFF the ignition.
  2. Disconnect the generator harness connector.
  3. Start the engine.
  4. Measure the voltage between the generator turn on signal circuit of the generator harness connector and a good ground.

Is the voltage within the specified range?

4.5-5.5 V

Go to Step 5

Go to Step 4

4

Test the generator turn on signal circuit for a short to ground . Refer to Circuit Testing and Wiring Repairs in Wiring Systems.

Did you find and correct the condition?

--

Go to Step 8

Go to Step 6

5

Inspect for poor connections at the harness connector of the generator. Refer to Connector Repairs in Wiring Systems.

Did you find and correct the condition?

--

Go to Step 8

Go to Charging System Test

6

Inspect for poor connections at the harness connector of the engine control module (ECM). Refer to Connector Repairs in Wiring Systems.

Did you find and correct the condition?

--

Go to Step 8

Go to Step 7

7

Important: The replacement ECM must be programmed.

Replace the ECM. Refer to Control Module References in Computer/Integrating Systems for replacement, setup, and programming.

Did you complete the replacement?

--

Go to Step 8

--

8

  1. Review and record the scan tool Failure Records data.
  2. Use the scan tool in order to clear the DTC.
  3. Operate the vehicle within the conditions for running DTC P2500.
  4. Using the scan tool, observe the specific DTC information for DTC P2500 until the test runs.

Does the scan tool indicate that DTC P2500 failed?

--

Go to Step 2

System OK