GM Service Manual Online
For 1990-2009 cars only
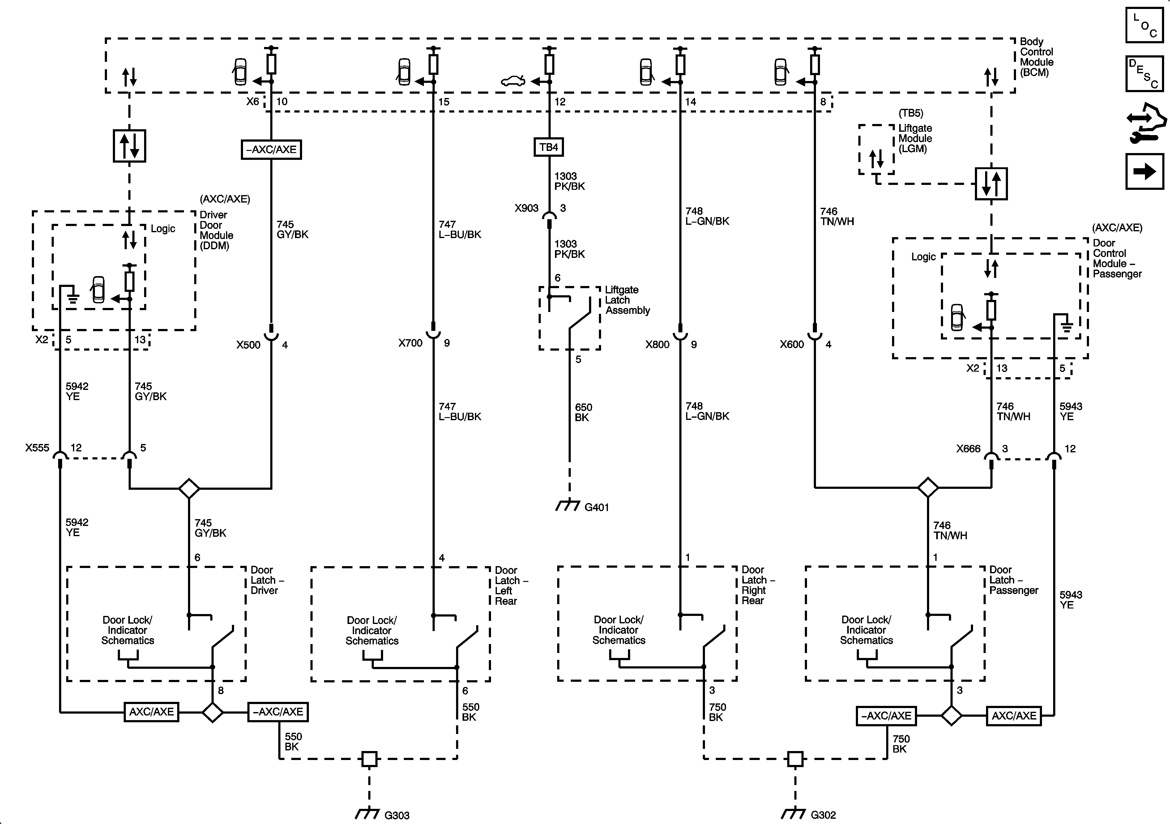
Figure 1:

Door Switches


Object Number: 2078045  Size: FS
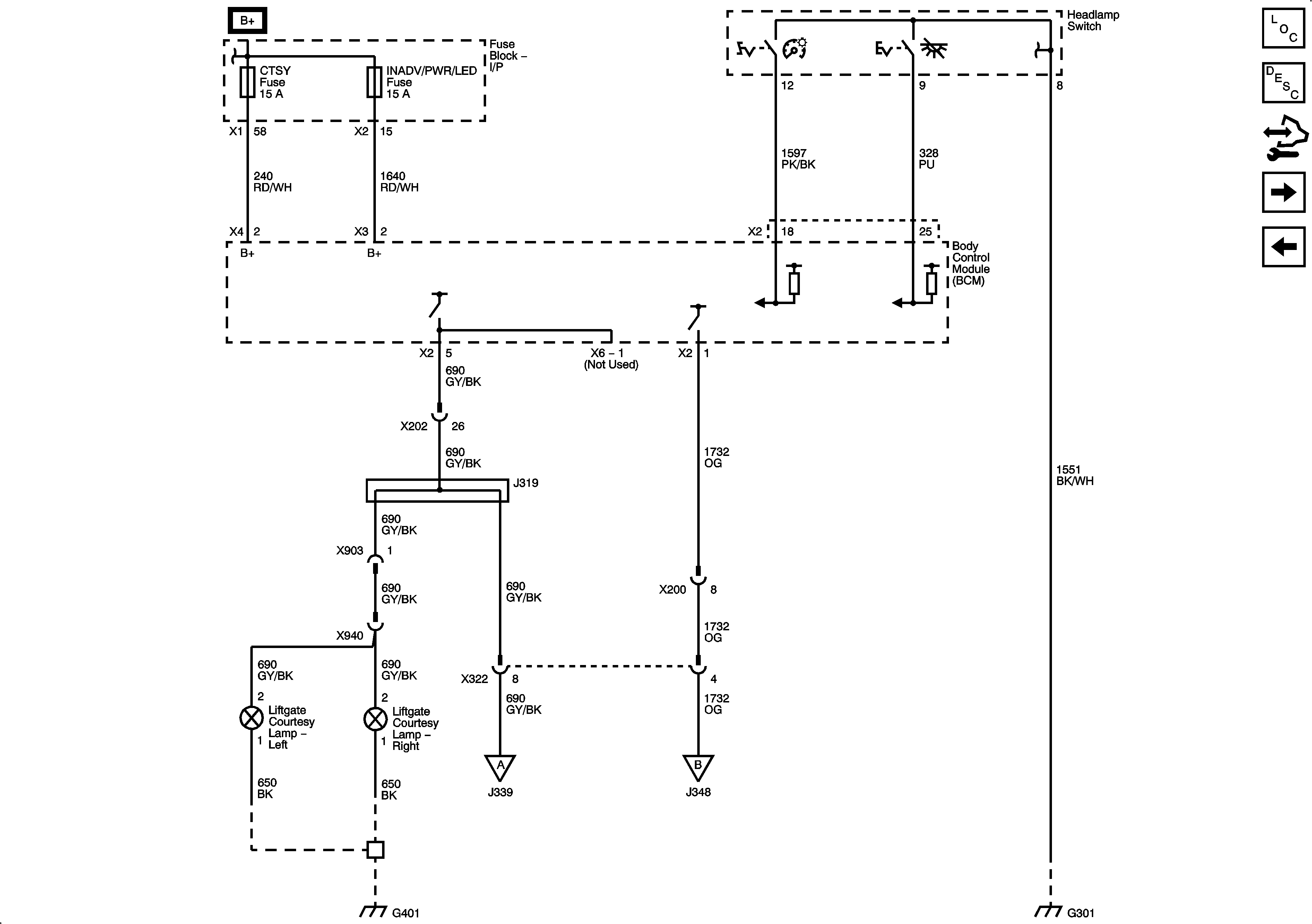
Figure 2:

Headlamp Switch and Power, Liftgate Lamps


Object Number: 2078047  Size: FS
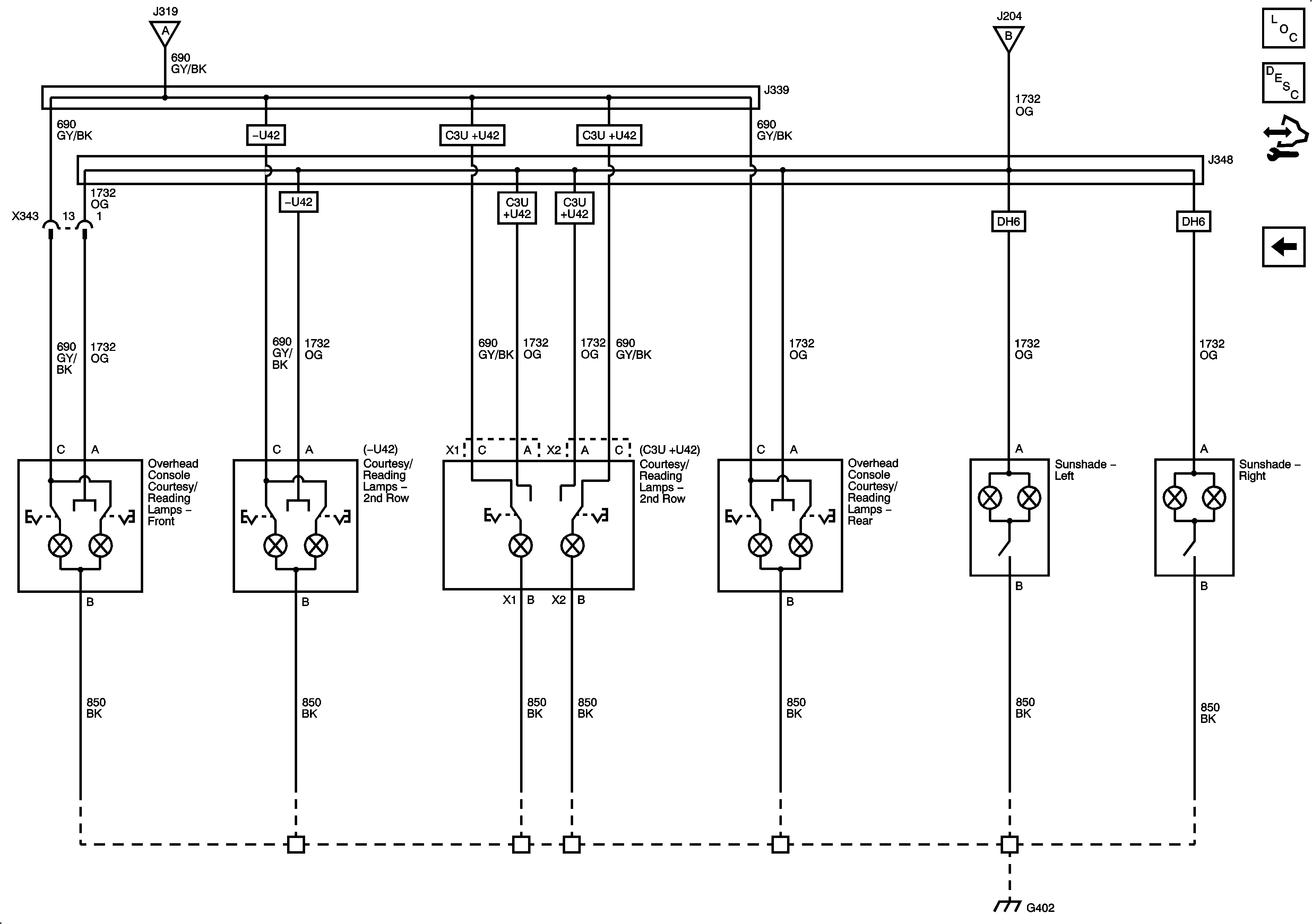
Figure 3:

Roof


Object Number: 2078048  Size: FS