GM Service Manual Online
For 1990-2009 cars only
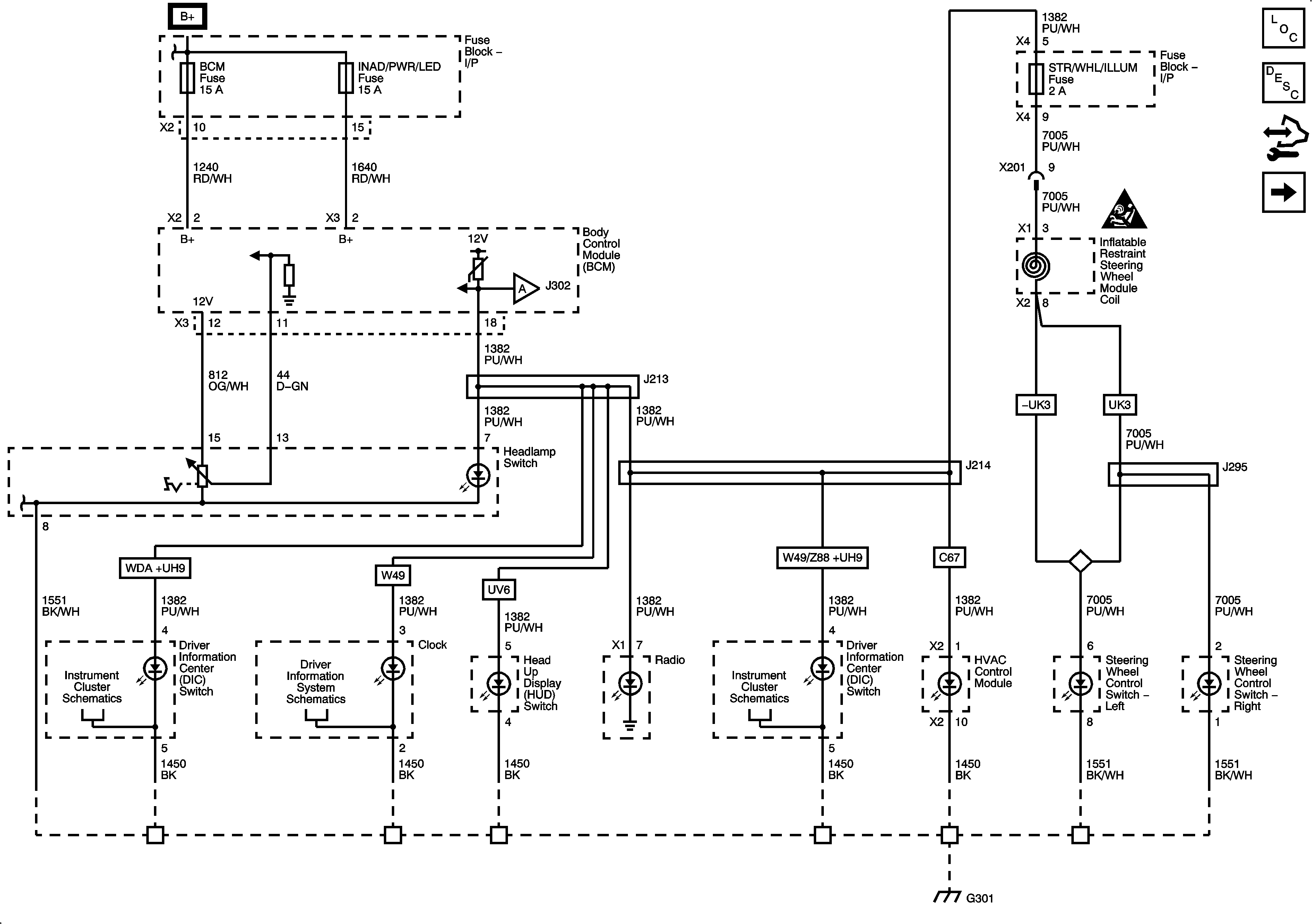
Figure 1:

Controls, I/P, and Steering Wheel LEDs


Object Number: 2078050  Size: FS
Figure 2:

Console and Driver Door LEDs


Object Number: 2078052  Size: FS
Figure 3:

Console, I/P, Passenger Door, and Roof Lamps


Object Number: 2078056  Size: FS
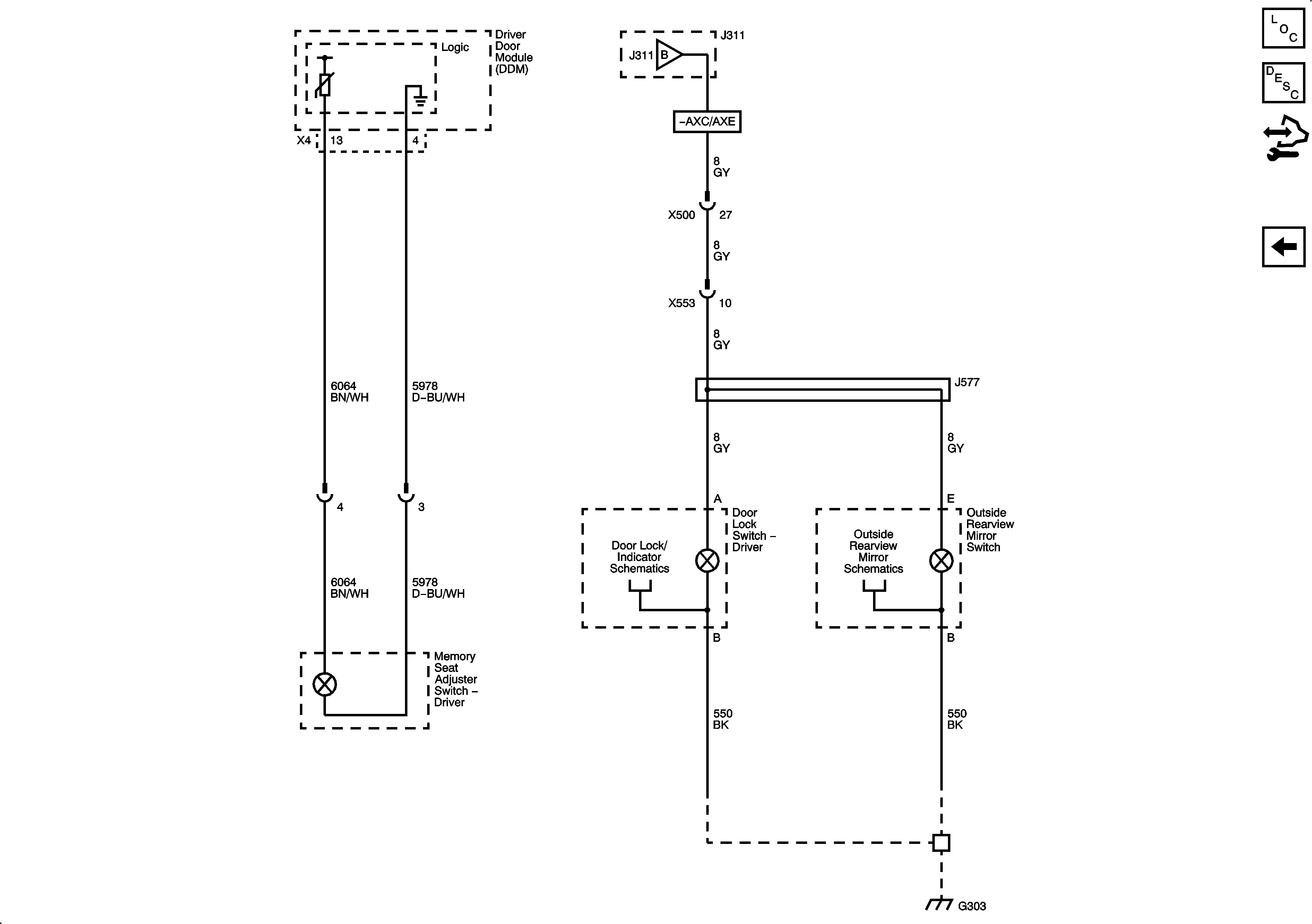
Figure 4:

Driver Door Lamps


Object Number: 2078058  Size: FS