GM Service Manual Online
For 1990-2009 cars only
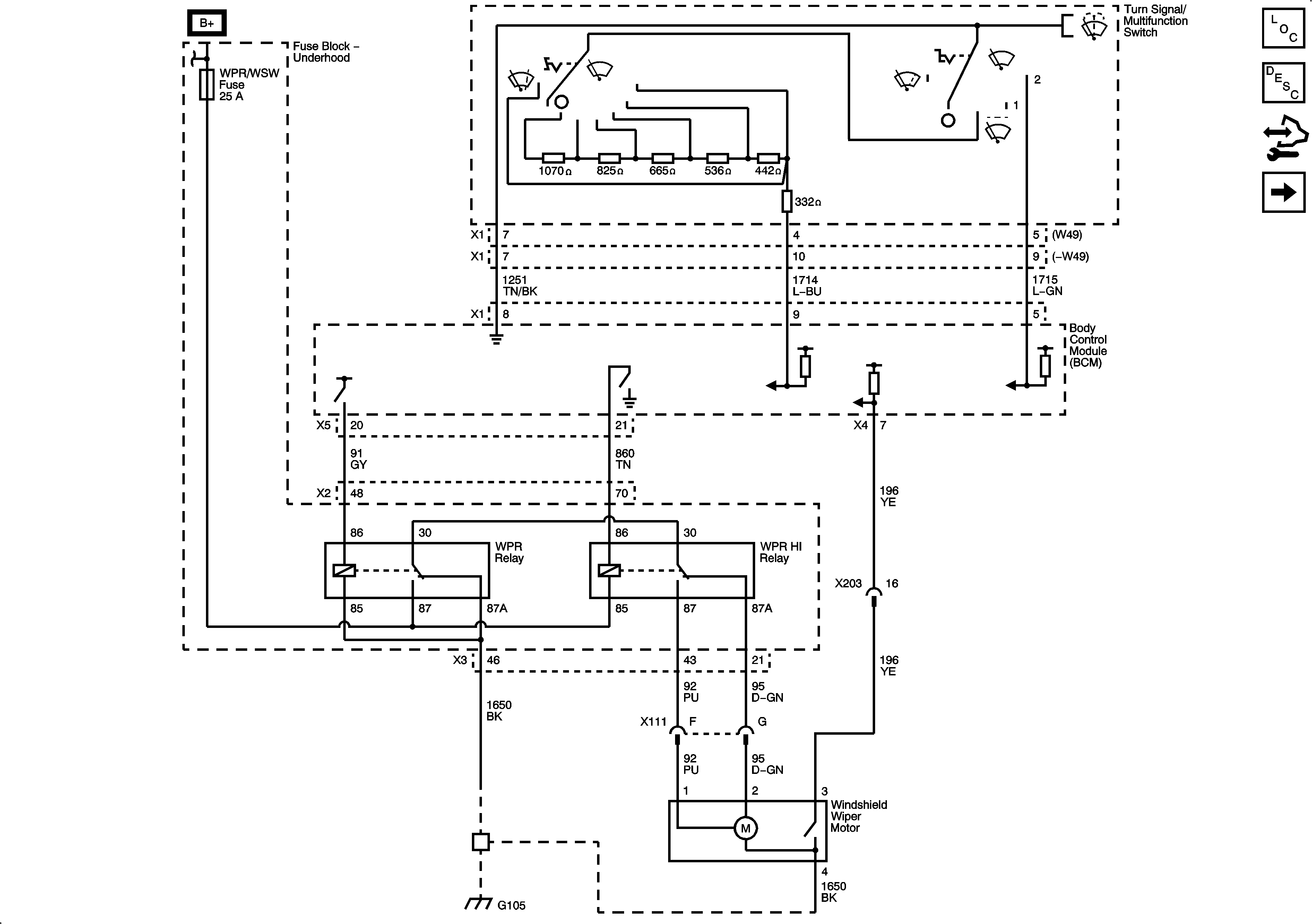
Figure 1:

Front Wipers


Object Number: 2078172  Size: FS
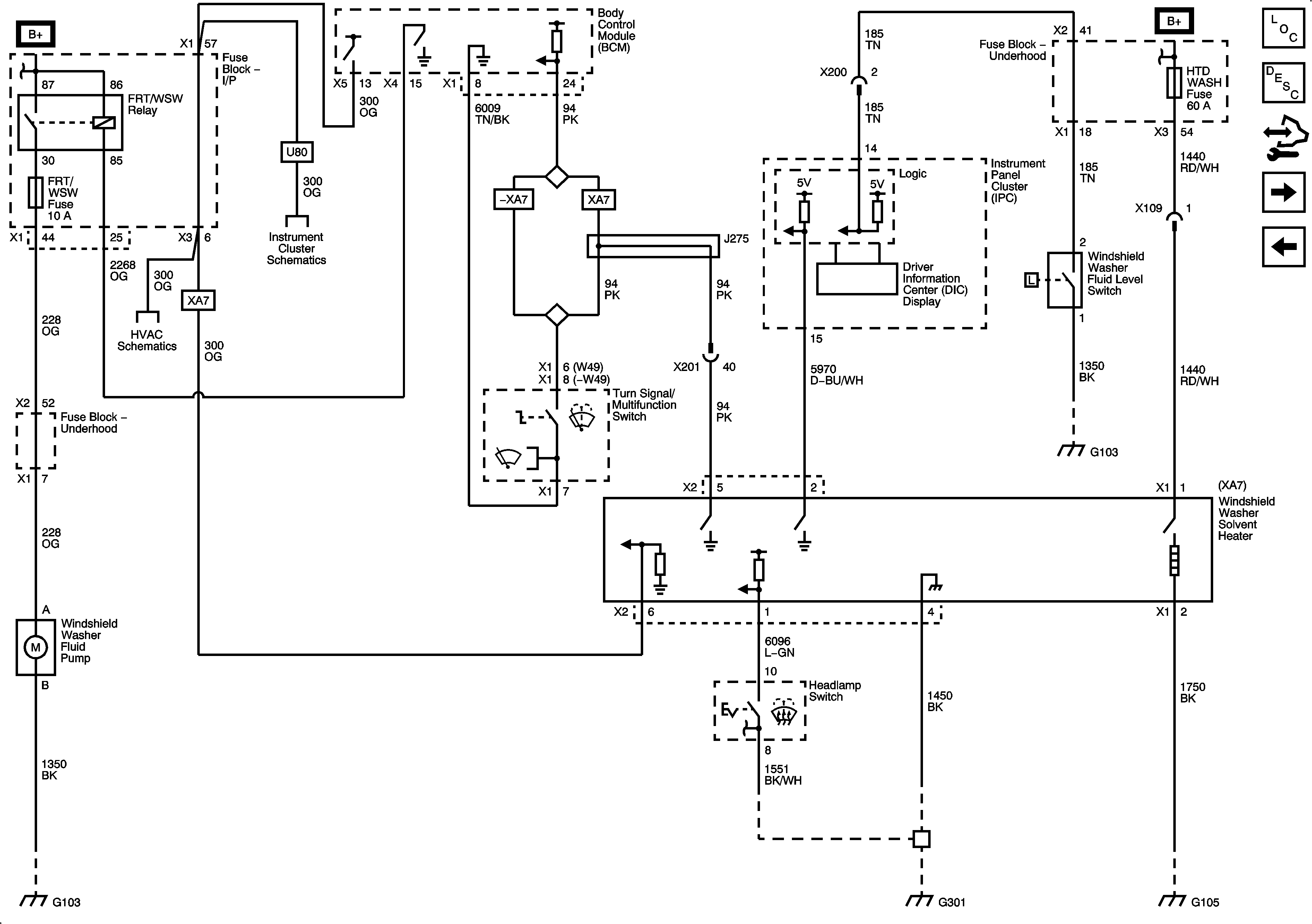
Figure 2:

Front Washers


Object Number: 2078174  Size: FS
Figure 3:

Rear


Object Number: 2078176  Size: FS