GM Service Manual Online
For 1990-2009 cars only
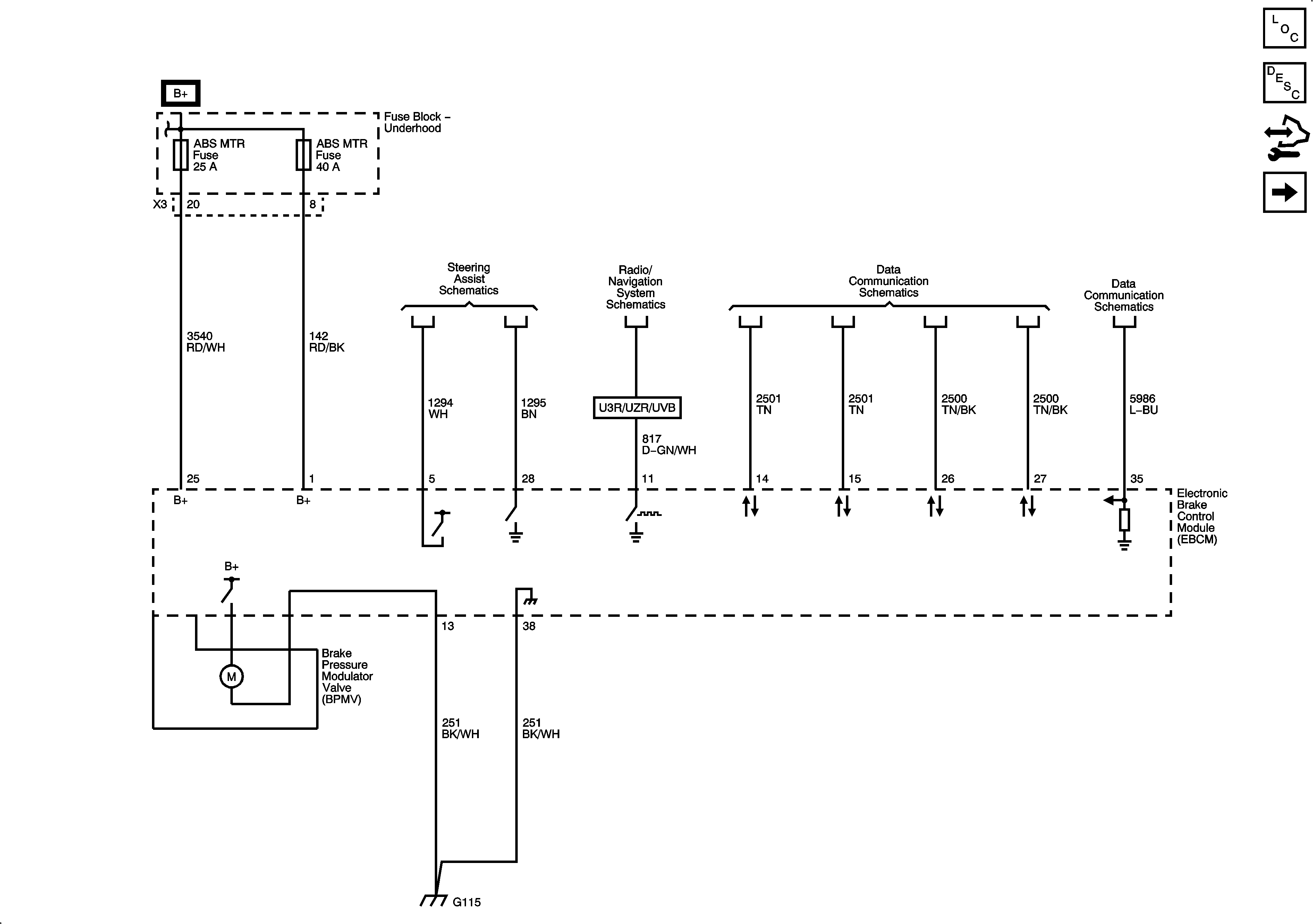
Figure 1:

Module Power and Ground, Subsystem References


Object Number: 2077951  Size: FS
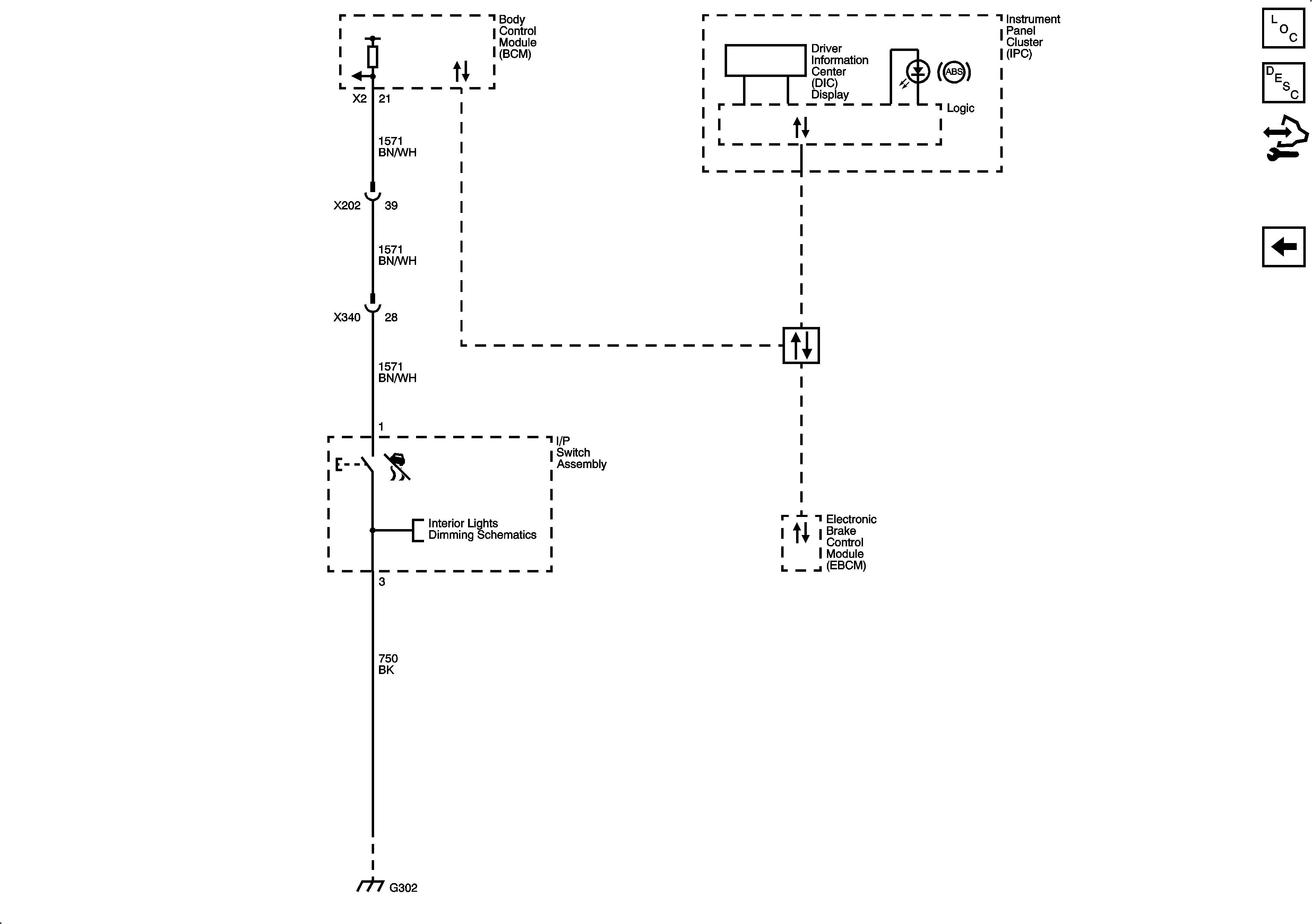
Figure 2:

Sensors


Object Number: 2077955  Size: FS
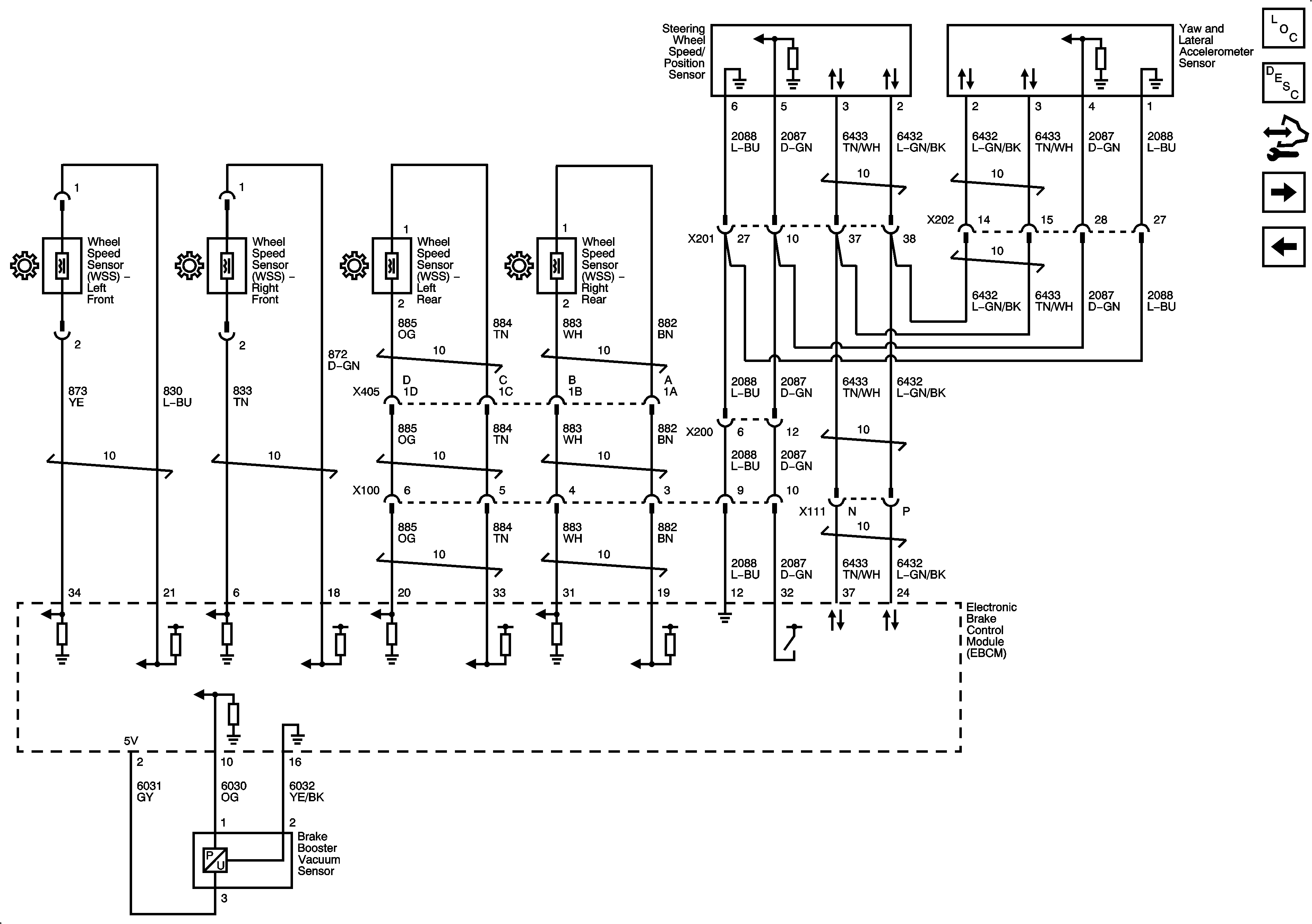
Figure 3:

TCS Control and Indicators


Object Number: 2077960  Size: FS