GM Service Manual Online
For 1990-2009 cars only
Makes
🢒
Saturn
🢒
2009
🢒
OUTLOOK- 2WD
🢒
Power and Signal Distribution
🢒
Data Communications
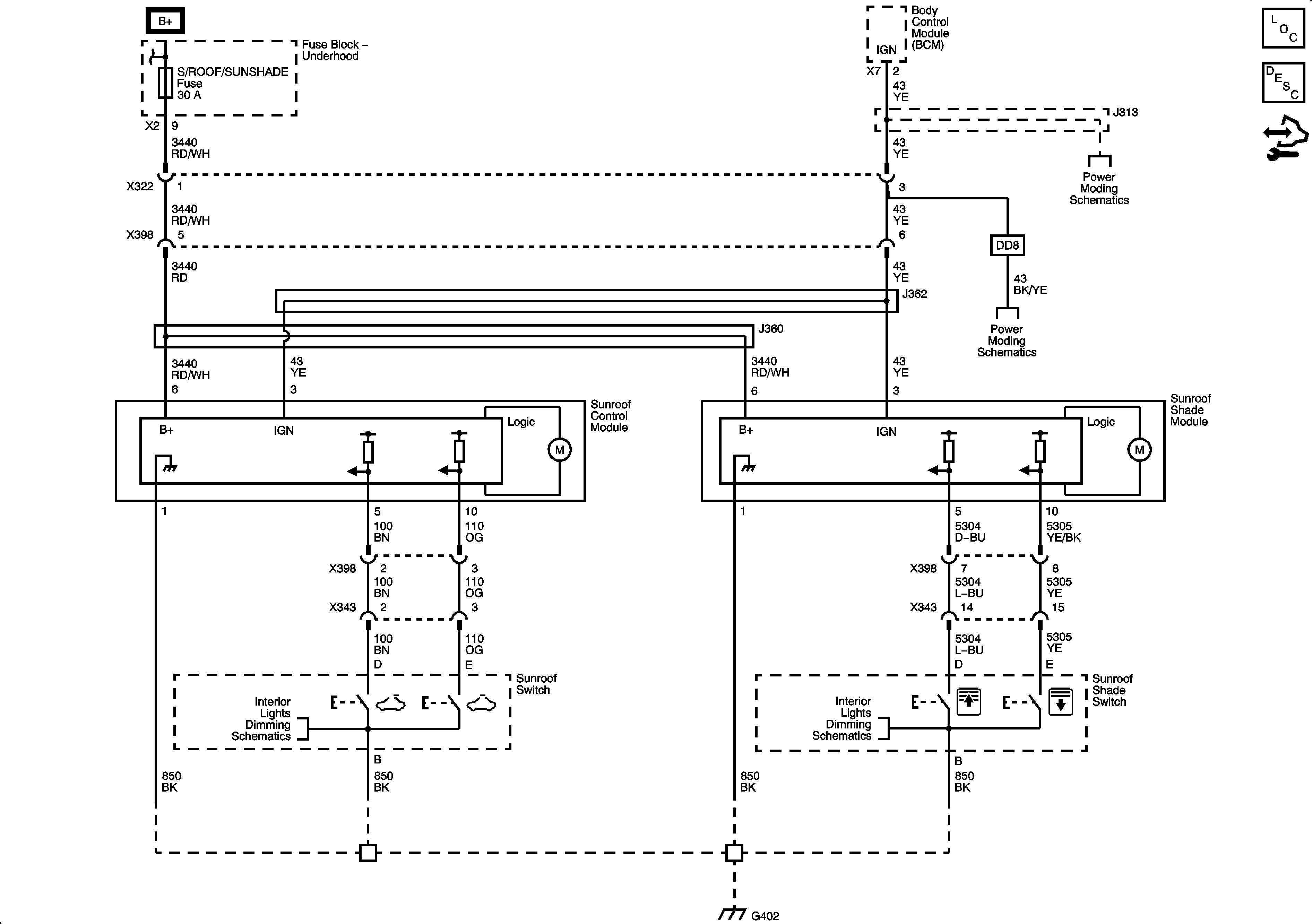
🢒 Sunroof Schematics
C3U