GM Service Manual Online
For 1990-2009 cars only
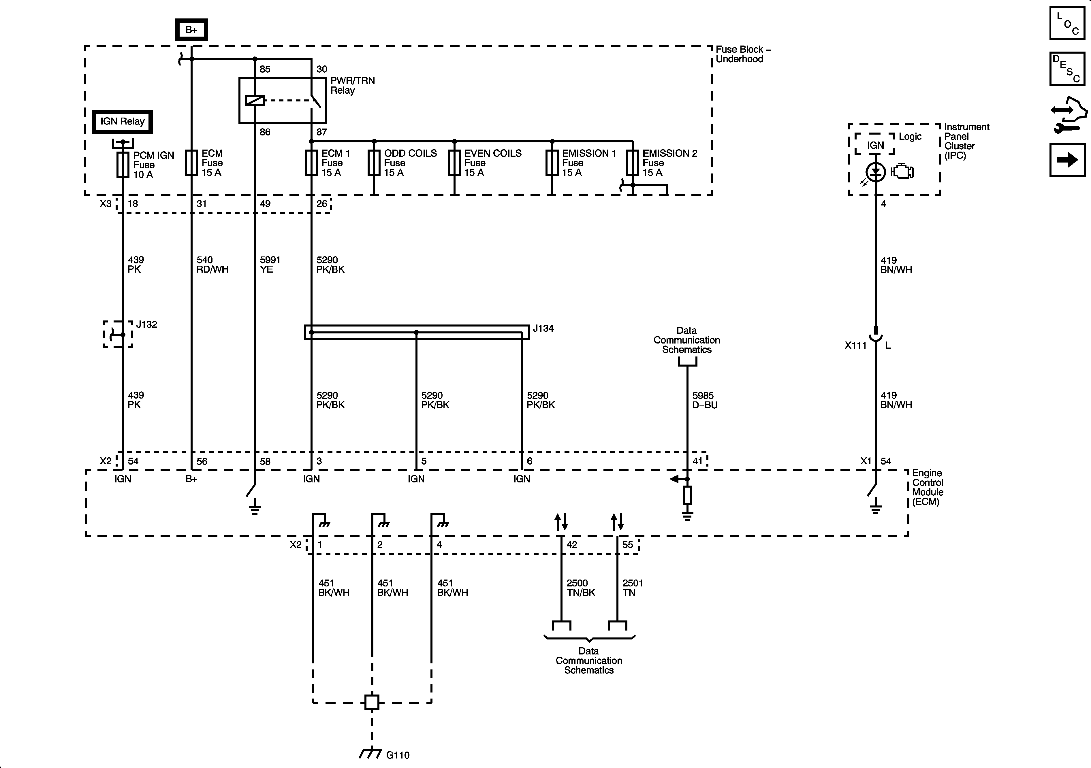
Figure 1:

Module Power, Ground, Serial Data, and MIL


Object Number: 2077843  Size: FS
Figure 2:

5-Volt 1 and Low Reference Bus


Object Number: 2077846  Size: FS
Figure 3:

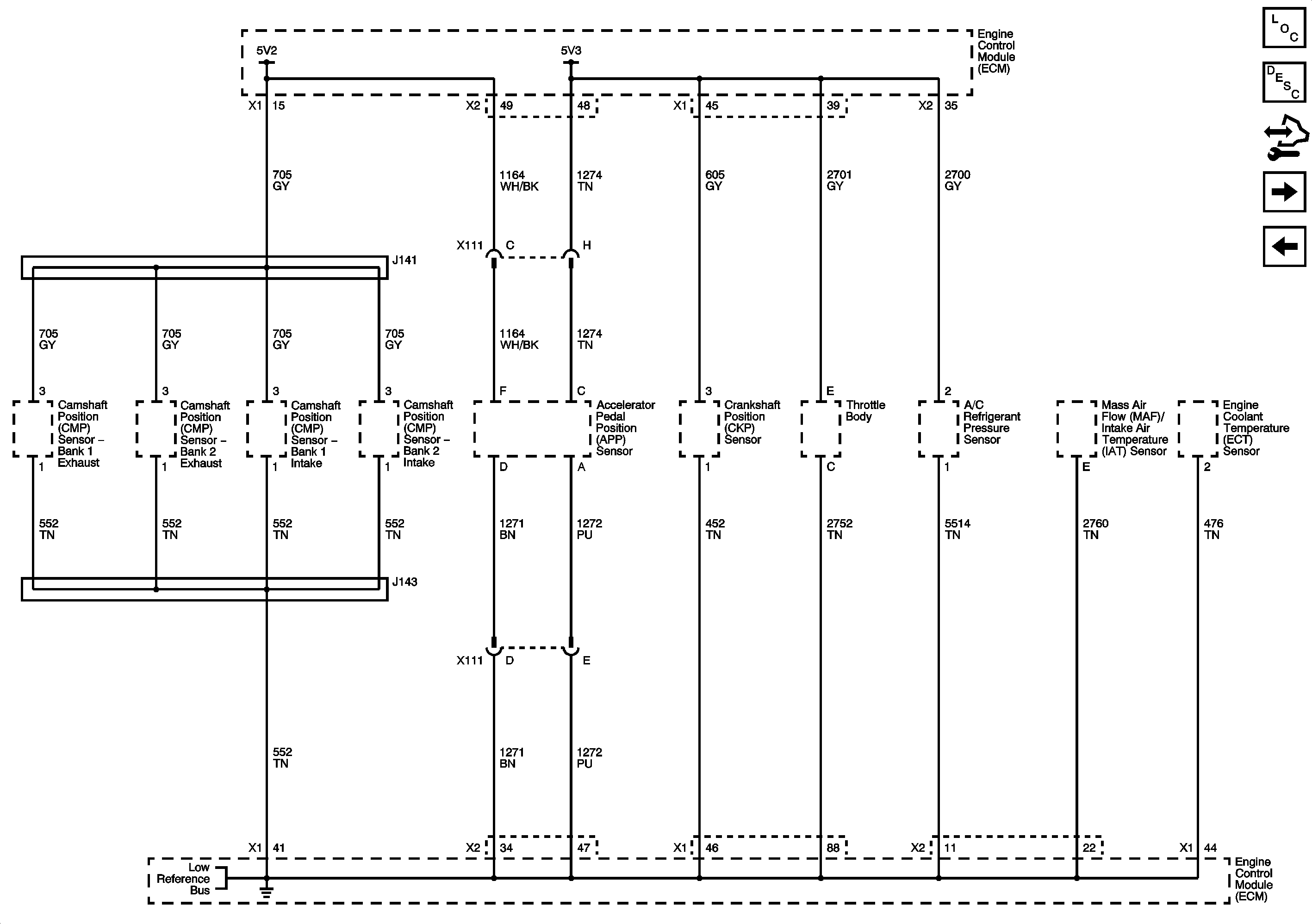
5-Volt 2, 5-Volt 3, and Low Reference Busses


Object Number: 2077847  Size: FS
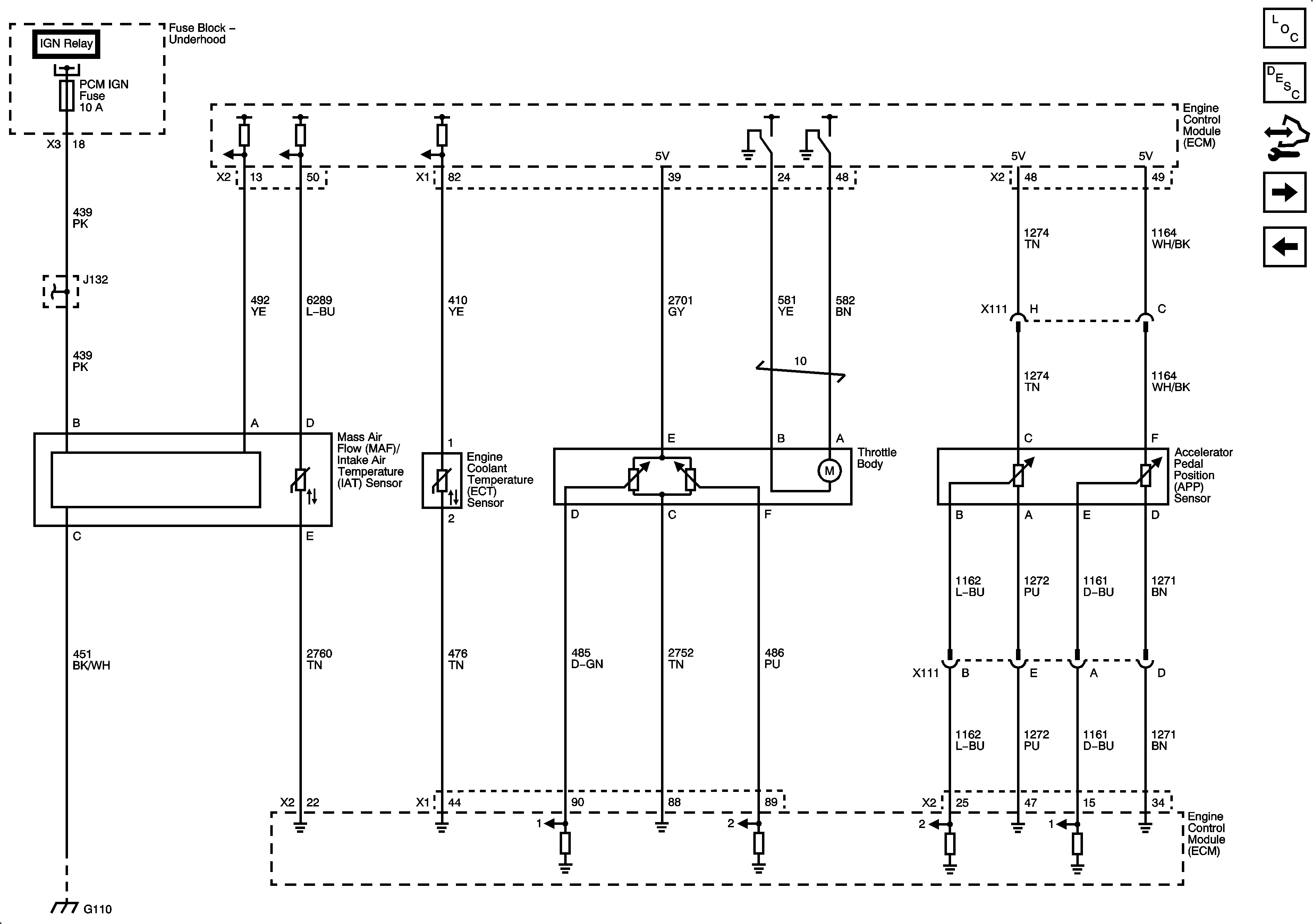
Figure 4:

Engine Data Sensors - Pressure, Temperature, and Throttle Controls


Object Number: 2077852  Size: FS
Figure 5:

Engine Data Sensors - Oxygen Sensors


Object Number: 2077854  Size: FS
Figure 6:

Ignition Controls - Bank 1 Ignition System


Object Number: 2077859  Size: FS
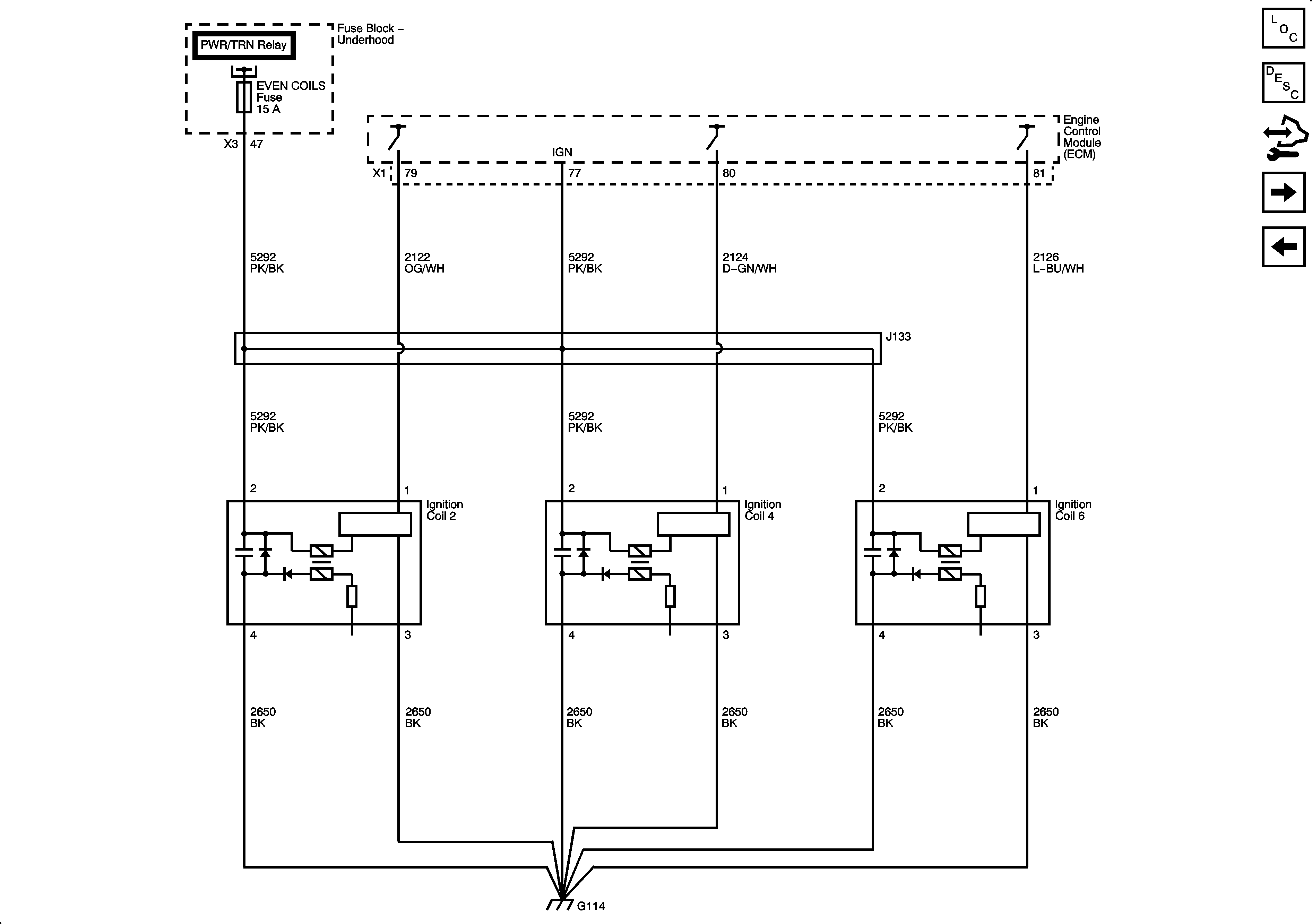
Figure 7:

Ignition Controls - Bank 2 Ignition System


Object Number: 2077862  Size: FS
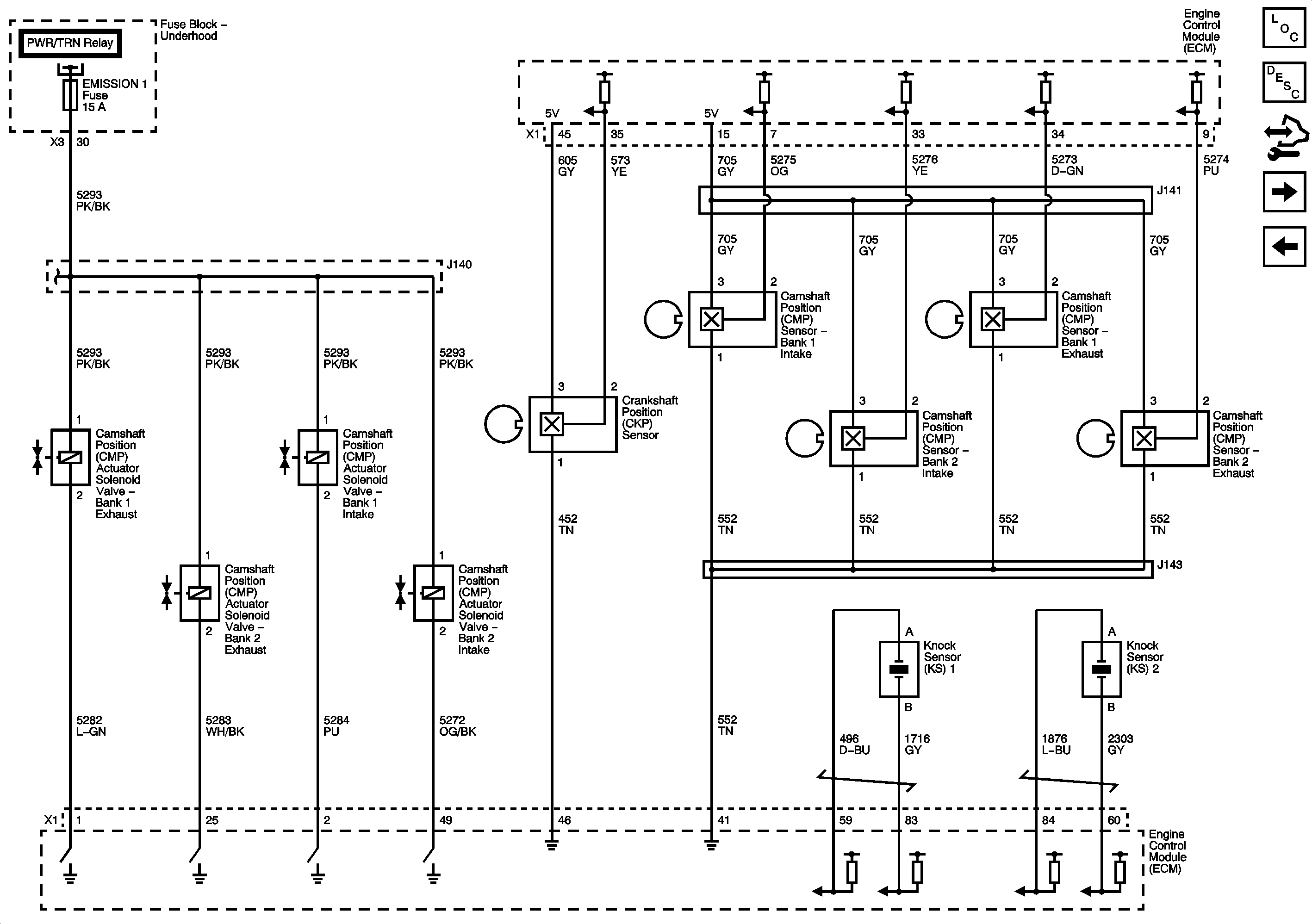
Figure 8:

Ignition Controls - CKP/CMP/KS Sensors and CMP Actuator Solenoids


Object Number: 2077869  Size: FS
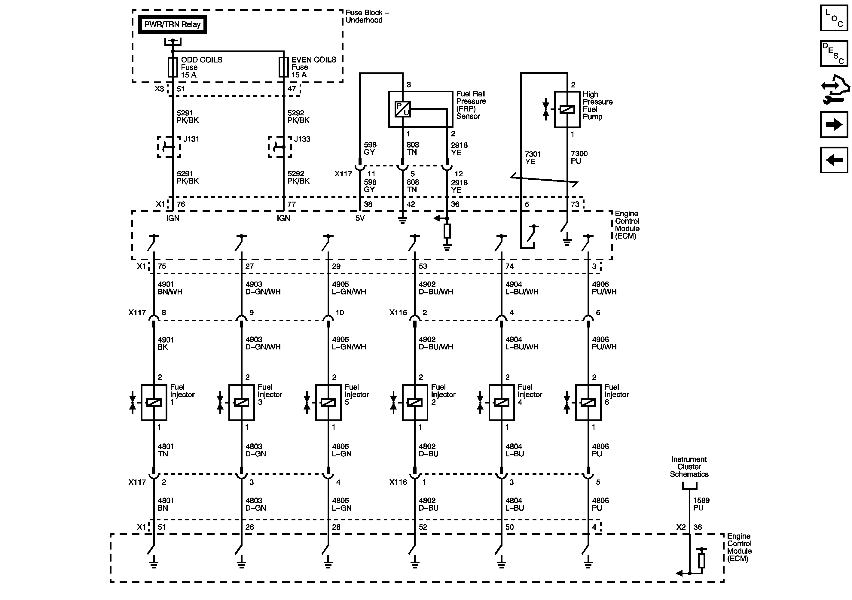
Figure 9:

Fuel Controls - Fuel Injectors


Object Number: 2077870  Size: FS
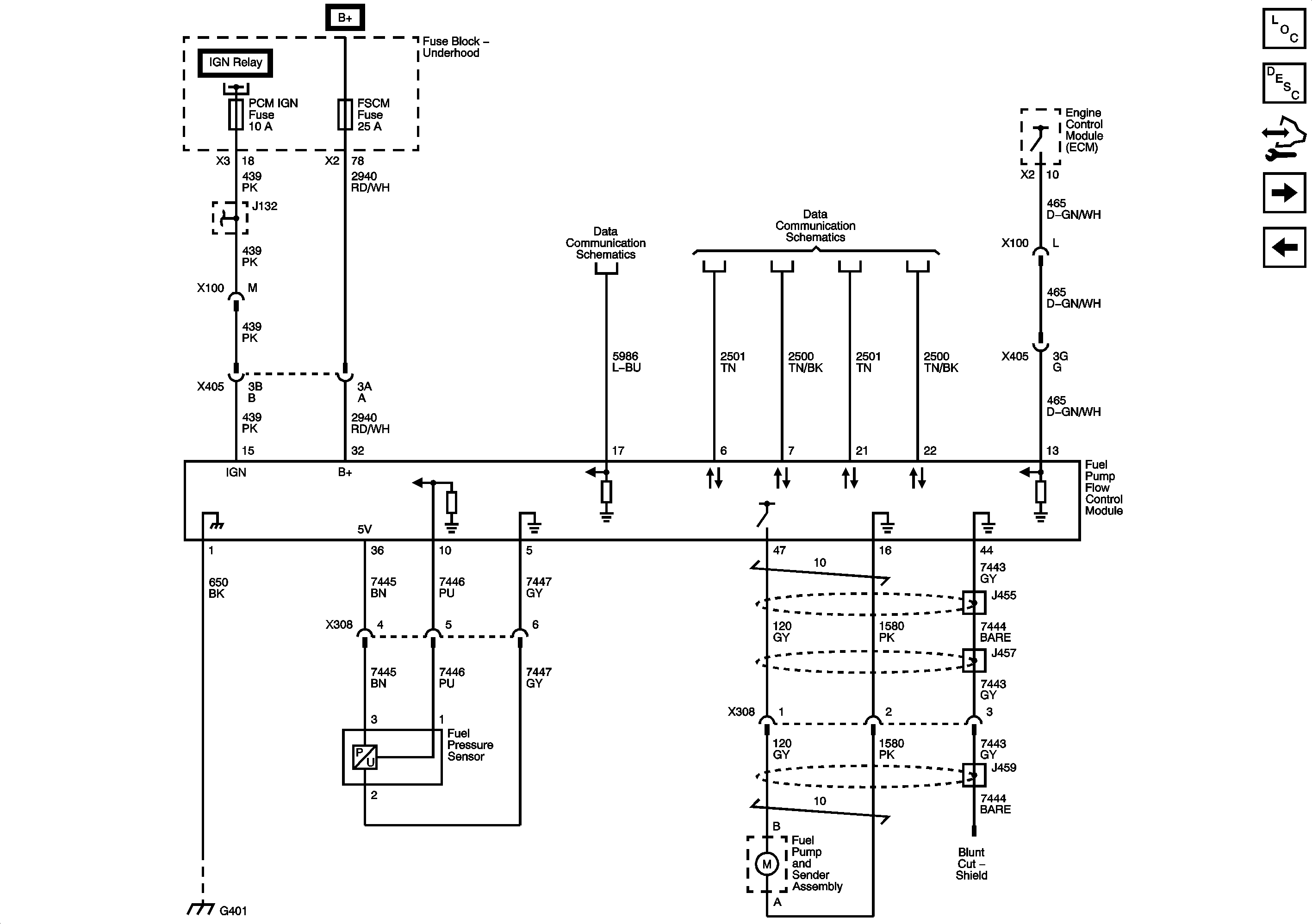
Figure 10:

Fuel Controls - Fuel Pump Flow Control


Object Number: 2090426  Size: FS
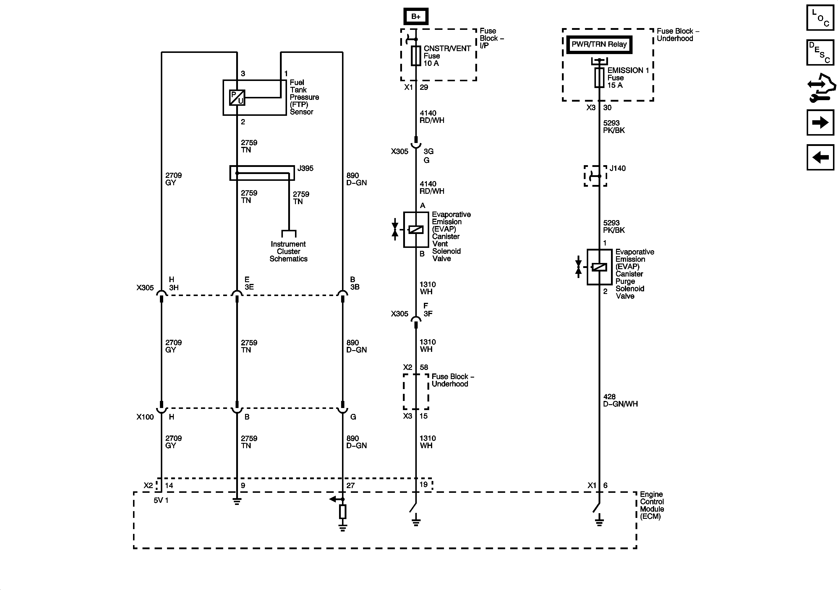
Figure 11:

Fuel Controls - EVAP Controls


Object Number: 2077871  Size: FS
Figure 12:

Subsystem References


Object Number: 2077875  Size: FS