GM Service Manual Online
For 1990-2009 cars only
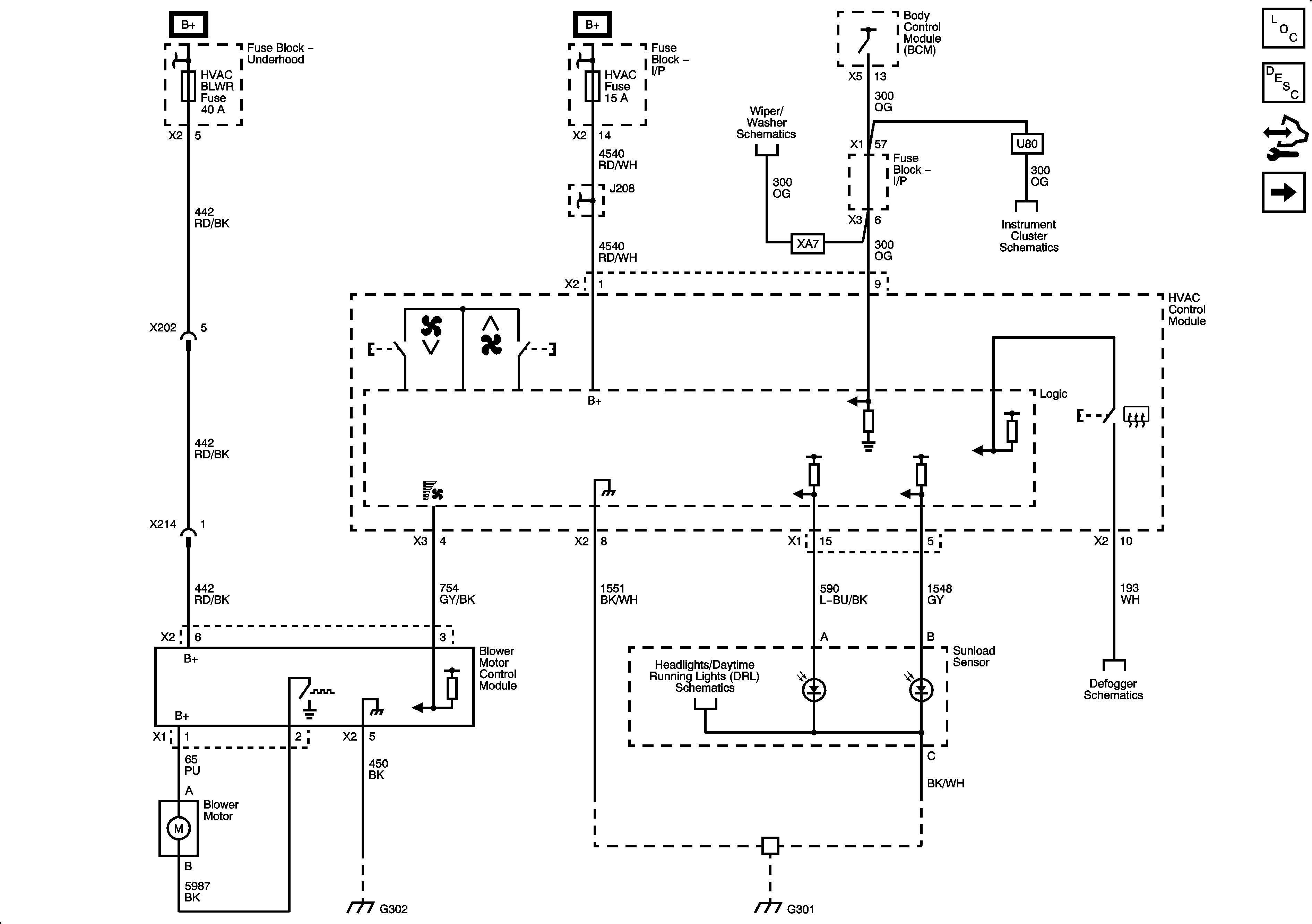
Figure 1:

Module Power and Ground, Blower Control, Data Communication and Sunload


Object Number: 2077926  Size: FS
Figure 2:

Actuators


Object Number: 2077931  Size: FS
Figure 3:

Sensors


Object Number: 2077936  Size: FS
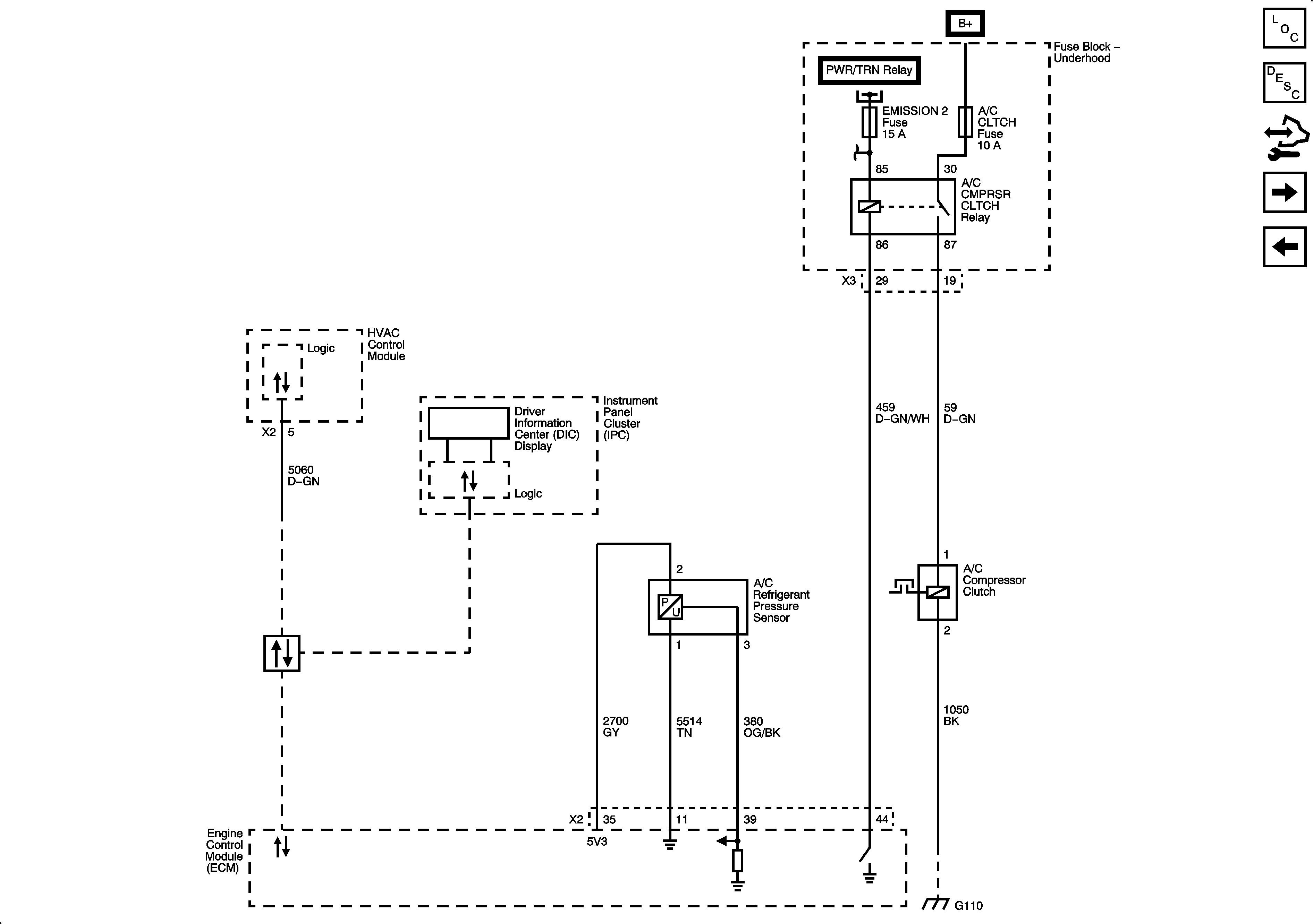
Figure 4:

Compressor Controls


Object Number: 2077938  Size: FS
Figure 5:

Rear HVAC


Object Number: 2077943  Size: FS