GM Service Manual Online
For 1990-2009 cars only
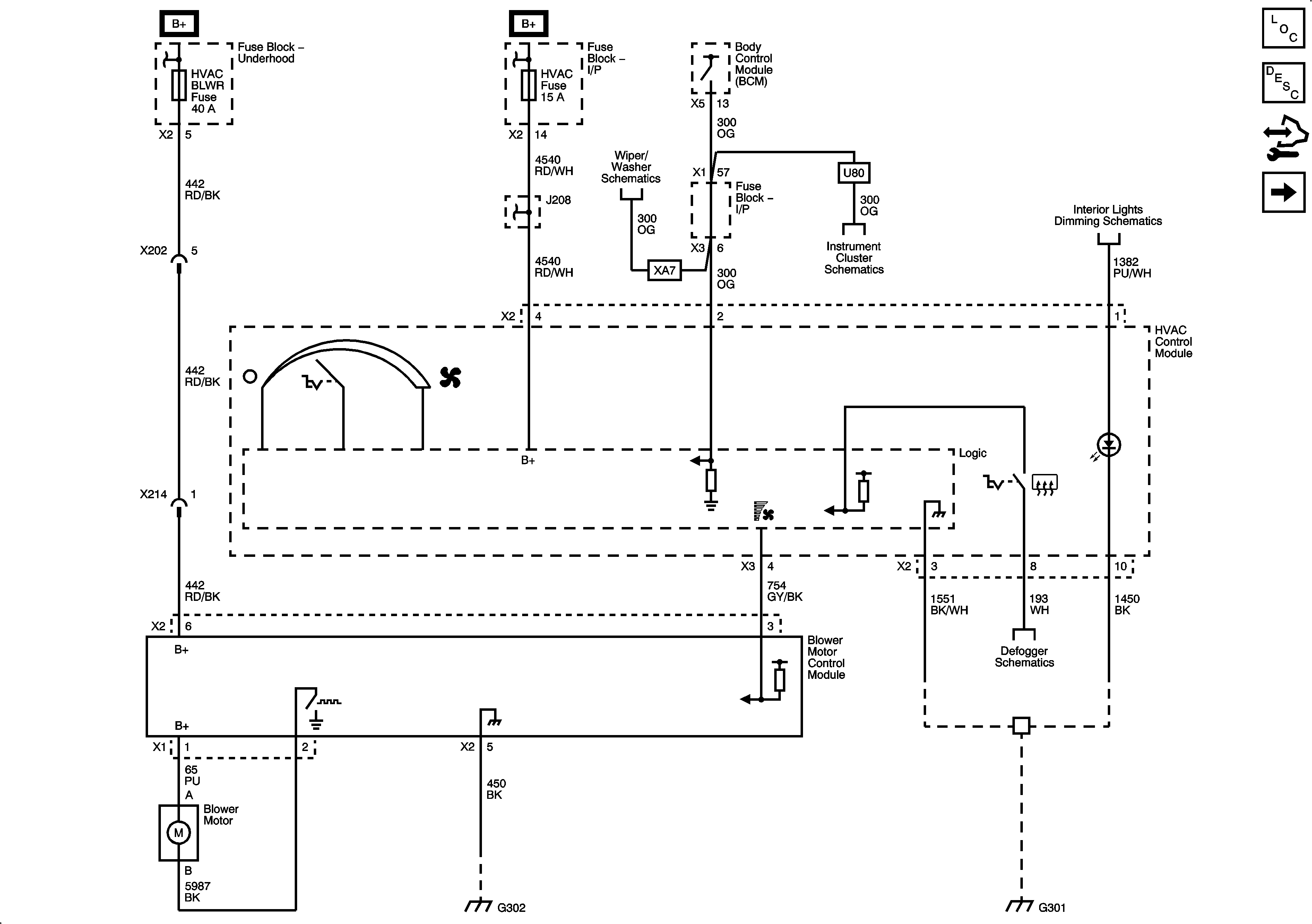
Figure 1:

Module Power and Ground, Blower Control, and Subsystem References


Object Number: 2077909  Size: FS
Figure 2:

Actuators


Object Number: 2077912  Size: FS
Figure 3:

Compressor Controls


Object Number: 2077914  Size: FS
Figure 4:

Rear HVAC


Object Number: 2077920  Size: FS