GM Service Manual Online
For 1990-2009 cars only
Makes
🢒
Saturn
🢒
2009
🢒
OUTLOOK- 2WD
🢒
Safety and Security
🢒
Supplemental Inflatable Restraints
🢒 SIR Schematics
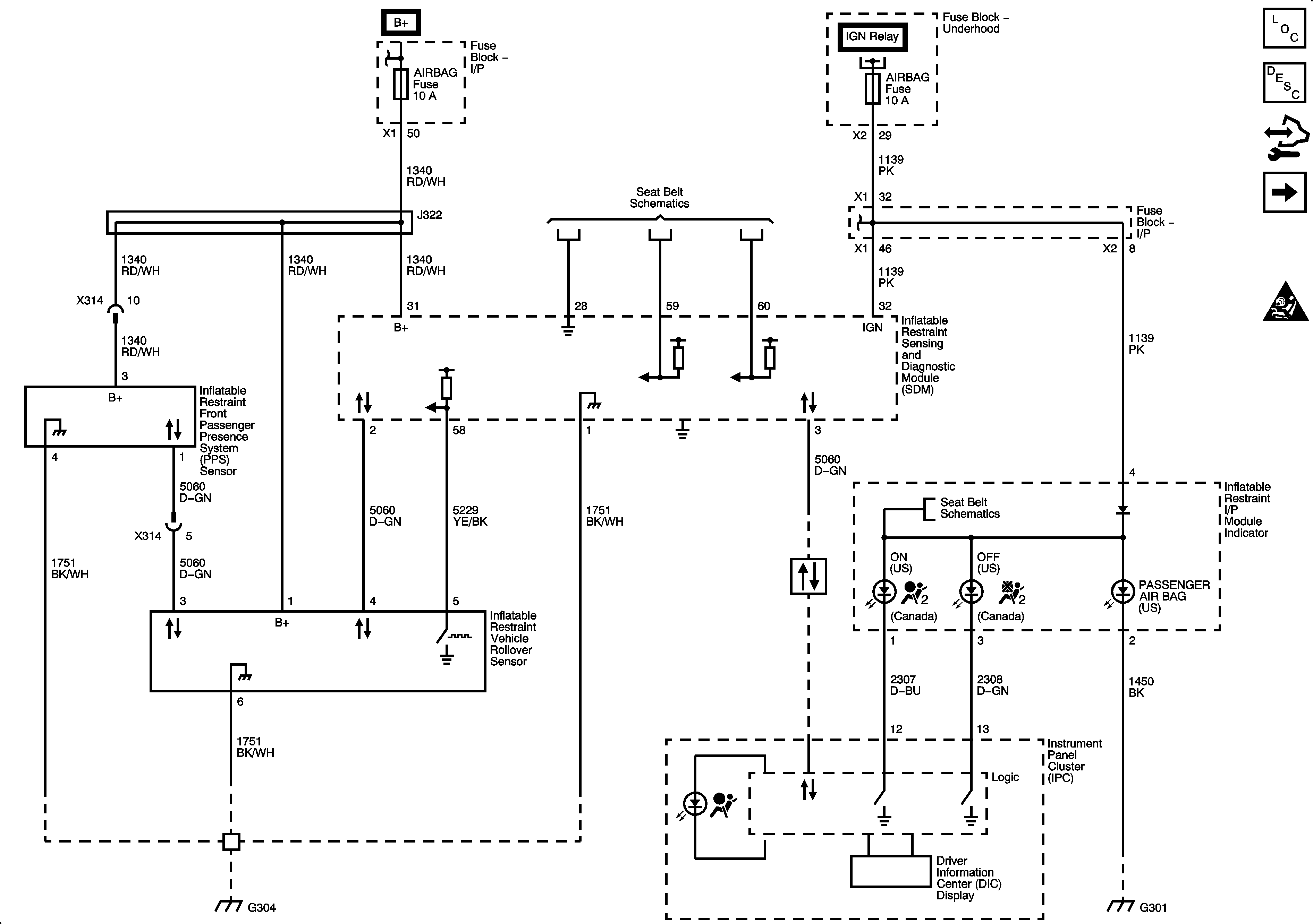
Figure
1:
Module Power, Ground, Indicators, Rollover/Passenger Presence Sensors
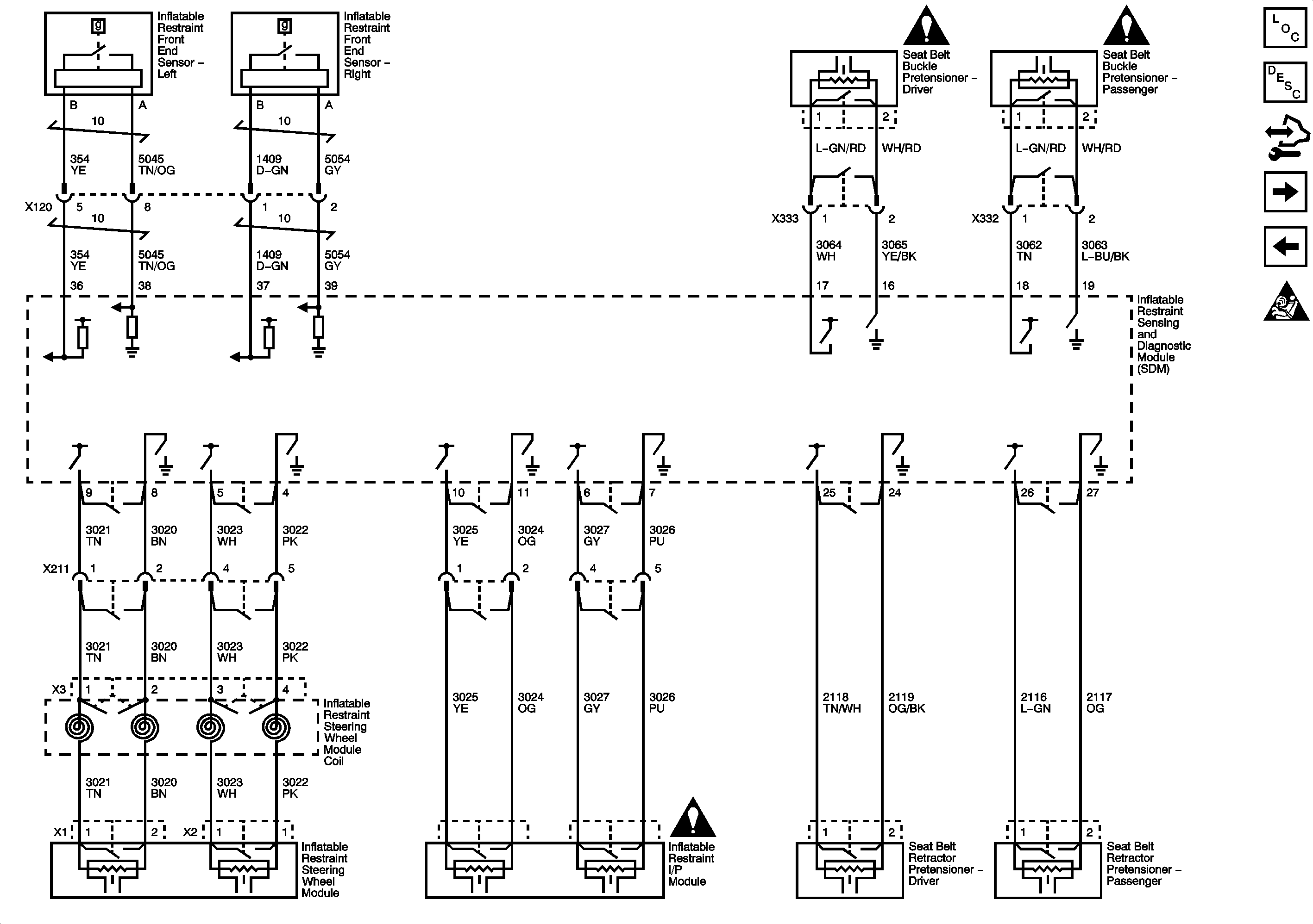
Figure
2:
Front End Sensors, Seat Belt Pretentioners, and Front Air Bags
Figure
3:
Side Impact Sensors and Roof Rail/Side Impact Air Bags