GM Service Manual Online
For 1990-2009 cars only
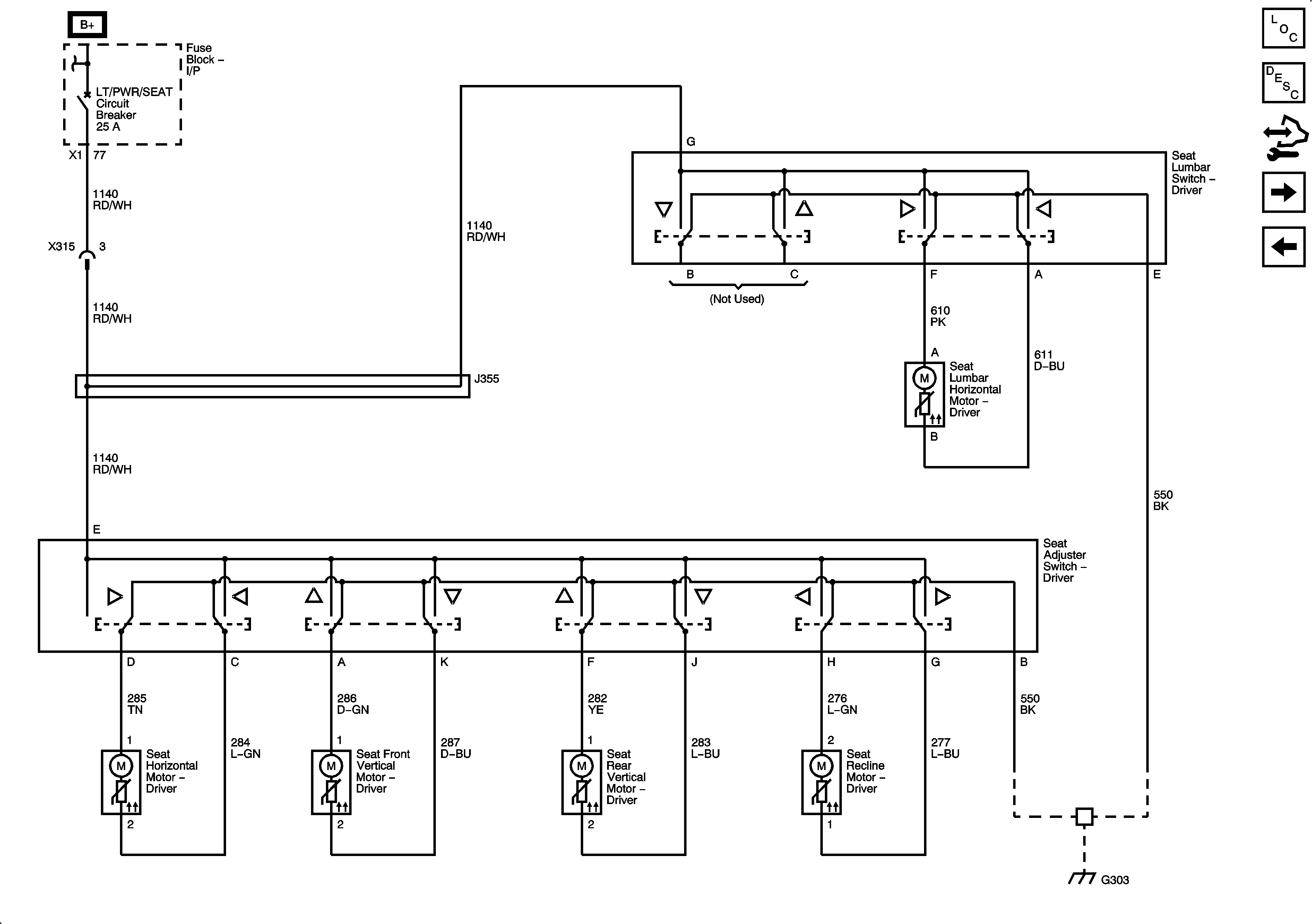
Figure 1:

AG1


Object Number: 2078104  Size: FS
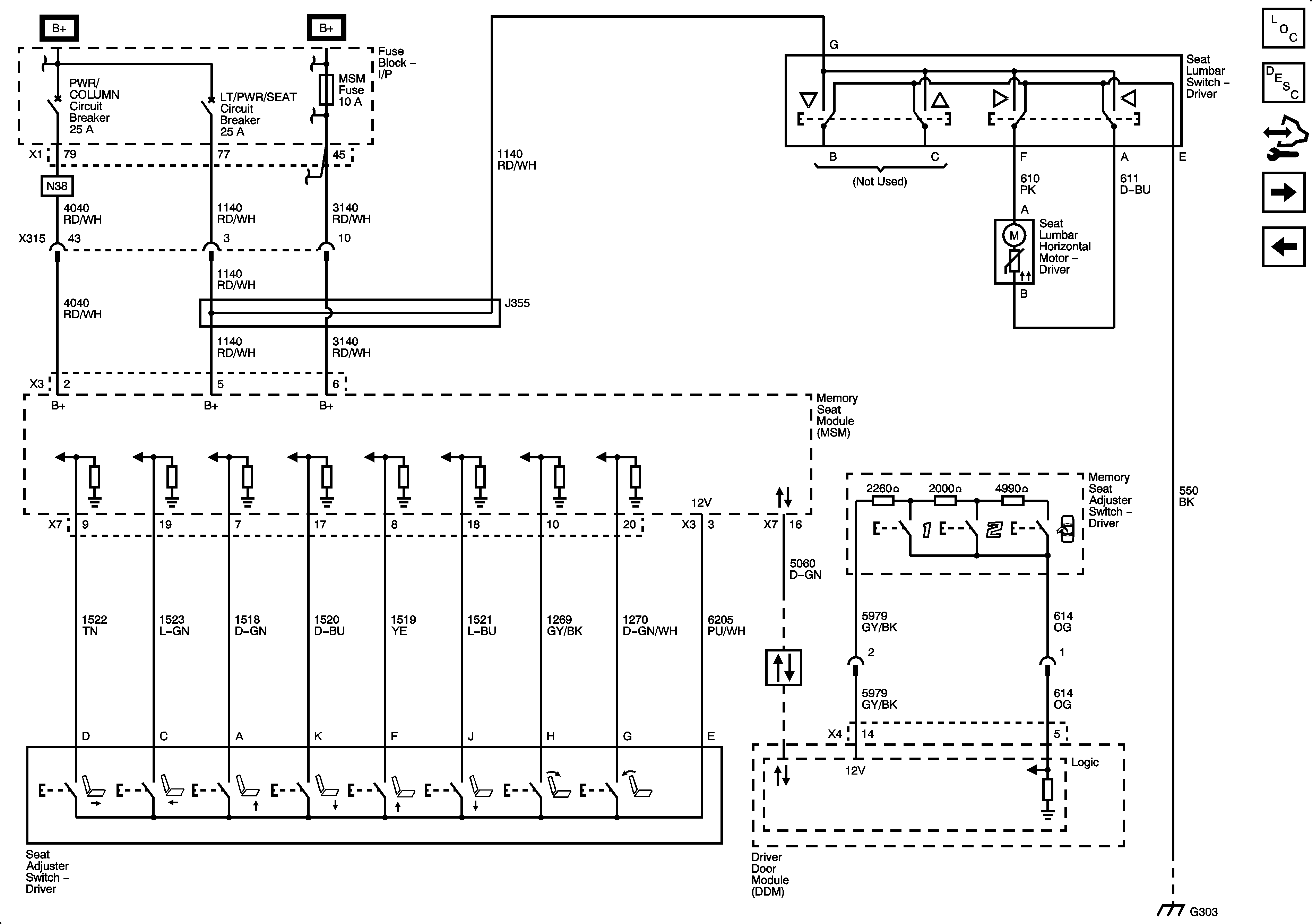
Figure 2:

AH5


Object Number: 2078105  Size: FS
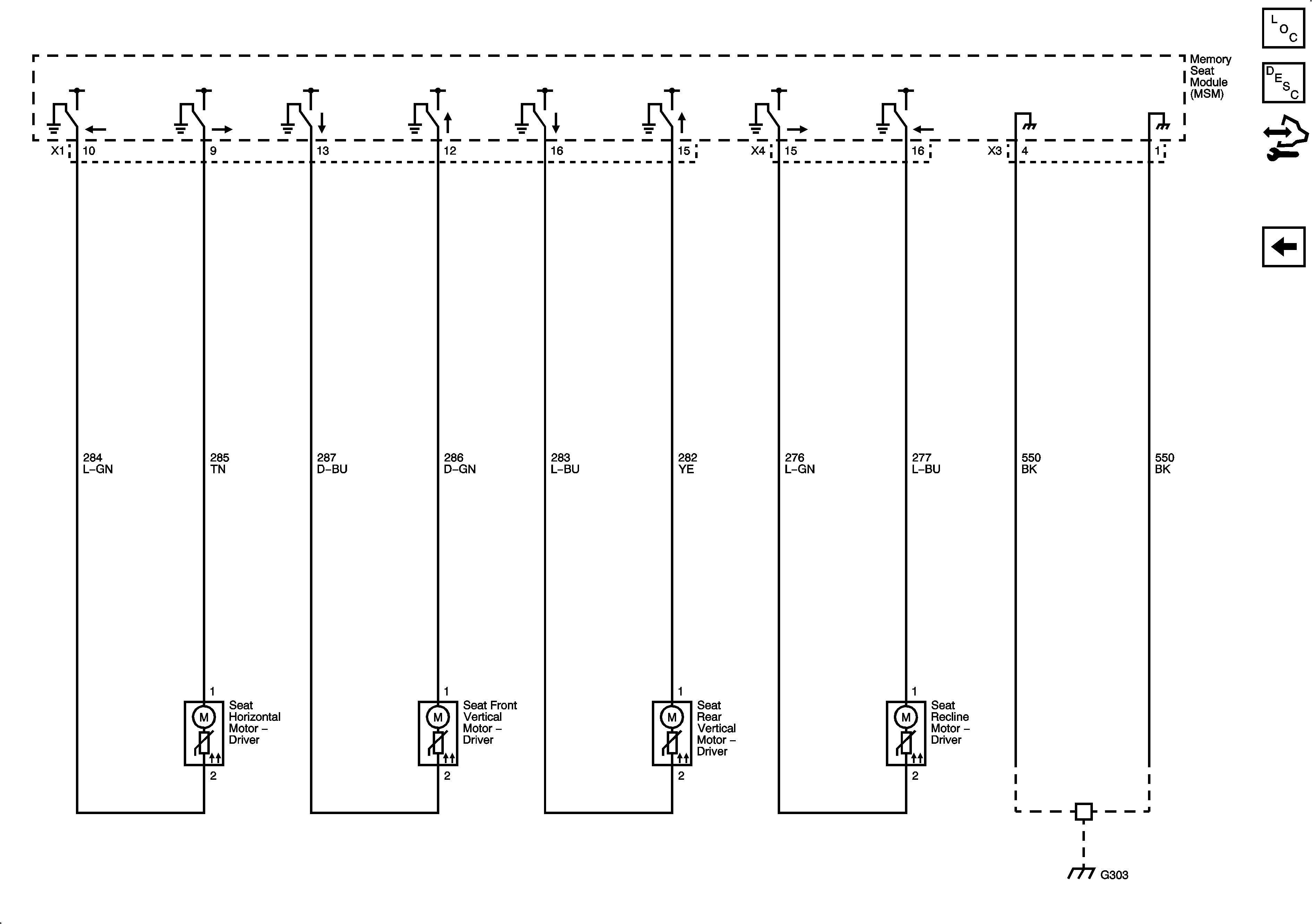
Figure 3:

AG3 Module Power and Data Communication, Driver Switches and Lumbar


Object Number: 2078107  Size: FS
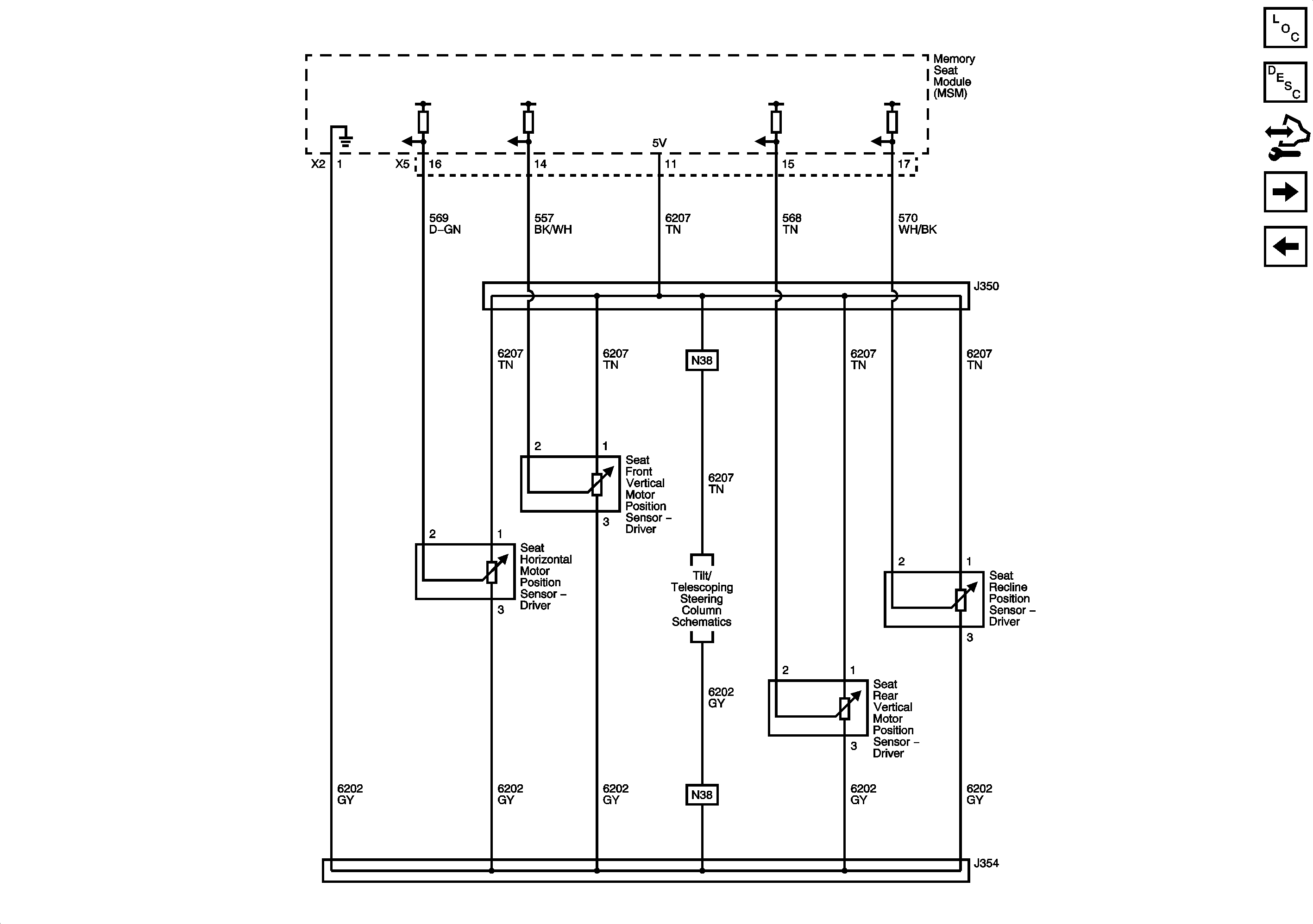
Figure 4:

AG3 Position Sensors


Object Number: 2078108  Size: FS
Figure 5:

AG3 Module Ground, Recline, Horizontal, and Vertical Motors


Object Number: 2078110  Size: FS