GM Service Manual Online
For 1990-2009 cars only

Removal Procedure

  1. Apply the parking brake and chock the wheels.
  2. Remove the floor console left extension panel. Refer to Front Floor Console Extension Panel Replacement - Left Side .

  3. Object Number: 1831028  Size: SH
  4. Disconnect the transmission range selector lever cable terminal (1) from the shift lever pin.
  5. Release the transmission range selector lever cable retainer (2) and remove the transmission range selector cable from the transmission control lever base.

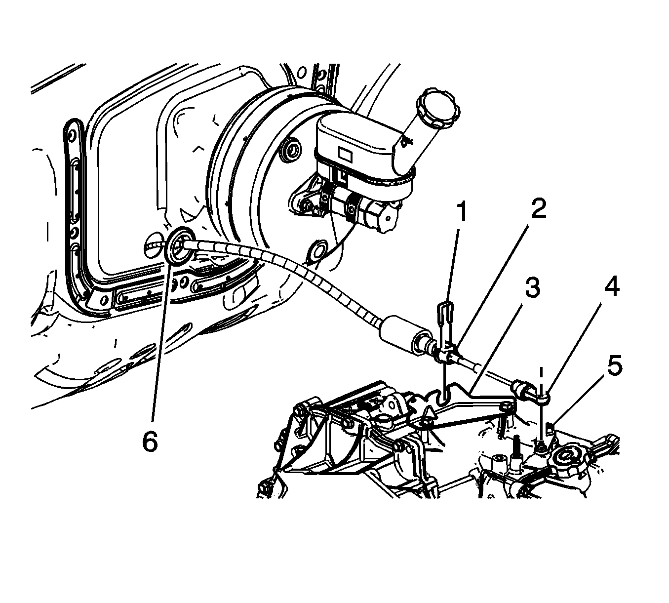
  6. Object Number: 1857737  Size: SH
  7. Disconnect the transmission range selector lever cable terminal (4) from the transmission manual shift lever pin (5).
  8. Remove the retainer (1) from the transmission range selector lever cable.
  9. Press the locking tabs inward in order to release the transmission range selector lever cable (2) from the cable bracket (3).
  10. Remove the transmission range selector lever cable grommet (6) from the cowl panel.
  11. Remove the transmission range selector lever cable from the vehicle.

Installation Procedure


    Object Number: 1857737  Size: SH
  1. Install the transmission range selector lever cable to the vehicle.
  2. Install the transmission range selector lever cable grommet (6) to the cowl panel.
  3. Install the transmission range selector lever cable (2) to the cable bracket (3).
  4. Install the retainer (1) to the transmission range selector lever cable.
  5. Connect the transmission range selector lever cable terminal (4) to the transmission manual shift lever pin (5).

  6. Object Number: 1831028  Size: SH
  7. Install the transmission range selector lever cable to the transmission control lever base. Insure the cable retainer (2) is fully secured to the transmission control lever base.
  8. Connect the transmission range selector lever cable terminal (1) to the shift lever pin.
  9. Install the floor console left extension panel. Refer to Front Floor Console Extension Panel Replacement - Left Side .
  10. Adjust the automatic transmission range selector lever cable. Refer to Range Selector Lever Cable Adjustment .
  11. Release the parking brake.