GM Service Manual Online
For 1990-2009 cars only

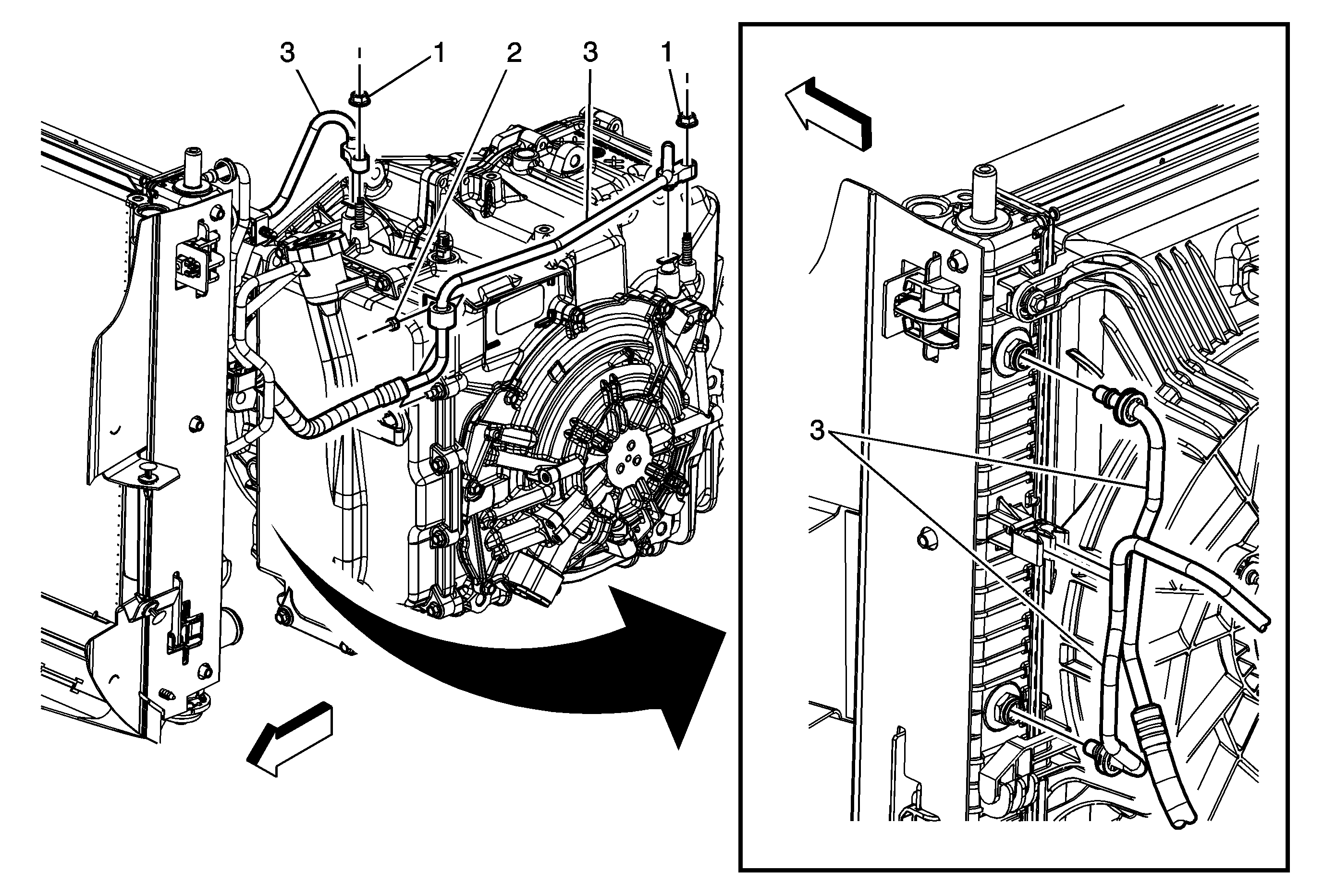
Object Number: 1868373  Size: MF

Callout

Component Name

Preliminary Procedure

Remove the Air Cleaner Outlet Duct. Refer to Air Cleaner Outlet Duct Replacement .

1

Transmission Fluid Cooler Outlet Hose/Pipe Nut

Notice: Refer to Fastener Notice in the Preface section.

Tighten
22 N·m (16 lb ft)

2

Transmission Fluid Cooler Outlet Hose/Pipe Clamp Nut

Tighten
22 N·m (16 lb ft)

3

Transmission Fluid Cooler Outlet Hose/Pipe

Procedure

  1. Remove the transmission line from the clips securing the line to the transmission and fan shroud.
  2. Inspect the transmission fluid level. Refer to Transmission Fluid Check .