GM Service Manual Online
For 1990-2009 cars only

    Object Number: 1838671  Size: SH
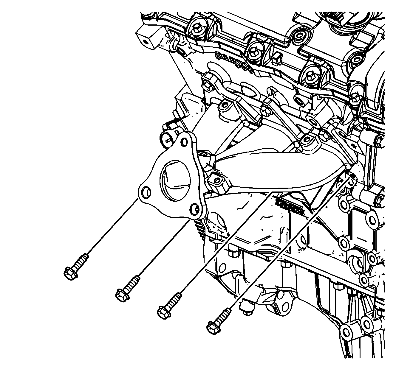
  1. Remove the right exhaust manifold heat shield bolts.

  2. Object Number: 1838691  Size: SH
  3. Remove the right exhaust manifold heat shield.

  4. Object Number: 1838696  Size: SH
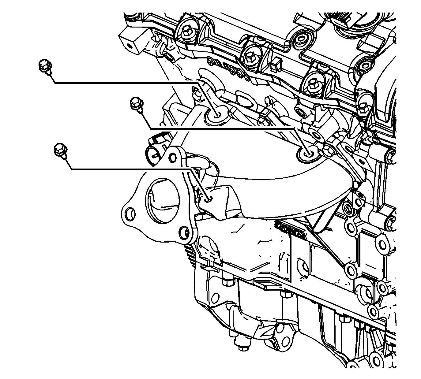
  5. Remove the right exhaust manifold lower bolts from the right cylinder head.

  6. Object Number: 1838697  Size: SH
  7. Remove the right exhaust manifold upper bolts from the right cylinder head.

  8. Object Number: 1838698  Size: SH
  9. Remove the right exhaust manifold.

  10. Object Number: 1838699  Size: SH
  11. Remove and discard the right exhaust manifold gasket.

  12. Object Number: 1838700  Size: SH
  13. Remove the right knock sensor heat shield bolts.

  14. Object Number: 1838701  Size: SH
  15. Remove the right knock sensor heat shield.

  16. Object Number: 1830260  Size: SH
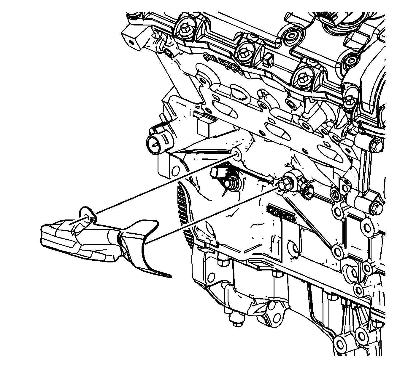
  17. Remove the right knock sensor bolt.

  18. Object Number: 1830264  Size: SH
  19. Remove the right knock sensor.

  20. Object Number: 1830267  Size: SH
  21. Remove the crankshaft position (CKP) sensor bolt.

  22. Object Number: 1830269  Size: SH
  23. Remove the CKP sensor.

  24. Object Number: 1412145  Size: SH
  25. Remove and discard the CKP sensor O-ring.

  26. Object Number: 1830271  Size: SH
  27. Remove the engine block heater, if equipped.