GM Service Manual Online
For 1990-2009 cars only

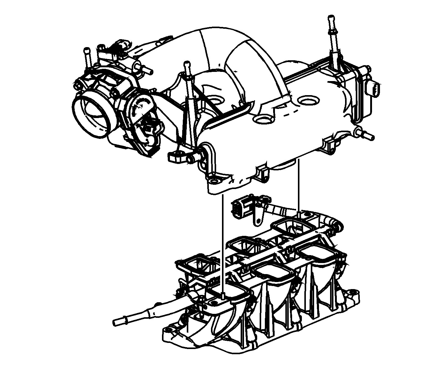
Upper to Lower Intake Manifold Disassemble Procedure


    Object Number: 1864247  Size: SH

    Important: Do not reuse the upper-to-lower intake manifold gasket and the intake manifold-to-cylinder head sealing gaskets.

  1. Remove the upper-to-lower intake manifold bolts.

  2. Object Number: 1864248  Size: SH
  3. Remove the fuel injector wiring harness bracket bolt from the upper intake manifold.

  4. Object Number: 1864249  Size: SH
  5. Remove the upper intake manifold from the lower intake manifold.

  6. Object Number: 1864250  Size: SH
  7. Remove and discard the upper-to-lower intake manifold gaskets.

Upper Intake Manifold Disassemble Procedure


    Object Number: 1864251  Size: SH
  1. Remove the manifold absolute pressure (MAP) sensor bolt.

  2. Object Number: 1864252  Size: SH
  3. Remove the MAP sensor.

  4. Object Number: 1864254  Size: SH
  5. Remove the throttle body bolts.

  6. Object Number: 1864255  Size: SH
  7. Remove the throttle body.

  8. Object Number: 1864256  Size: SH
  9. Remove and discard the throttle body gasket.

  10. Object Number: 1864257  Size: SH
  11. Remove the intake manifold tuning valve bolts.

  12. Object Number: 1864258  Size: SH
  13. Remove the intake manifold tuning valve.

  14. Object Number: 1864259  Size: SH
  15. Remove and discard the intake manifold tuning valve O-ring.

  16. Object Number: 1864260  Size: SH
  17. Remove the fuel injector sight shield ballstud.

Lower Intake Manifold Disassemble Procedure


    Object Number: 1864261  Size: SH
  1. Remove the fuel injector wiring harness.

  2. Object Number: 1864262  Size: SH
  3. Remove the fuel injector rail bolts.

  4. Object Number: 1864263  Size: SH
  5. Remove the fuel injector rail.

  6. Object Number: 1864264  Size: SH
  7. Remove the upper-to-lower intake manifold alignment pins.