GM Service Manual Online
For 1990-2009 cars only

Upper Intake Manifold Cleaning Procedure

  1. Remove any remaining gasket and/or gasket material from the following:
  2. • Throttle body
    • Intake manifold
  3. Clean the following intake manifold areas in solvent.
  4. • Intake manifold gasket sealing areas
    • Intake manifold passages
    • Brake booster hose passage
    • Evaporative emission (EVAP) solenoid passage
    • Positive crankcase ventilation (PCV) vacuum hose passages
    • Manifold absolute pressure (MAP) sensor passage

    Caution: Refer to Safety Glasses Caution in the Preface section.

  5. Dry the upper intake manifold and throttle body with compressed air.

Inspection Procedure


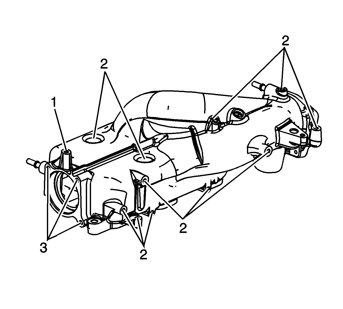
    Object Number: 1864268  Size: SH
  1. Inspect the upper intake manifold for the following conditions:
  2. • Damage to the threads for the MAP sensor bolt (1)
    • Damage, debris or restrictions to the MAP sensor port (2)
    • Damage to the component bolt bosses and threads (3)
    • Damage, debris or restrictions to the EVAP system hose port (4)
    • Damage, debris or restrictions to the PCV system hose port (5)
    • Damage, debris or restrictions to the hose port (6)
    • Damage to the intake manifold bolt bosses (7)
    • Damage, debris or restrictions to the brake vacuum booster hose port (8)
    • Damage to the throttle body bolt holes (9)

    Object Number: 1864269  Size: SH
  3. Inspect the upper intake manifold for the following conditions:
  4. • Damage to the component bolt bosses and threads (1)
    • Damage to the intake manifold bolt bosses (2)
    • Damage to the intake manifold tuning valve mounting threads (3)

    Object Number: 1864270  Size: SH
  5. Inspect the upper intake manifold for the following conditions:
  6. • Damage to the intake manifold tuning valve mounting bosses (1)
    • Damage, debris or restrictions to the intake manifold tuning valve port (2)
    • Damage to the intake manifold tuning valve bushing (3)

    Object Number: 1864271  Size: SH
  7. Inspect the upper intake manifold for the following conditions:
  8. • Gouges or damage to the upper intake manifold sealing surfaces (1)
    • Damage to the gasket sealing surface (2) for the throttle body

    Object Number: 1864272  Size: SH
  9. Inspect the upper intake manifold sealing surface for warpage.
  10. 5.1. Locate a straight edge across the upper-to-lower intake manifold sealing surface.
    5.2. Insert a feeler gage between the upper intake manifold and the straight edge. An upper intake manifold with warpage in excess of 0.50 mm (0.020 in) must be replaced.
  11. Repair or replace the upper intake manifold as necessary.

Lower Intake Manifold Cleaning Procedure

  1. Remove any remaining gasket and/or gasket material from the following:
  2. • Upper-to-lower intake manifold sealing surface
    • Cylinder head-to-lower intake manifold sealing surface
  3. Clean the following intake manifold areas in solvent.
  4. • Intake manifold gasket sealing surfaces
    • Intake manifold passages

    Caution: Refer to Safety Glasses Caution in the Preface section.

  5. Dry the intake manifold with compressed air.

Inspection Procedure


    Object Number: 1864273  Size: SH
  1. Inspect the lower intake manifold for the following conditions:
  2. • Damage, debris or restrictions to the lower intake manifold ports
    • Damage to the fuel rail mounting bolt holes
    • Damage to the fuel rail

    Object Number: 1864274  Size: SH
  3. Inspect the lower intake manifold for the following conditions:
  4. • Gouges or damage to the intake manifold sealing surfaces
    • Damage to the lower intake manifold bolt bosses
    • Damage to the fuel injector ports

    Object Number: 1864275  Size: SH
  5. Inspect the lower intake manifold sealing surfaces for warpage.
  6. 3.1. Locate a straight edge across the lower intake manifold sealing surfaces.
    3.2. Insert a feeler gage between the lower intake manifold and the straight edge. A lower intake manifold with warpage in excess of 0.5 mm (0.020 in) must be replaced.
  7. Repair or replace the lower intake manifold as necessary.