GM Service Manual Online
For 1990-2009 cars only

Special Tools

J 42188 Ball Joint Separator

Removal Procedure

  1. Raise and support the vehicle. Refer to Lifting and Jacking the Vehicle.
  2. Remove the tire and wheel assembly. Refer to Tire and Wheel Removal and Installation.
  3. Remove the outer tie rod end from the steering knuckle. Refer to Steering Linkage Outer Tie Rod Replacement.
  4. Turn the knuckle assembly to left.

  5. Object Number: 1853193  Size: SH
  6. Using a allen wrench and the proper size wrench, remove the lower ball joint retaining nut.

  7. Object Number: 2001931  Size: SH
  8. Using the J 42188  (1) remove the lower ball joint from the control arm.
  9. Remove the tool from the lower ball joint.

  10. Object Number: 1853070  Size: SH
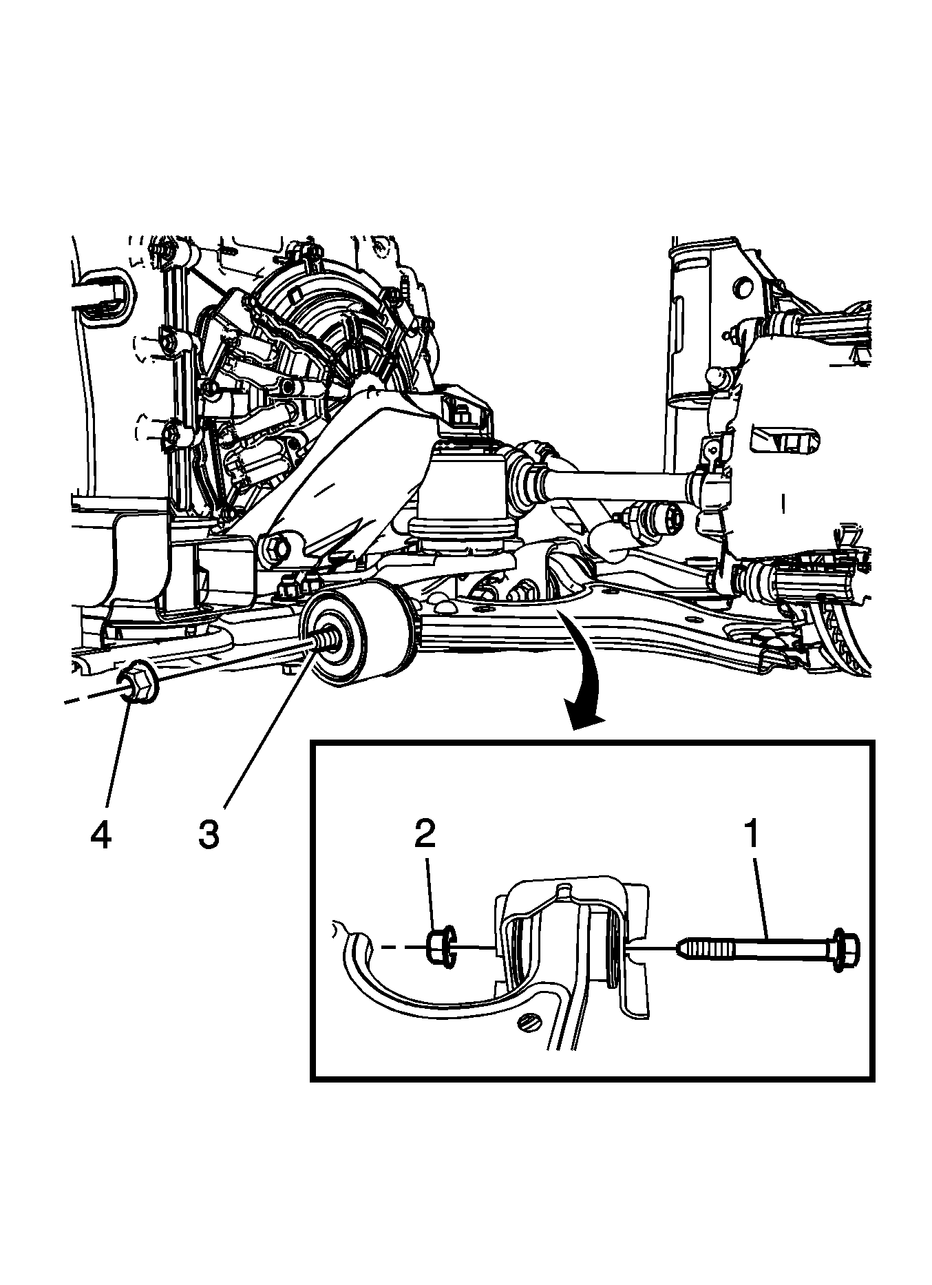
  11. Remove the front control arm mounting nut (4) from the frame stud (3).
  12. Remove the rear control arm mounting bolt (1)  and nut (2).

  13. Object Number: 1853091  Size: SH
  14. Remove the lower control arm from the vehicle.

Installation Procedure


    Object Number: 1853091  Size: SH
  1. Position the lower control arm in the front bushing and the rear mounting bracket.
  2. Install and hand tighten the rear lower control arm mounting bolt and nut.
  3. Notice: Refer to Fastener Notice in the Preface section.


    Object Number: 1853070  Size: SH
  4. Install the front lower control arm nut (4) on the mounting stud (3).
  5. Tighten
    Tighten the front lower control arm nut to 150 N·m (111 lb ft).

  6. Install the rear lower control arm nut (2) and the bolt (1).
  7. Tighten
    Tighten the rear lower control arm nut to 75 N·m (55 lb ft).

  8. Install the lower ball joint in the steering knuckle.

  9. Object Number: 1853193  Size: SH
  10. Install the ball joint mounting nut.
  11. Using an allen wrench with the proper size wrench, tighten the mounting nut.
  12. Tighten
    Tighten the mounting nut to 40 N·m (30 lb ft) plus 120 degrees.

  13. Install the outer tie rod end in the steering knuckle. Refer to Steering Linkage Outer Tie Rod Replacement.
  14. Install the tire and wheel assembly. Refer to Tire and Wheel Removal and Installation.
  15. Remove the support and lower the vehicle