GM Service Manual Online
For 1990-2009 cars only

Removal Procedure

Important: The following procedure indicates servicing the left side of the vehicle. Servicing the right side of the vehicle is similar.

  1. Raise and support the vehicle. Refer to Lifting and Jacking the Vehicle .
  2. Remove the rear shock absorber. Refer to Shock Absorber Replacement .

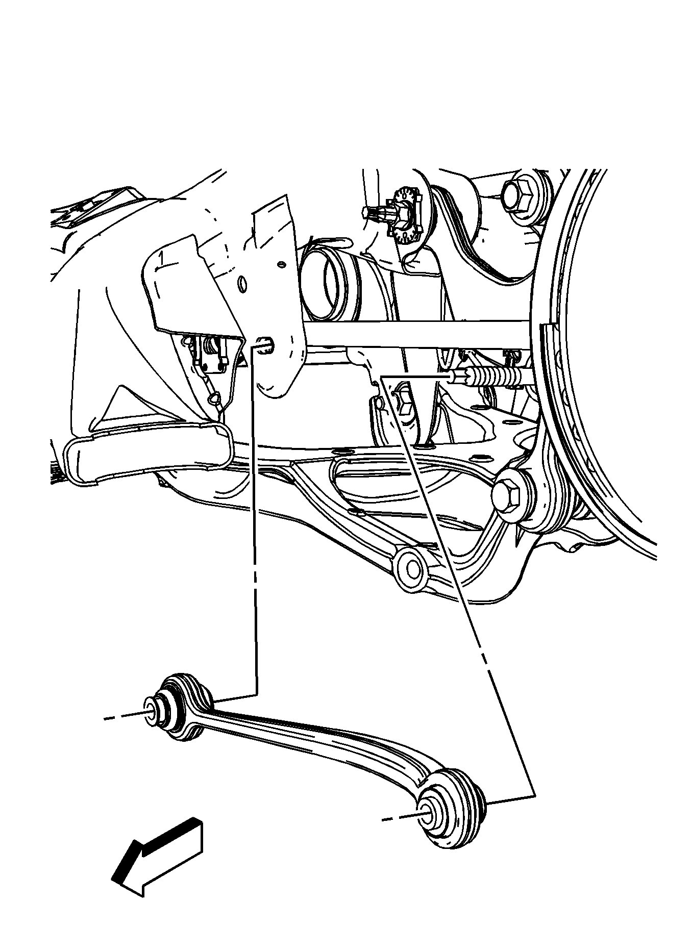
  3. Object Number: 1858817  Size: SH
  4. Remove the retaining nut from the adjuster link to the knuckle.

  5. Object Number: 1860564  Size: SH
  6. Install a wrench to hold the adjuster cam bolt.

  7. Object Number: 1860692  Size: SH

    Important: In steps 5 and 6, if servicing other suspension components, mark the relationship of the adjuster cams to the mounting brackets to aid in the re-installation of the adjustment link.

  8. Mark a point of reference on the adjuster cam and the mounting bracket.

  9. Object Number: 1860502  Size: SH
  10. Remove the front adjuster nut (1) and the adjuster cam (2).

  11. Object Number: 1860565  Size: SH
  12. Remove the rear adjuster nut (1), adjuster cam (2).
  13. Maneuver the adjuster bolt (3) so as to remove it from the mounting bracket.

  14. Object Number: 1860588  Size: MH
  15. Remove the adjuster link from the knuckle and the mounting bracket,

Installation Procedure


    Object Number: 1860588  Size: MH
  1. Install the adjuster link on the knuckle and in the mounting bracket.

  2. Object Number: 1860565  Size: SH
  3. Install the adjuster bolt (3) in the mounting bracket and adjuster link.
  4. Install the rear adjuster cam (2) and adjuster nut (1). Finger tighten the nut at this time.

  5. Object Number: 1860502  Size: SH
  6. Install the front adjuster cam (2) and the adjuster nut (1). Finger tighten the nut at this time.
  7. Notice: Refer to Fastener Notice in the Preface section.


    Object Number: 1858817  Size: SH
  8. Install the retaining nut for the adjuster link.
  9. Tighten
    Tighten the retaining nut to 75 N·m (55 lb ft) plus 60 degrees.

  10. Install the rear shock absorber. Refer to Shock Absorber Replacement .

  11. Object Number: 1860692  Size: SH

    Important: If servicing other suspension components, align the relationship marks on the adjuster cam and the mounting brackets to aid in the re-installation of the adjustment link.

  12. Align the reference marks on the adjuster cam and the mounting bracket.

  13. Object Number: 1860564  Size: SH
  14. Install a wrench to hold the adjuster cam bolt.
  15. Tighten the adjuster cam nuts.
  16. Tighten
    Tighten the adjuster cam nuts to 140 N·m (103 lb ft).

  17. Remove the support and lower the vehicle.
  18. Align the rear suspension. Refer to Wheel Alignment Specifications .