GM Service Manual Online
For 1990-2009 cars only
Makes
🢒
Saturn
🢒
2007
🢒
OUTLOOK - FWD
🢒
Brakes
🢒
Antilock Brake System
🢒 Antilock Brake System Component Views
Figure
1:
Near the Brake Booster
(1)
Brake Fluid Level Switch
(2)
Left Fender
(3)
G103
(4)
G101
(5)
G115
(6)
G105
(7)
Electronic Brake Control Module (EBCM)
(8)
Brake Booster Vacuum Sensor
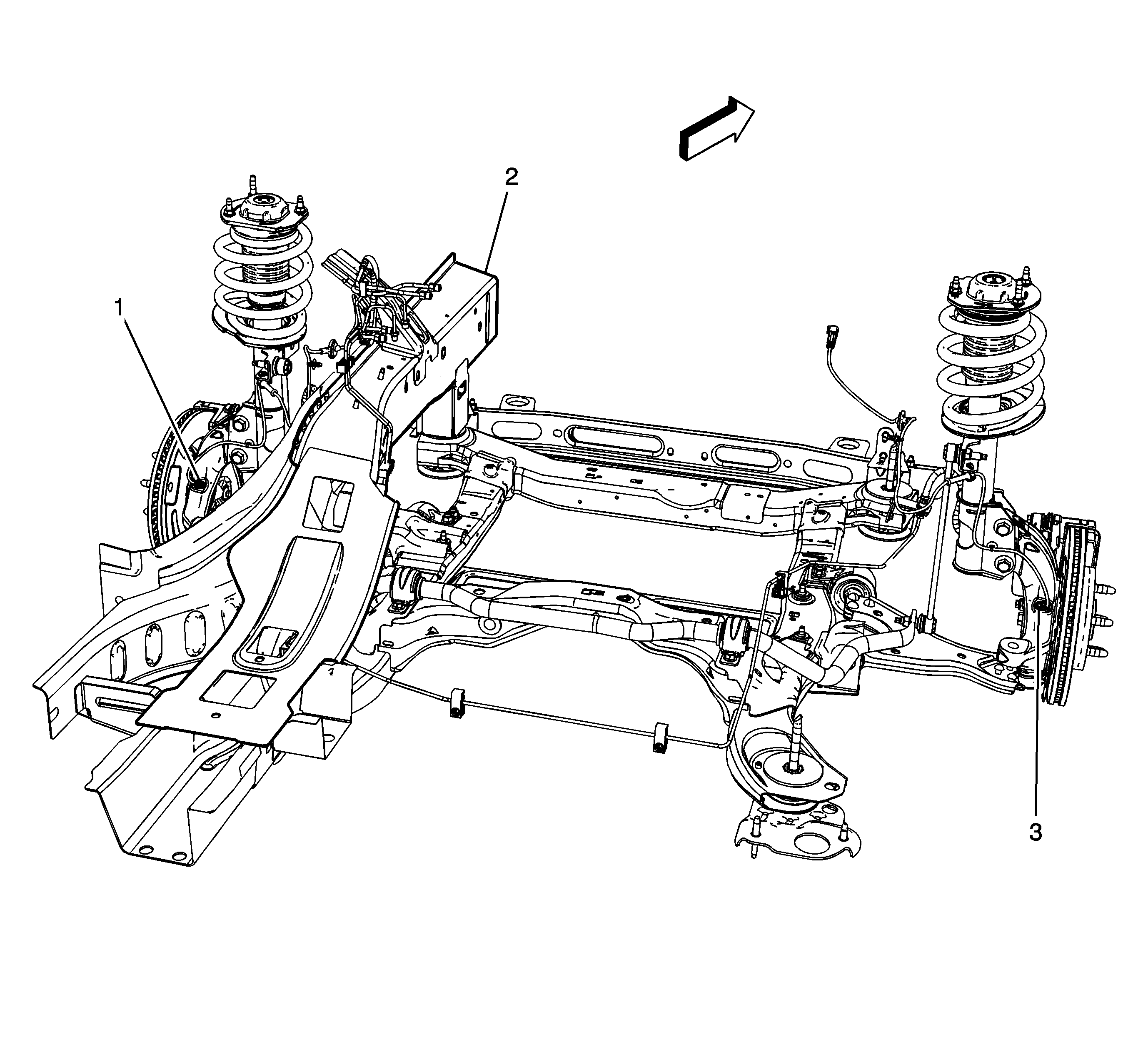
Figure
2:
Front Wheel Speed Sensors
(1)
Wheel Speed Sensor (WSS) - Left Front
(2)
Left Front Frame Rail
(3)
Wheel Speed Sensor (WSS) - Right Front
Figure
3:
I/P Components
(1)
Headlamp Switch
(2)
Instrument Panel Cluster (IPC)
(3)
Radio
(4)
Sunload Sensor (CJ2) / Ambient Light Sensor (C67)
(5)
I/P Trim
(6)
Inflatable Restraint PASSENGER AIR BAG ON/OFF Indicator
(7)
HVAC Control Module
(8)
Heated Seat Switch - Passenger (KA1)
(9)
Auxiliary Power Outlet - I/P
(10)
I/P Switch Assembly
(11)
Heated Seat Switch - Driver (KA1)
(12)
Hazard Switch and Driver Information Center (DIC) Switch (W49/Z88)
(13)
Head Up Display (HUD) Switch (WDA with UV6))
(14)
Driver Information Center (DIC) Switch (WDA with UH9)/Head Up Display (HUD) Switch (W49 or Z88 with UV6)
Figure
4:
Steering Column Components
(1)
Tilt/Telescope Switch (N38)
(2)
Turn Signal/Multifunction Switch
(3)
Inflatable Restraint Steering Wheel Module Coil
(4)
Theft Deterrent Control Module
(5)
Steering Wheel Speed Position Sensor
(6)
Ignition Lock Cylinder Control Actuator
(7)
Ignition Switch
(8)
Tilt Motor (N38)
(9)
Telescope Actuator (N38)
Figure
5:
Near the Passenger Seat
(1)
Passenger Seat
(2)
Battery Current Sensor
(3)
Battery
(4)
G304
(5)
Inflatable Restraint Sensing and Diagnostic Module (SDM)
(6)
Inflatable Restraint Vehicle Rollover Sensor
(7)
Yaw Rate and Lateral Accelerometer Sensor
Figure
6:
Rear Wheel Speed Sensors
(1)
Wheel Speed Sensor (WSS) - Left Rear
(2)
Wheel Speed Sensor (WSS) - Right Rear
(3)
Rear Suspension Frame