GM Service Manual Online
For 1990-2009 cars only
Table 1: Control Valve Body Cover Removal
Table 2: Control Solenoid (w/Body and TCM) Valve Assembly Removal
Table 3: Control Valve Body Assembly and Output Speed Sensor Removal

Control Valve Body Cover Removal


Object Number: 1737781  Size: MF

Control Valve Body Cover Removal

Callout

Component Name

1

Control Valve Body Cover Stud M6 x 30 (Qty: 2)

2

Control Valve Body Cover Bolt M6 x 30 (Qty: 12)

3

Control Valve Body Cover

4

Control Valve Body Cover Gasket

Tip
Do not re-use the valve body cover gasket.

5

Control Valve Body Cover Wiring Connector Hole Seal

Notice: Support the control solenoid valve assembly around the connector when removing the seal. Excessive pulling force can damage the internal electrical connections.

6

Shift Position Switch Connector

7

Output Speed Sensor Connector

8

Input Speed Sensor Connector

Control Solenoid (w/Body and TCM) Valve Assembly Removal


Object Number: 1737783  Size: MF

Control Solenoid (w/Body and TCM) Valve Assembly Removal

Callout

Component Name

1

Control Valve Body Bolt M6 x 80 (Qty: 4)

2

Control Solenoid Valve Spring

3

Control Valve Body Bolt M6 x 65 (Qty: 2)

4

Control Valve Body Bolt M6 x 42 (Qty: 1)

5

Control Valve Body Bolt M6 x 95 (Qty: 3)

6

Control Valve Body Bolt M6 x 55 (Qty: 1)

7

Control Solenoid (w/Body and TCM) Valve Assembly

8

Control Solenoid Valve Assembly Filter Plate

Notice: Use care when removing or installing the filter plate assembly. A broken or missing retaining tab may not adequately secure the filter plate to the control solenoid valve assembly, resulting in possible damage or contamination.

Tip

    • Discard the filter plate. It is not reusable.
    • Inspect the pressure switch manifold seals for damage. Replace the control valve assembly as necessary.

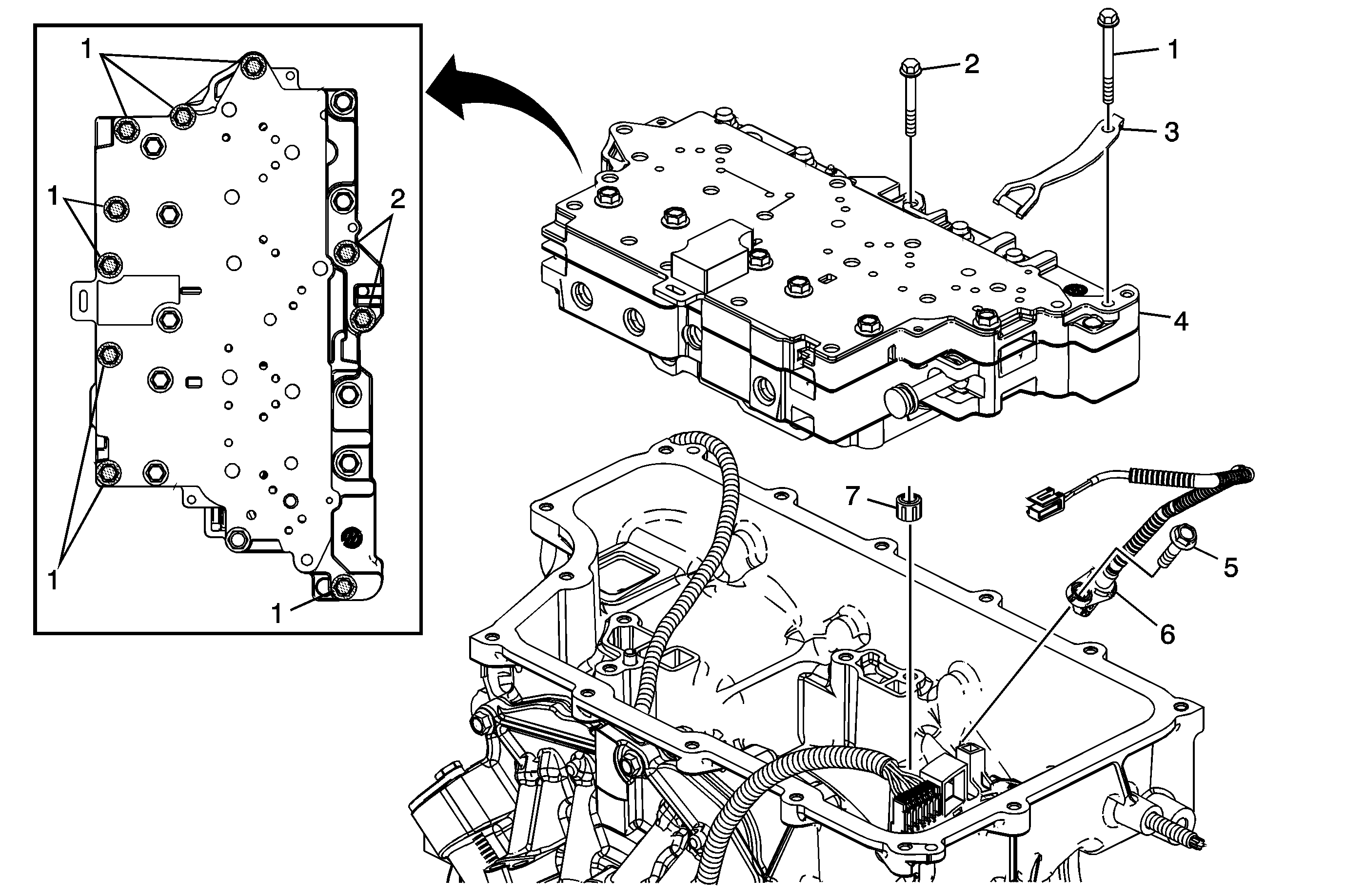
Control Valve Body Assembly and Output Speed Sensor Removal


Object Number: 1737784  Size: MF

Control Valve Body Assembly and Output Speed Sensor Removal

Callout

Component Name

1

Control Valve Body Bolt M6 x 65 (Qty: 8)

2

Control Valve Body Bolt M6 x 55 (Qty: 2)

3

Manual Shaft Detent Assembly

4

Control Valve Body Assembly

5

A/Trans Output Speed Sensor Bolt M6 x 25

6

A/Trans Output Speed Sensor

7

1-2-3-4 Clutch Fluid Passage Seal

Tip
The seal is not reusable.