GM Service Manual Online
For 1990-2009 cars only
Table 1: Output Speed Sensor and Valve Body Installation
Table 2: Control Valve Body Bolts Installation
Table 3: Filter Plate Installation
Table 4: Control Solenoid (w/Body and TCM) Valve Assembly Installation
Table 5: Wire Routing and Connector Locations
Table 6: Control Valve Body Cover Installation

Output Speed Sensor and Valve Body Installation


Object Number: 1737985  Size: MF

Output Speed Sensor and Valve Body Installation

Callout

Component Name

1

1-2-3-4 Clutch Fluid Passage Seal

2

A/Trans Output Speed Sensor Assembly

3

A/Trans Output Speed Sensor Assembly Bolt M6 x 25

Notice: Refer to Fastener Notice in the Preface section.

Tighten
12 N·m (9 lb ft)

4

Control Valve Body Assembly

5

Manual Valve

Tip

    • Align the manual valve to the detent lever assembly.
    • Removing the manual shaft assembly pin will aid in aligning the manual valve to the detent lever. Install the manual shaft pin after the valve body assembly is installed using J 41229 , if it was not installed previously. Refer to Manual Shift Detent Lever with Shaft Position Switch Assembly and Park Pawl Actuator Removal .

Special Tool

J 41229 Manual Shaft Pin Installer

Control Valve Body Bolts Installation


Object Number: 1737988  Size: MF

Control Valve Body Bolts Installation

Callout

Component Name

1

Manual Shaft Detent Assembly

Tip
Ensure proper alignment of the detent assembly to the detent lever assembly with position switch while tightening the bolt. The detent assembly can move and hit the valve body assembly that could cause improper engagement with the detent lever assembly.

2

Control Valve Body Bolt M6 x 65 (Qty: 8)

Notice: Refer to Fastener Notice in the Preface section.

Procedure

Tighten in sequence to:

Tighten
12 N·m (9 lb ft).

3

Control Valve Body Bolt M6 x 55 (Qty: 2)

Procedure

Tighten in sequence to:

Tighten
12 N·m (9 lb ft).

Filter Plate Installation


Object Number: 1737993  Size: MF

Filter Plate Installation

Callout

Component Name

1

Control Solenoid Valve Assembly Filter Plate

Notice: Use care when removing or installing the filter plate assembly. A broken or missing retaining tab may not adequately secure the filter plate to the control solenoid valve assembly, resulting in possible damage or contamination.

Tip
Install a NEW filter plate to prevent fluid leaks past the oil seals.

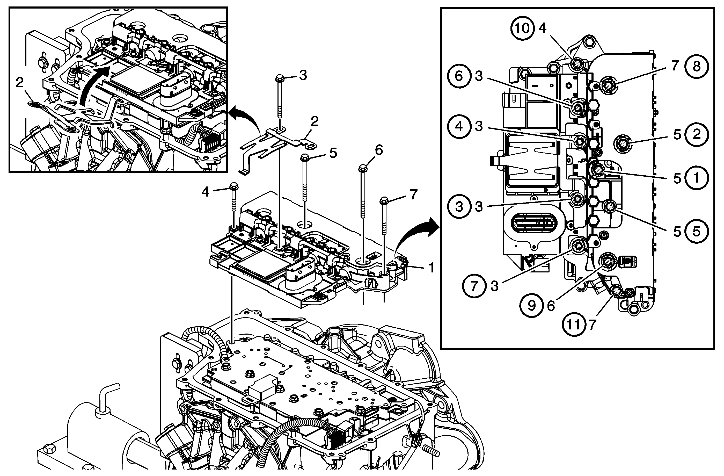
Control Solenoid (w/Body and TCM) Valve Assembly Installation


Object Number: 1737996  Size: MF

Control Solenoid (w/Body and TCM) Valve Assembly Installation

Callout

Component Name

Notice: Refer to Fastener Notice in the Preface section.

Preliminary Procedure

Install all bolts before tightening, then tighten in sequence to 12 N·m (9 lb ft).

1

Control Solenoid (w/Body and TCM) Valve Assembly

Notice: Do not drop the control solenoid with body and transmission control module (TCM) valve assembly. Internal damage can occur if the control solenoid with body and TCM valve assembly is dropped. DO NOT reuse the control solenoid with body and TCM valve assembly if it is dropped.

2

Control Solenoid Valve Spring

Tip

    • If the control solenoid spring is missing or improperly installed, the TCM may overheat causing the TCM to shut down. The transmission will default to 3rd or 5th gear.
    • Insert tab of spring into slot on spacer plate, then rotate into position.

3

Control Valve Body Bolt M6 x 80 (Qty: 4)

4

Control Valve Body Bolt M6 x 55 (Qty: 1)

5

Control Valve Body Bolt M6 x 95 (Qty: 3)

6

Control Valve Body Bolt M6 x 42 (Qty: 1)

7

Control Valve Body Bolt M6 x 65 (Qty: 2)

Wire Routing and Connector Locations


Object Number: 1737998  Size: MF

Wire Routing and Connector Locations

Callout

Component Name

Preliminary Procedure

Route all wires as shown.

1

Shift Position Switch Connector

2

Output Speed Sensor Connector

3

Input Speed Sensor Connector

Control Valve Body Cover Installation


Object Number: 1738000  Size: MF

Control Valve Body Cover Installation

Callout

Component Name

1

Control Valve Body Cover Wiring Connector Hole Seal

Tip
Holes in the seal must face down.

2

Control Valve Body Cover Assembly Gasket

3

Control Valve Body Cover Assembly

4

Control Valve Body Cover Bolt M6 x 30 (Qty: 12)

Notice: Refer to Fastener Notice in the Preface section.

Procedure

Tighten in sequence to:

Tighten
12 N·m (9 lb ft).

5

Control Valve Body Cover Stud M6 x 30 (Qty: 2)

Procedure

Tighten in sequence to:

Tighten
12 N·m (9 lb ft).