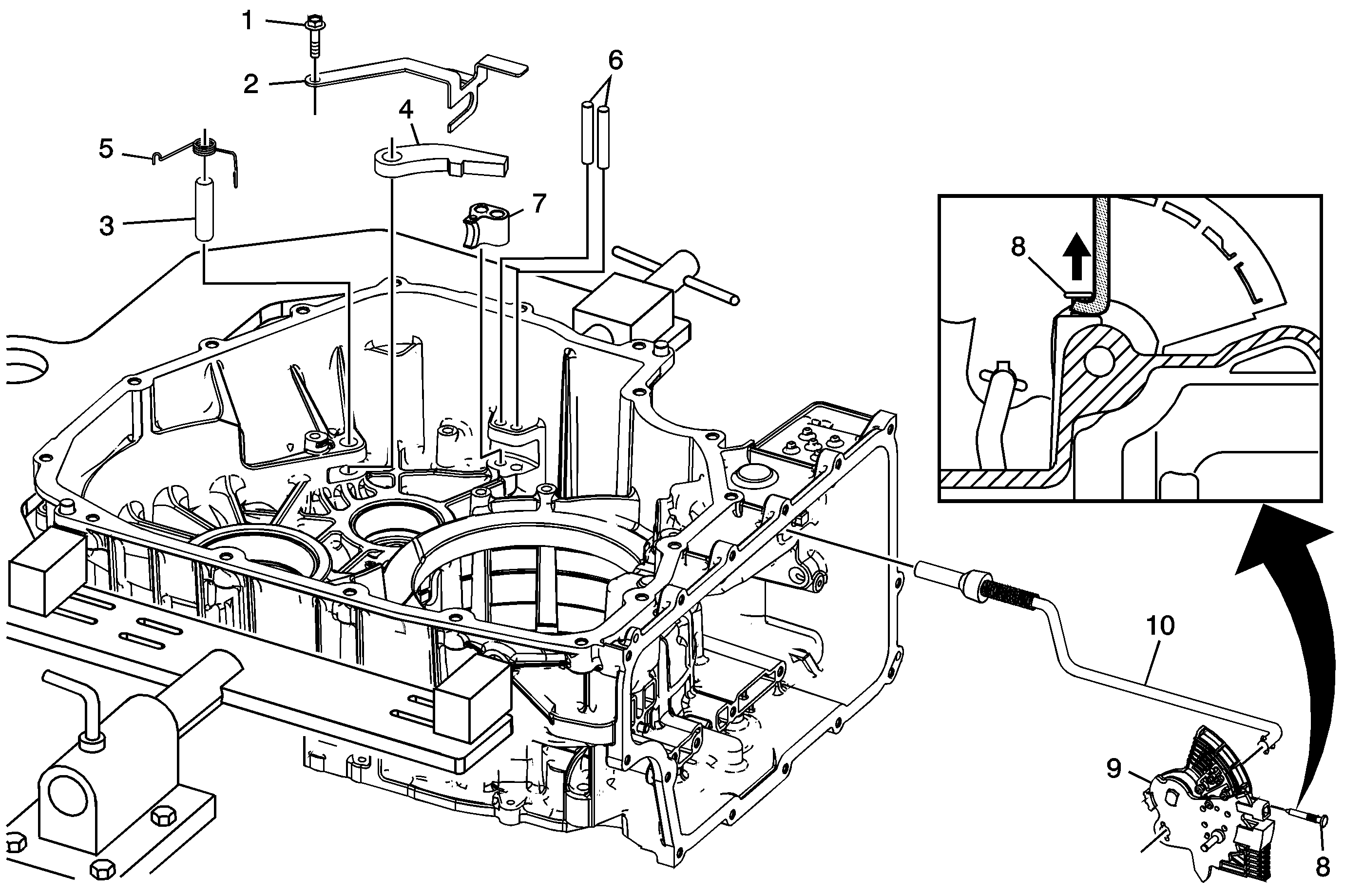
Callout | Component Name | ||||||||
|---|---|---|---|---|---|---|---|---|---|
1 | Park Pawl Actuator Bracket Bolt M6 x 25 (Qty: 2) | ||||||||
2 | Park Pawl Actuator Bracket | ||||||||
3 | Park Pawl Shaft | ||||||||
4 | Park Pawl | ||||||||
5 | Park Pawl Spring | ||||||||
6 | Park Pawl Actuator Guide Pin | ||||||||
7 | Park Pawl Actuator Guide | ||||||||
8 | Manual Shift Detent Lever Pin Tip
Special Tools
| ||||||||
9 | Manual Shaft Detent (w/Shift Position Switch) Lever Assembly Tip | ||||||||
10 | Park Pawl Actuator Assembly |