GM Service Manual Online
For 1990-2009 cars only

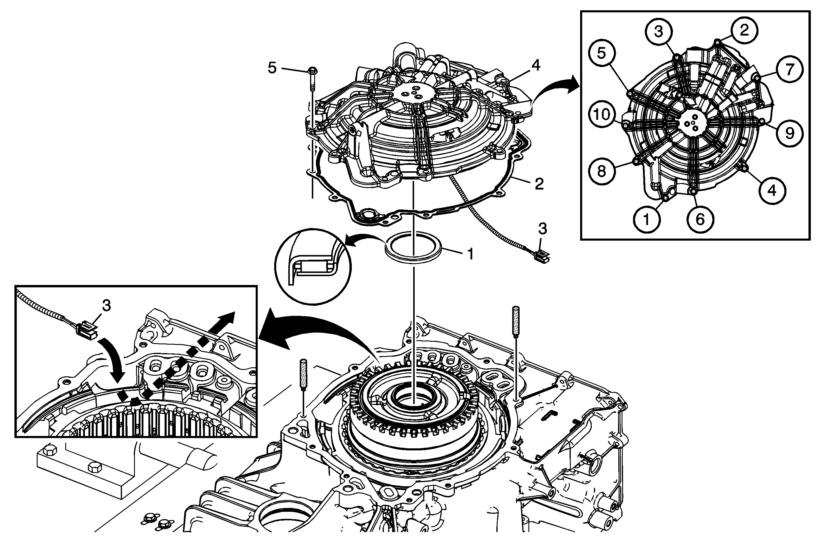
Object Number: 1737972  Size: MF

Callout

Component Name

1

Input Shaft Thrust Bearing

Tip
Note location of the orientation lip on bearing. All thrust bearings can only be assembled one way.

2

A/Trans Case Cover Gasket

3

Input Speed Sensor Wire Harness

Tip
Route the input speed sensor wire harness through the case passage.

4

A/Trans Case Cover Assembly

Procedure

  1. Use guide pins to install the case cover assembly to prevent damage to the input shaft thrust bearing.
  2. Pull the input speed sensor wire harness through the case passage while lowering the cover assembly onto the case.

Special Tools

J 39068 Guide Pins

5

A/Trans Case Cover Assembly Bolt M6 x 30 (Qty: 10)

Notice: Refer to Fastener Notice in the Preface section.

Procedure

Tighten in sequence shown.

Tighten
12 N·m (9 lb ft)