GM Service Manual Online
For 1990-2009 cars only

Object Number: 1862457  Size: MF

Callout

Component Name

Preliminary Procedures

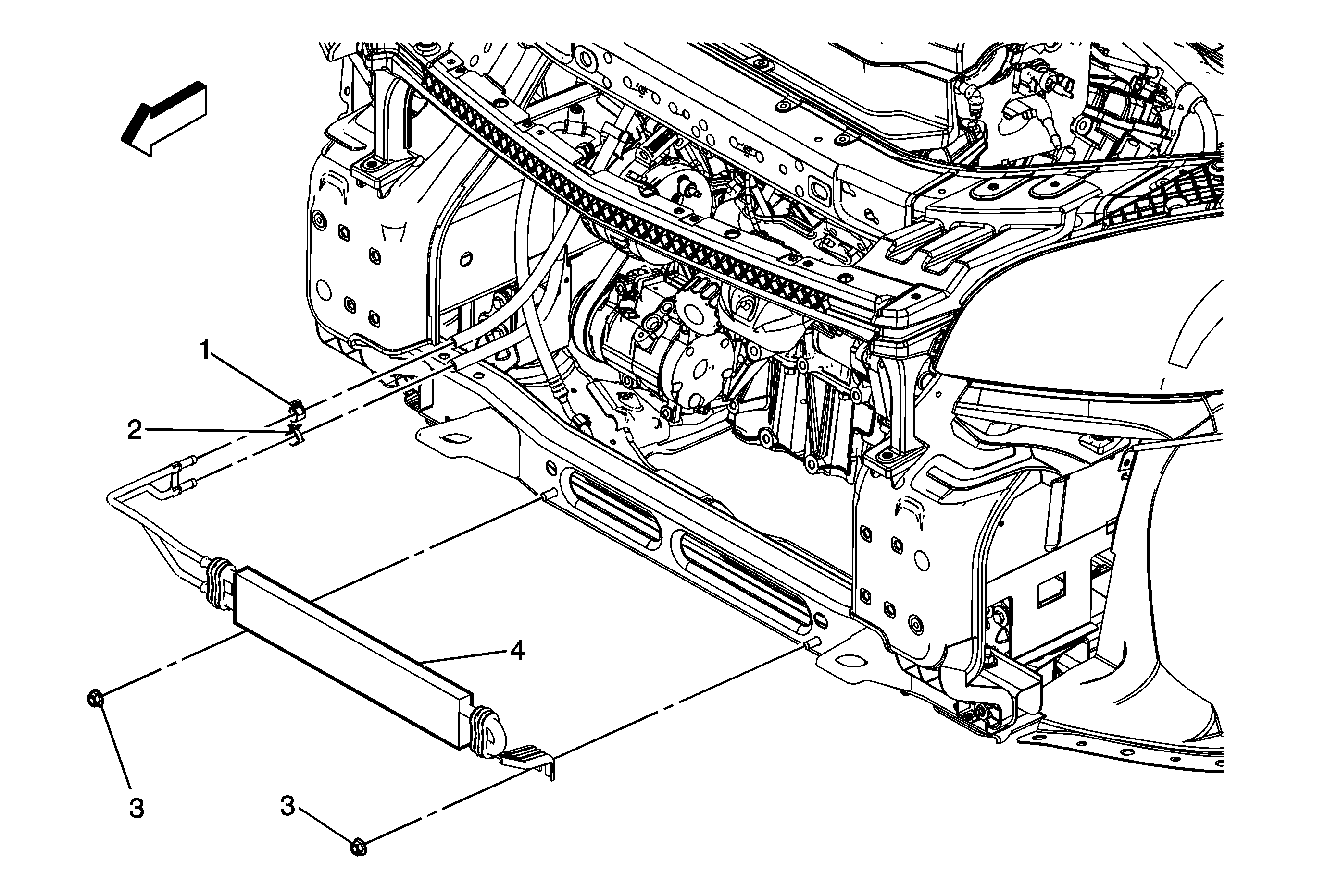
  1. Remove the front bumper lower fascia. Refer to Front Bumper Lower Fascia Replacement.
  2. Remove the lower retainers from the front bumper fascia. Refer to Front Bumper Fascia Replacement.

1

Power Steering Reservoir Inlet Hose Clamp

Procedure

  1. Remove as much power steering fluid from the remote power steering fluid reservoir as possible.
  2. Place drain pans under the vehicle as needed.

2

Power Steering Cooler Hose Clamp

3

Power Steering Fluid Cooler Nuts (Qty: 2)

Notice: Refer to Fastener Notice in the Preface section.

Tighten
30 N·m (22 lb in)

4

Power Steering Fluid Cooler

Procedure

Fill and bleed the power steering system. Refer to Power Steering System Bleeding.