GM Service Manual Online
For 1990-2009 cars only

Tools Required

J 39400-A Halogen Leak Detector

Removal Procedure

  1. Recover the refrigerant. Refer to Refrigerant Recovery and Recharging .
  2. Remove injector sight shield.
  3. Remove right engine mount strut. Refer to Engine Mount Strut Replacement - Right Side
  4. Remove underhood electrical center. Refer to Underhood Electrical Center or Junction Block Replacement
  5. Remove underhood electrical center bracket.
  6. Reposition wiring harness as required.
  7. Remove front bumper upper facia support. Refer to Front Bumper Fascia Upper Support Replacement

  8. Object Number: 1861638  Size: SH
  9. Remove the liquid line bolt from the A/C condenser (1).
  10. Disconnect the liquid line from the A/C condenser (2).

  11. Object Number: 1861639  Size: SH
  12. Remove the liquid line to auxiliary tube nut (1).

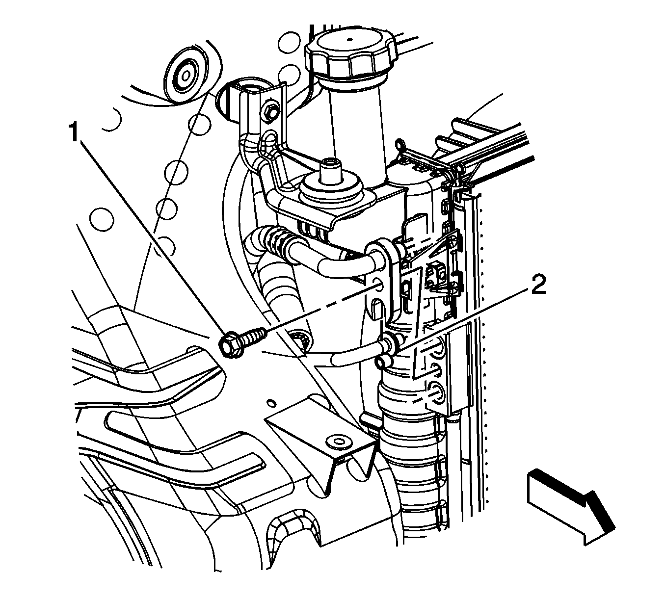
  13. Object Number: 1861640  Size: SH
  14. Remove TXV tube retainer nut (1).
  15. Disconnect the liquid line (2) and evaporator hose/tube from the TXV at plenum panel.

  16. Object Number: 1861641  Size: SH
  17. Remove the attaching liquid line clamp nuts along right inner frame rail and plenum panel (1).
  18. Remove the liquid line bracket bolt at right side of upper tie bar support (2).
  19. Remove the liquid line.
  20. Remove and discard the discharge line sealing washer.

Installation Procedure


    Object Number: 1861640  Size: SH
  1. Install new sealing washers to the liquid line. Refer to Sealing Washer Replacement .
  2. Connect the liquid line (2) and evaporator hose/tube to the TXV at plenum panel.
  3. Notice: Refer to Fastener Notice in the Preface section.

  4. Install the liquid line to TXV nut (1).
  5. Tighten
    Tighten the bolt to 9 N·m (80 lb in).


    Object Number: 1861639  Size: SH
  6. Connect the liquid line to the auxiliary evaporator tube.
  7. Install the liquid line nut (1).
  8. Tighten
    Tighten the bolt to 9 N·m (80 lb in).


    Object Number: 1861638  Size: SH
  9. Install the liquid line to the condenser (2).
  10. Install the liquid line nut (1).
  11. Tighten
    Tighten the bolt to 9 N·m (80 lb in).


    Object Number: 1861641  Size: SH
  12. Install liquid line bracket bolt to upper tie bar support (2).
  13. Tighten
    Tighten the bolt to 9 N·m (80 lb in).

  14. Install the liquid line bracket nuts along frame rail and plenum panel (1).
  15. Tighten
    Tighten the bolt to 4 N·m (35 lb in).

  16. Install underhood electrical center bracket.
  17. Install underhood electrical center. Refer to Underhood Electrical Center or Junction Block Replacement
  18. Install front bumper upper facia support. Refer to Front Bumper Fascia Upper Support Replacement
  19. Install right engine mount strut. Refer to Engine Mount Strut Replacement - Right Side
  20. Install injector sight shield.
  21. Evacuate and recharge the refrigerant system. Refer to Refrigerant Recovery and Recharging .
  22. Leak test the fittings of the component using J 39400-A .