GM Service Manual Online
For 1990-2009 cars only
Makes
🢒
Saturn
🢒
2007
🢒
OUTLOOK - FWD
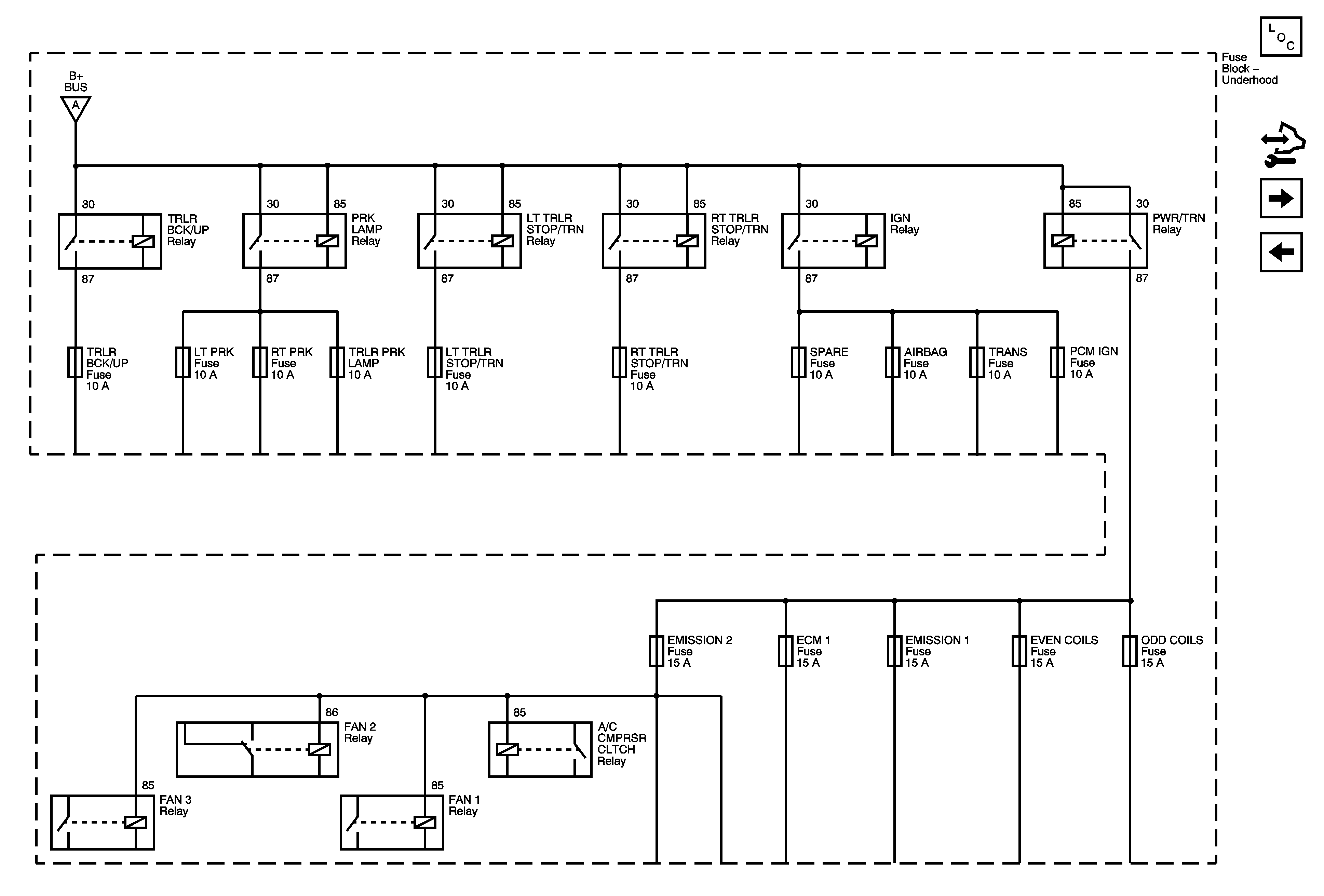
🢒 B+ Bus 2 of 2
B+ Bus 2 of 2
B+ Bus 2 of 2
Master Electrical Component List
Control Module References
AIRBAG, AMP, BATT 1, BCM, CNSTR/VENT, CSTY, DISPLAY, INADV/PWR/LED, INFOTAINMENT, MSM, POWER MOD, and RADIO Fuses
B+ Bus 1 of 2
B+ Bus 1 of 2