GM Service Manual Online
For 1990-2009 cars only
Makes
🢒
Saturn
🢒
2007
🢒
OUTLOOK - FWD
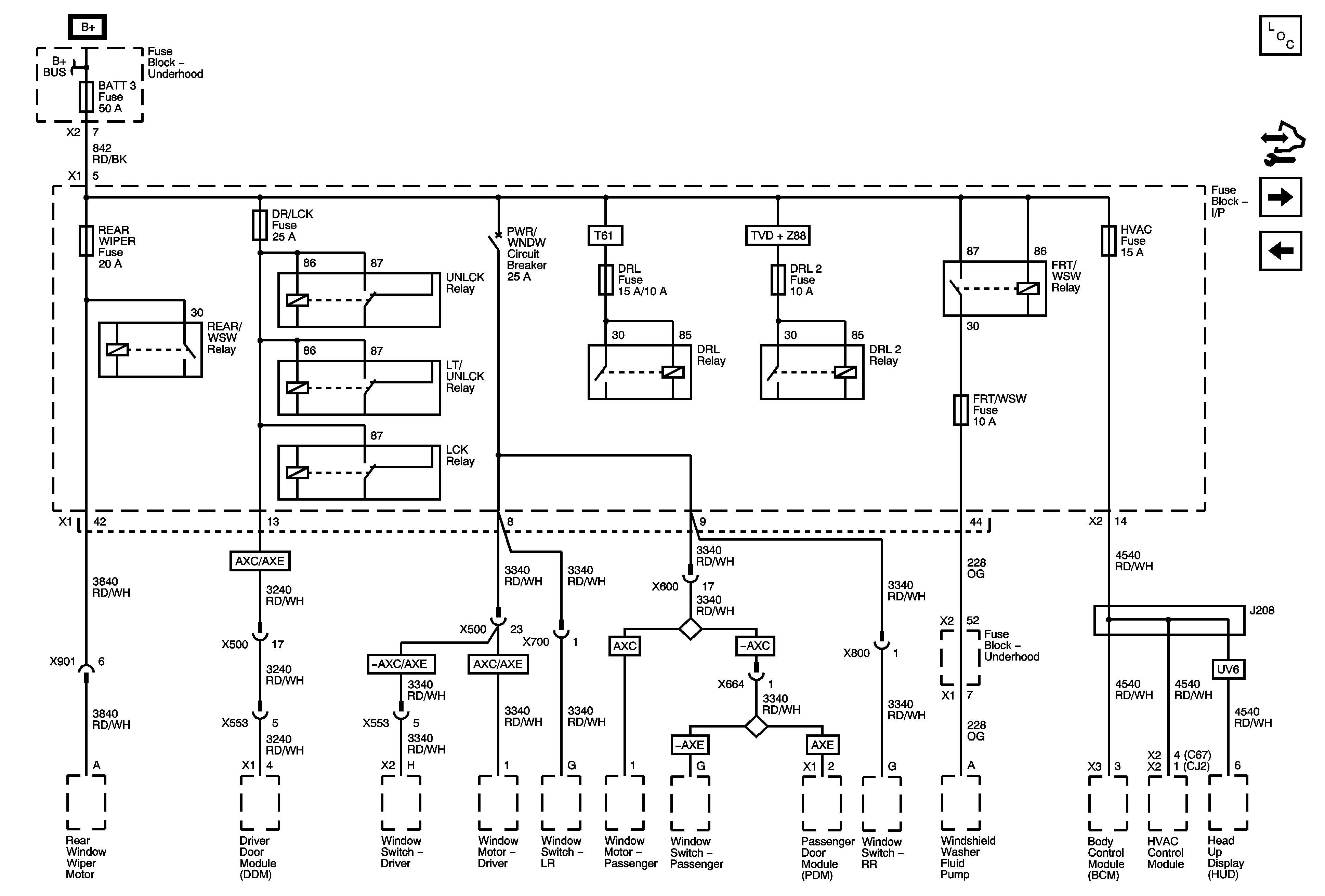
🢒 BATT 3, DRL, DRL 2, DR/LCK, FRT/WSW, HVAC, and REAR WIPER Fuses, PWR/WNDW Circuit Breaker
BATT 3, DRL, DRL 2, DR/LCK, FRT/WSW, HVAC, and REAR WIPER Fuses, PWR/WNDW Circuit Breaker
BATT 3, DRL, DRL 2, DR/LCK, FRT/WSW, HVAC, and REAR WIPER Fuses, PWR/WNDW Circuit Breaker
Master Electrical Component List
Control Module References
ABS MTR, ABS MTR, AWD, ECM, HTD WASH, HVAC BLWR, PWR L/GATE, PWR OUTLET, RR APO, RR HVAC, S/ROOF/SUNSHADE and TCM Fuses
BATT 2, BCK/UP/STOP, HTD/SEAT, LT/TRN/SIG, PDM, PWR/MIRRORS, and RT/TRN/SIG Fuses, LT/PWR/SEAT, PWR/COLUMN, and RT/PWR/SEAT Circuit Breakers
B+ Bus 1 of 2