GM Service Manual Online
For 1990-2009 cars only
Makes
🢒
Saturn
🢒
2007
🢒
OUTLOOK - FWD
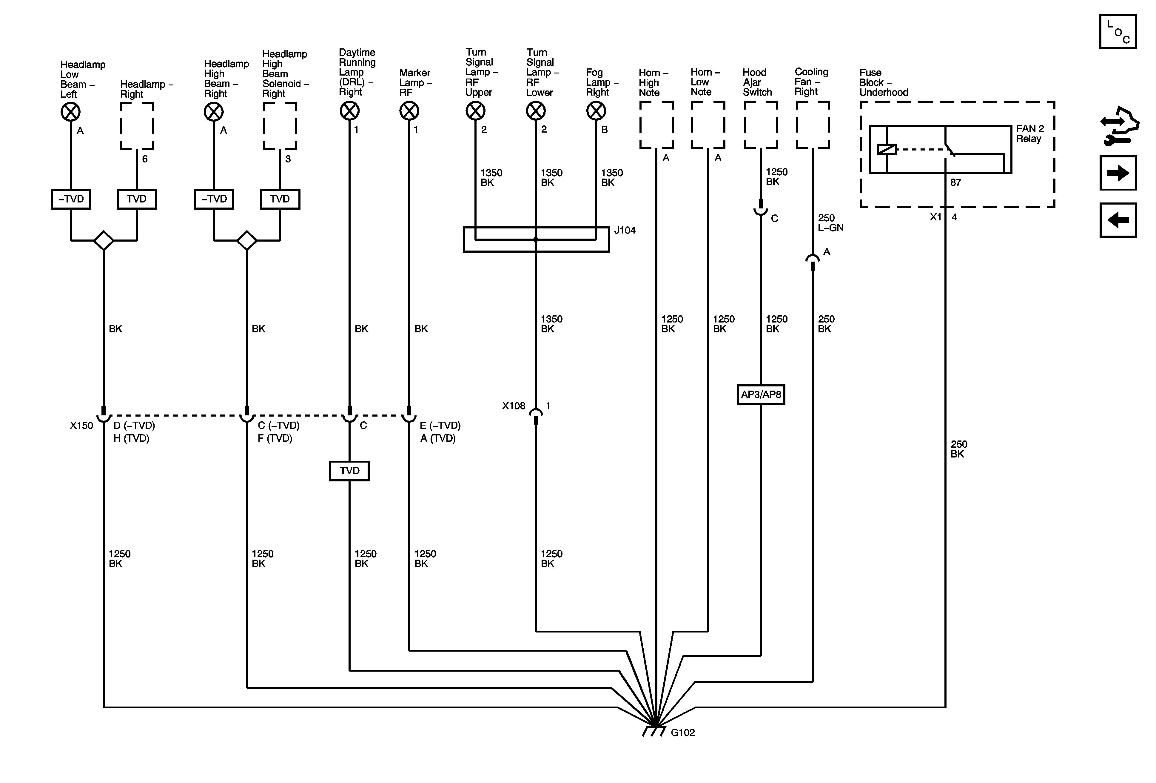
🢒 G102 (WDA)
G102 (WDA)
G102 (WDA)
Master Electrical Component List
Control Module References
G102 (Z88)
G102 (W49)