GM Service Manual Online
For 1990-2009 cars only
Makes
🢒
Saturn
🢒
2007
🢒
OUTLOOK - FWD
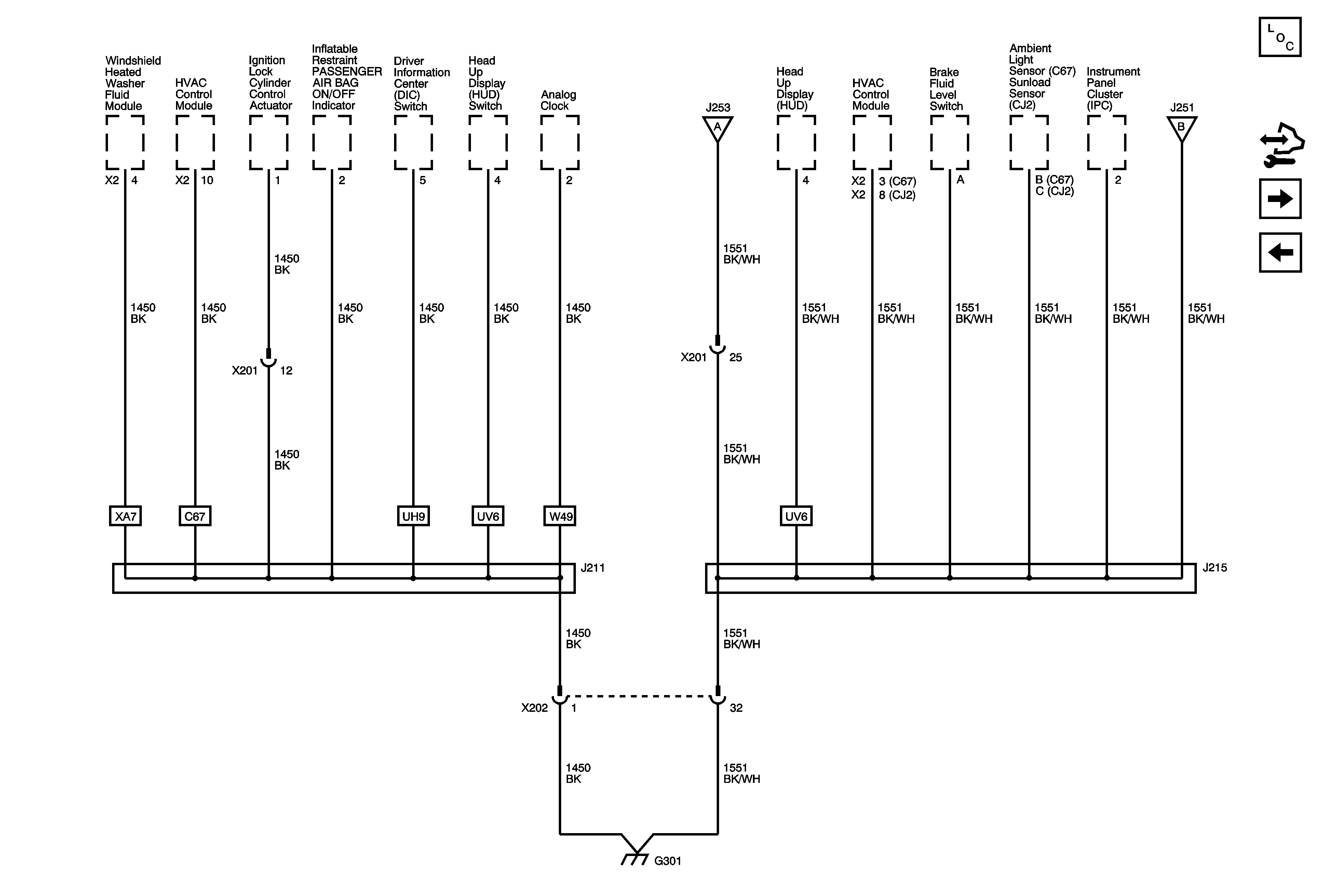
🢒 G301 1 of 2
G301 1 of 2
G301 1 of 2
Master Electrical Component List
Control Module References
G301 2 of 2
G300