GM Service Manual Online
For 1990-2009 cars only
Makes
🢒
Saturn
🢒
2007
🢒
OUTLOOK - FWD
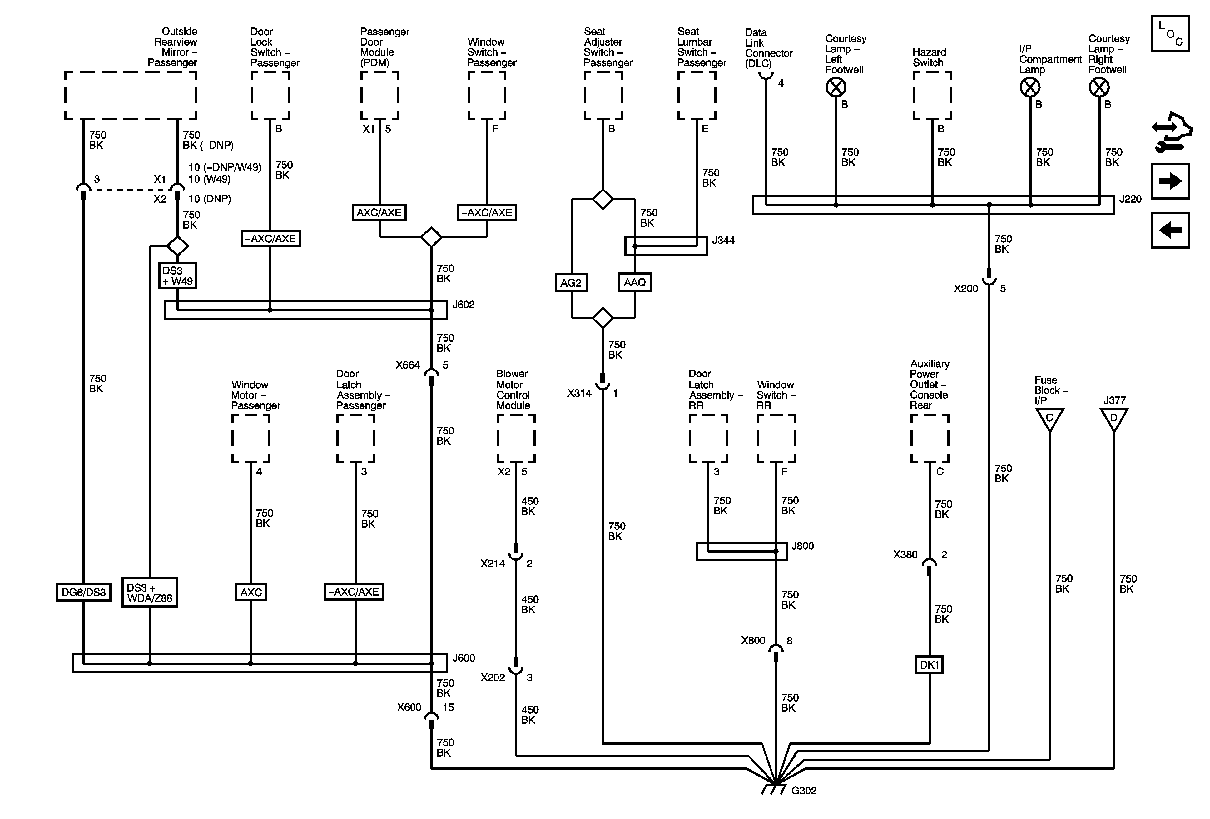
🢒 G302 1 of 3
G302 1 of 3
G302 1 of 3
Master Electrical Component List
Control Module References
G302 2 of 3
G301 2 of 2