GM Service Manual Online
For 1990-2009 cars only
Makes
🢒
Saturn
🢒
2007
🢒
OUTLOOK - FWD
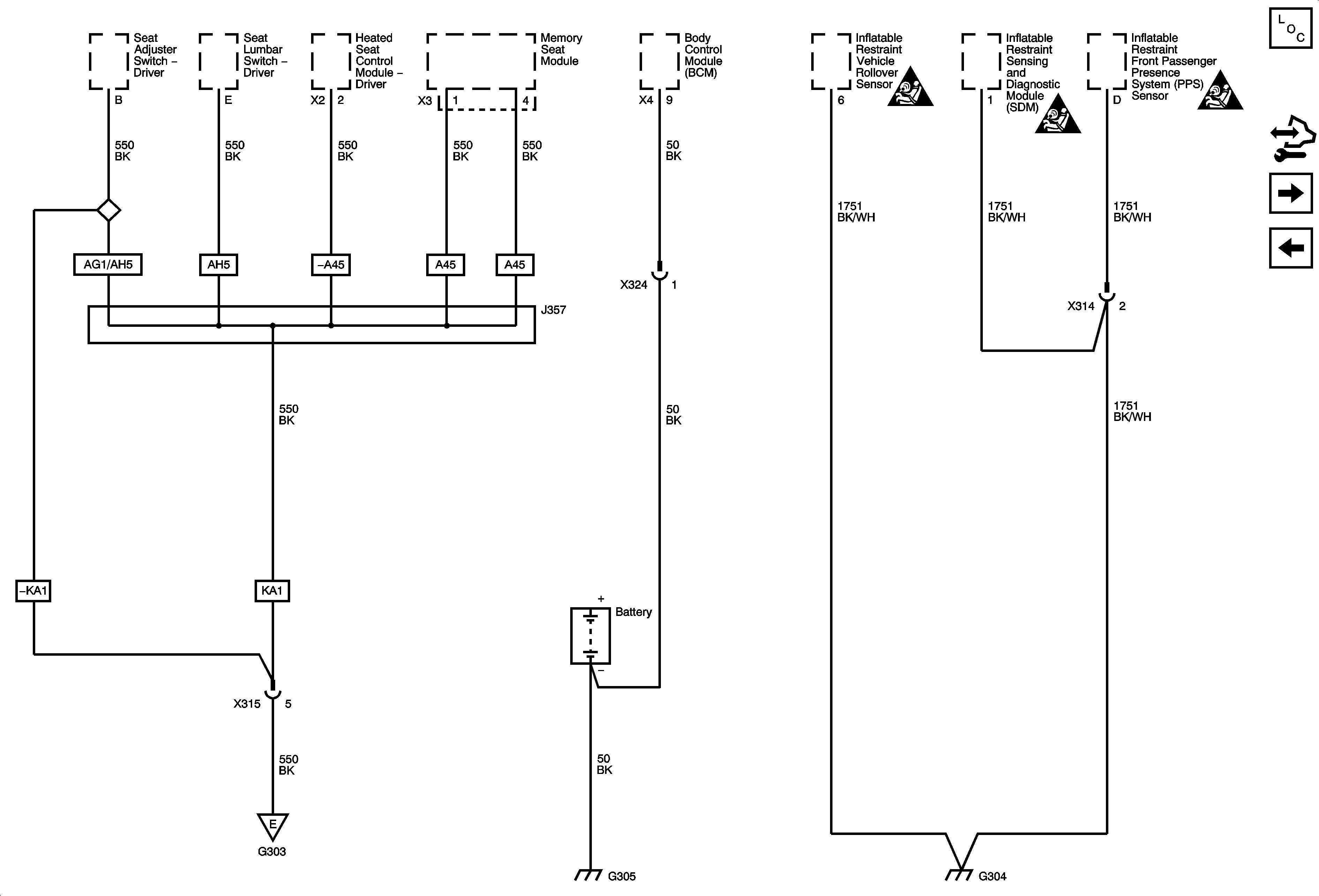
🢒 G303 2 of 2, G304, and G305
G303 2 of 2, G304, and G305
G303 2 of 2, G304, and G305
Master Electrical Component List
Control Module References
G401 1 of 2
G303 1 of 2