GM Service Manual Online
For 1990-2009 cars only
Makes
🢒
Saturn
🢒
2007
🢒
OUTLOOK - FWD
🢒 Sensors
Sensors
Sensors
Master Electrical Component List
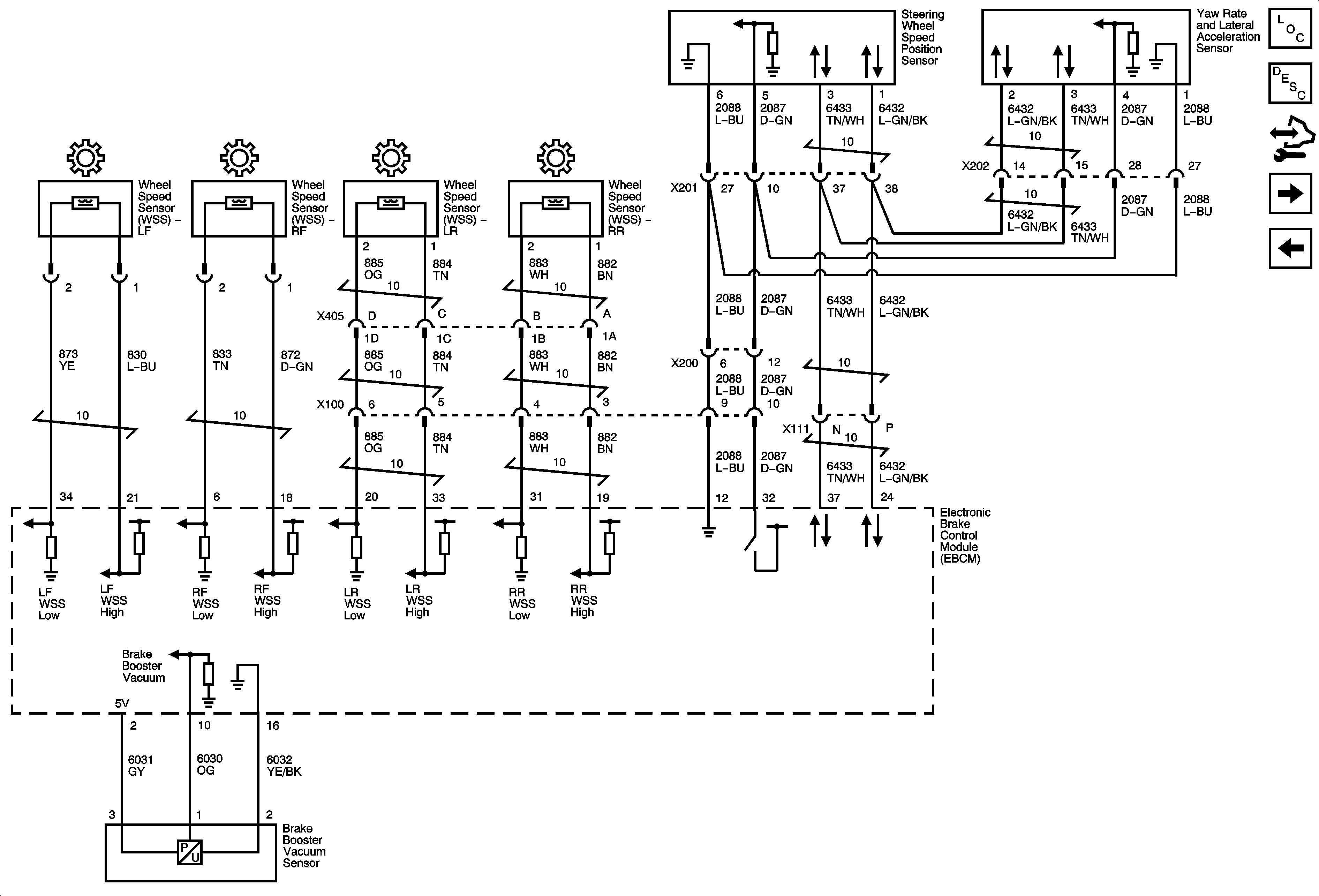
ABS Description and Operation
Control Module References
TCS Control and Indicators
Module Power and Ground, Subsystem References