GM Service Manual Online
For 1990-2009 cars only
Makes
🢒
Saturn
🢒
2007
🢒
OUTLOOK - FWD
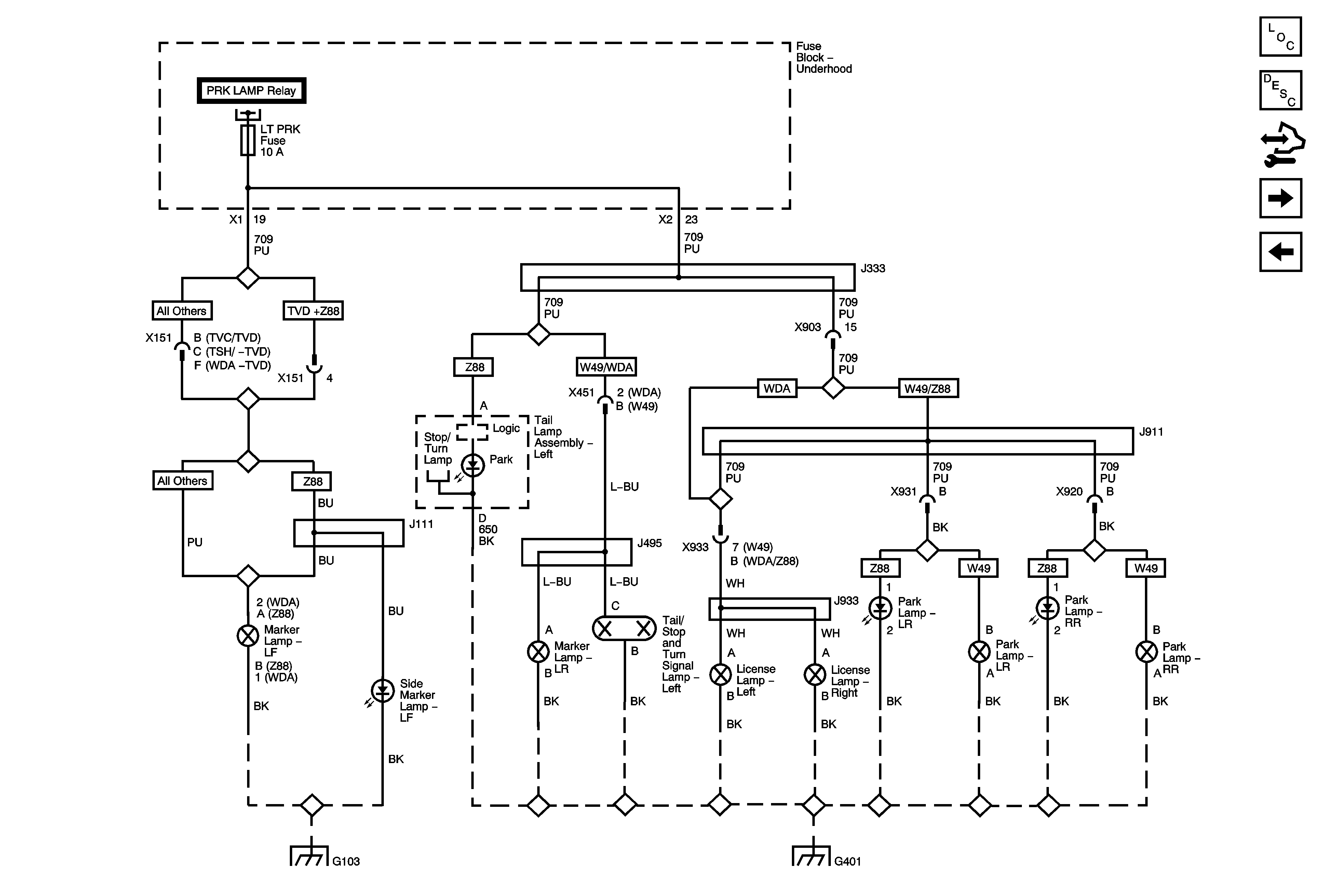
🢒 Left Park Lamps
Left Park Lamps
Left Park Lamps