GM Service Manual Online
For 1990-2009 cars only
Makes
🢒
Saturn
🢒
2007
🢒
OUTLOOK - FWD
🢒 AH5
AH5
AH5
Master Electrical Component List
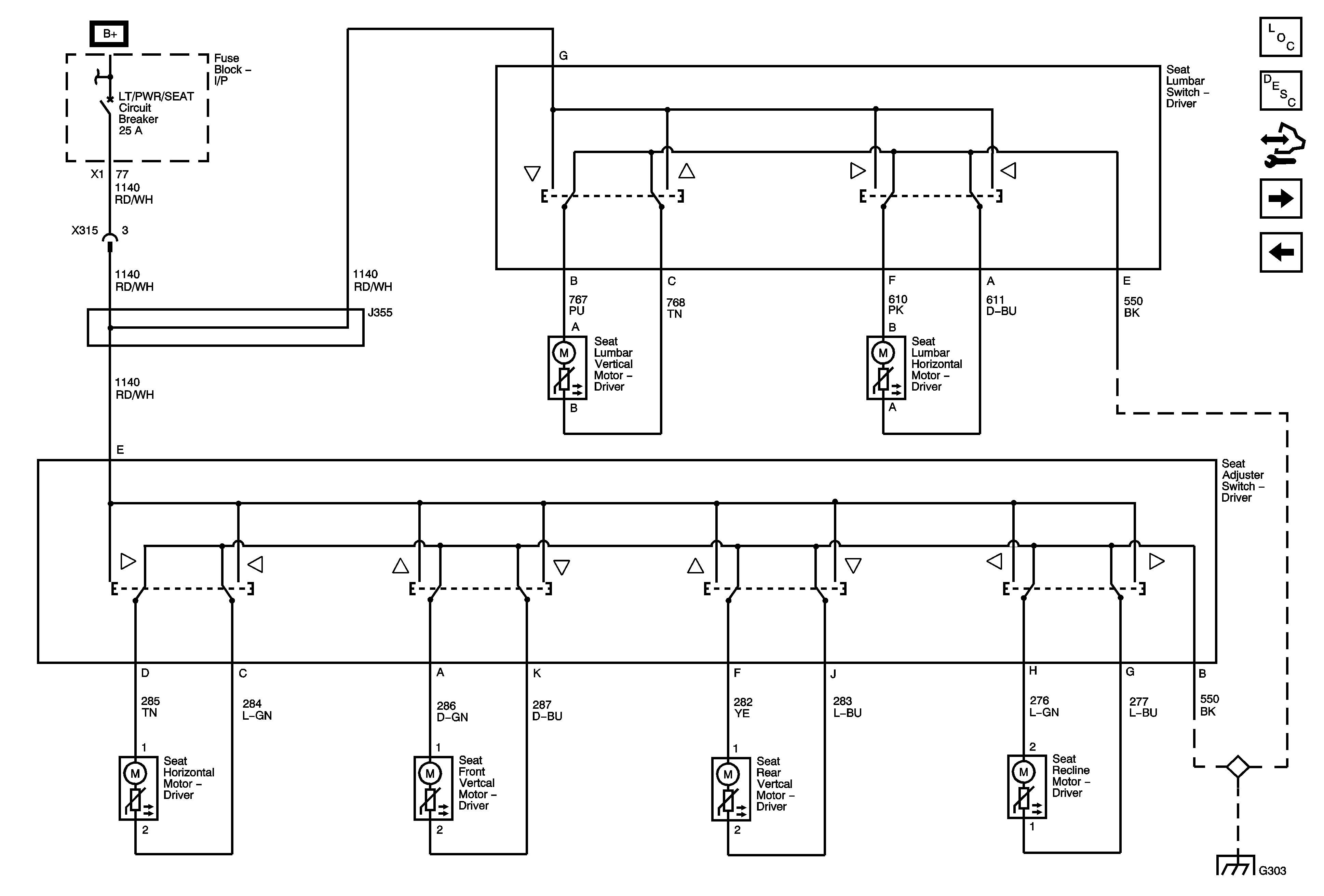
Power Seats System Description and Operation
Control Module References
AG3 Module Power and Data Communication, Driver Switches
AG1
BATT 2, BCK/UP/STOP, HTD/SEAT, LT/TRN/SIG, PDM, PWR/MIRRORS, and RT/TRN/SIG Fuses, LT/PWR/SEAT, PWR/COLUMN, and RT/PWR/SEAT Circuit Breakers
G303 1 of 2