GM Service Manual Online
For 1990-2009 cars only
Makes
🢒
Saturn
🢒
2007
🢒
OUTLOOK - FWD
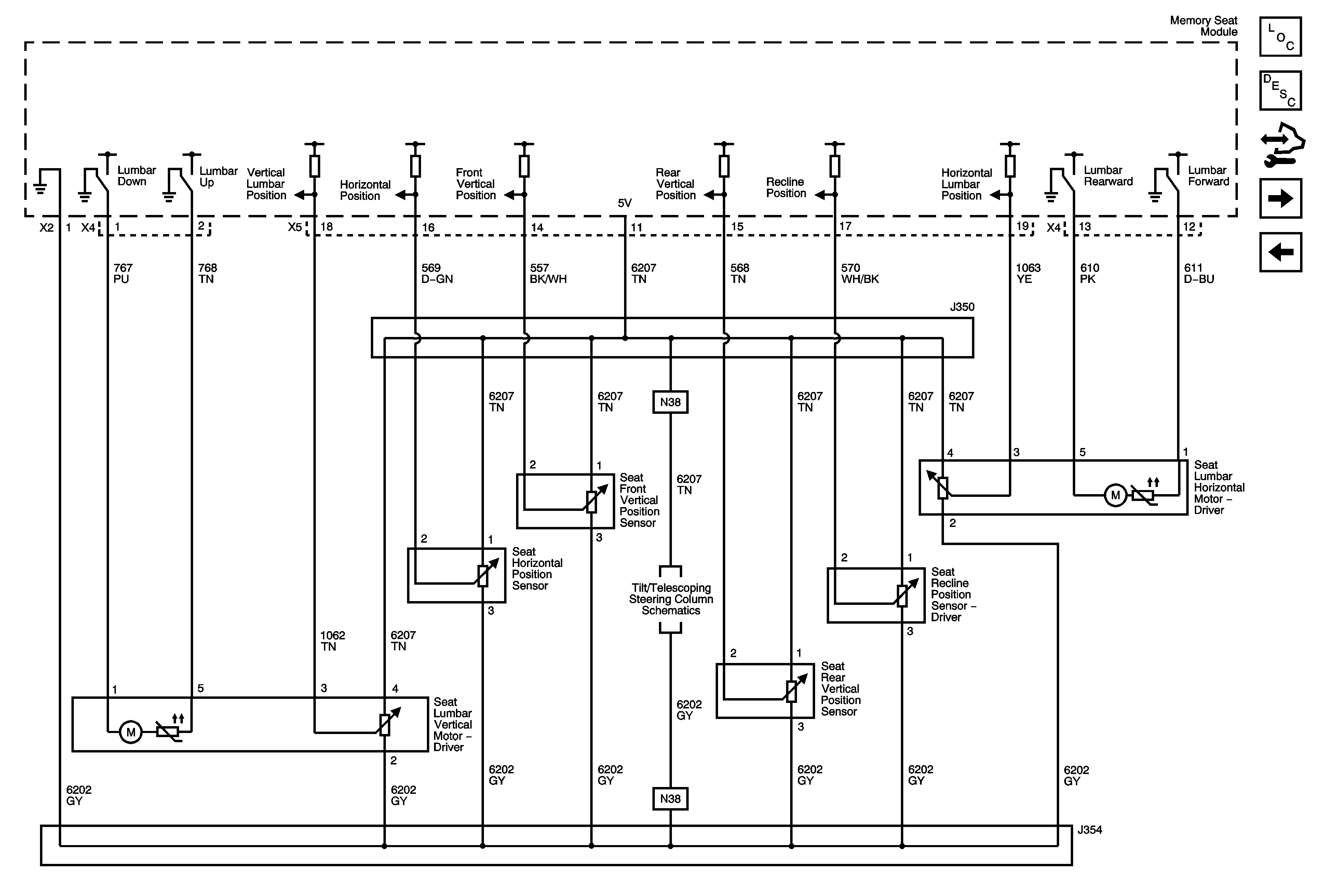
🢒 AG3 Position Sensors and Lumbar Motors
AG3 Position Sensors and Lumbar Motors
AG3 Position Sensors and Lumbar Motors
Master Electrical Component List
Memory Seats Description and Operation
Control Module References
AG3 Module Ground, Recline, Horizontal, and Vertical Motor
AG3 Module Power and Data Communication, Driver Switches