GM Service Manual Online
For 1990-2009 cars only
Makes
🢒
Saturn
🢒
2007
🢒
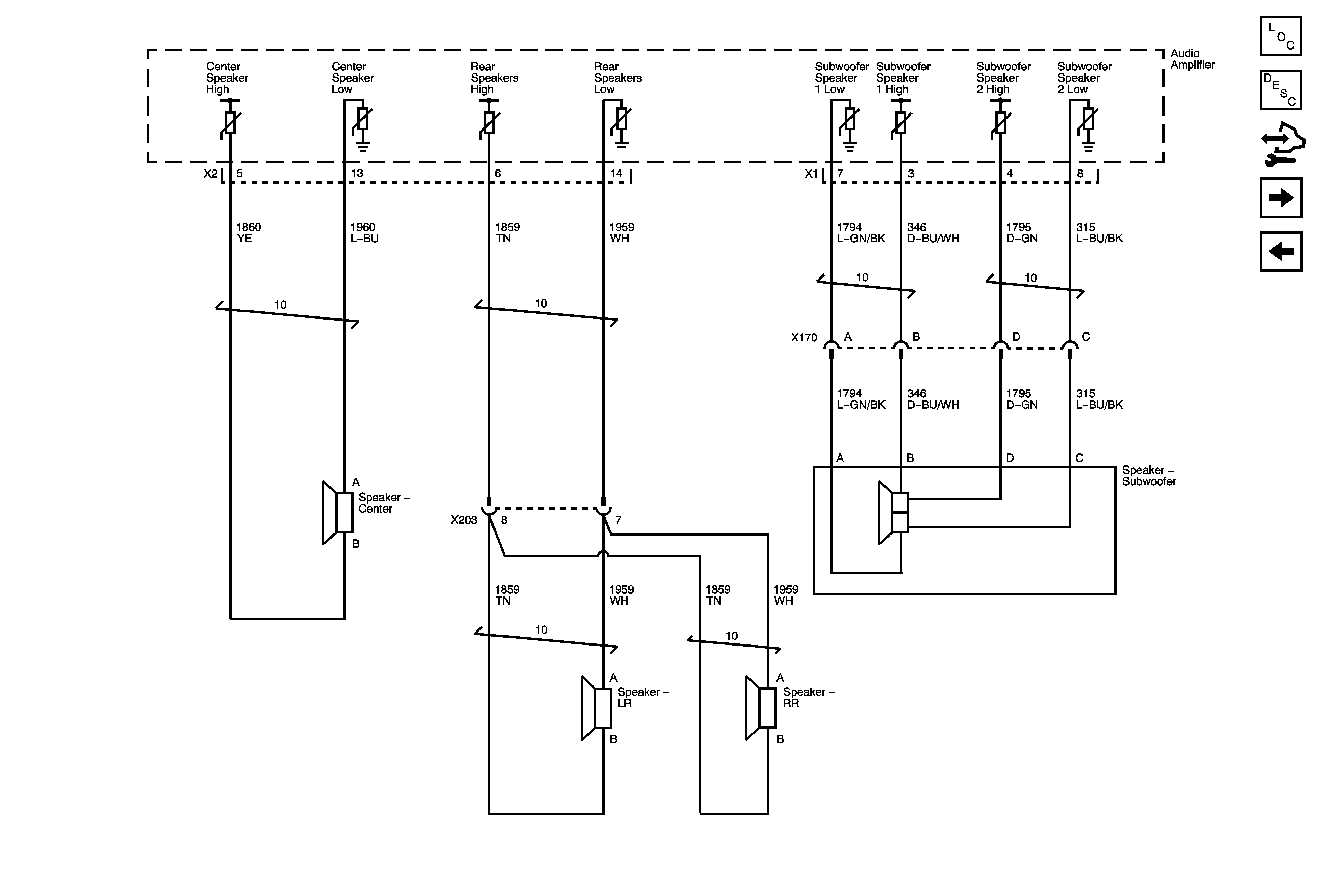
OUTLOOK - FWD
🢒 Except Door Speakers - UQG
Except Door Speakers - UQG
Except Door Speakers - UQG
Master Electrical Component List
Radio/Audio System Description and Operation
Control Module References
Rear Video/Audio/HVAC Module Power, Ground, Lighting, Data Communication, and Infrared Module
Except Door and A-Pillar Speakers - UQA/UQS