GM Service Manual Online
For 1990-2009 cars only
Makes
🢒
Saturn
🢒
2007
🢒
OUTLOOK - FWD
🢒 C3U
C3U
C3U
Master Electrical Component List
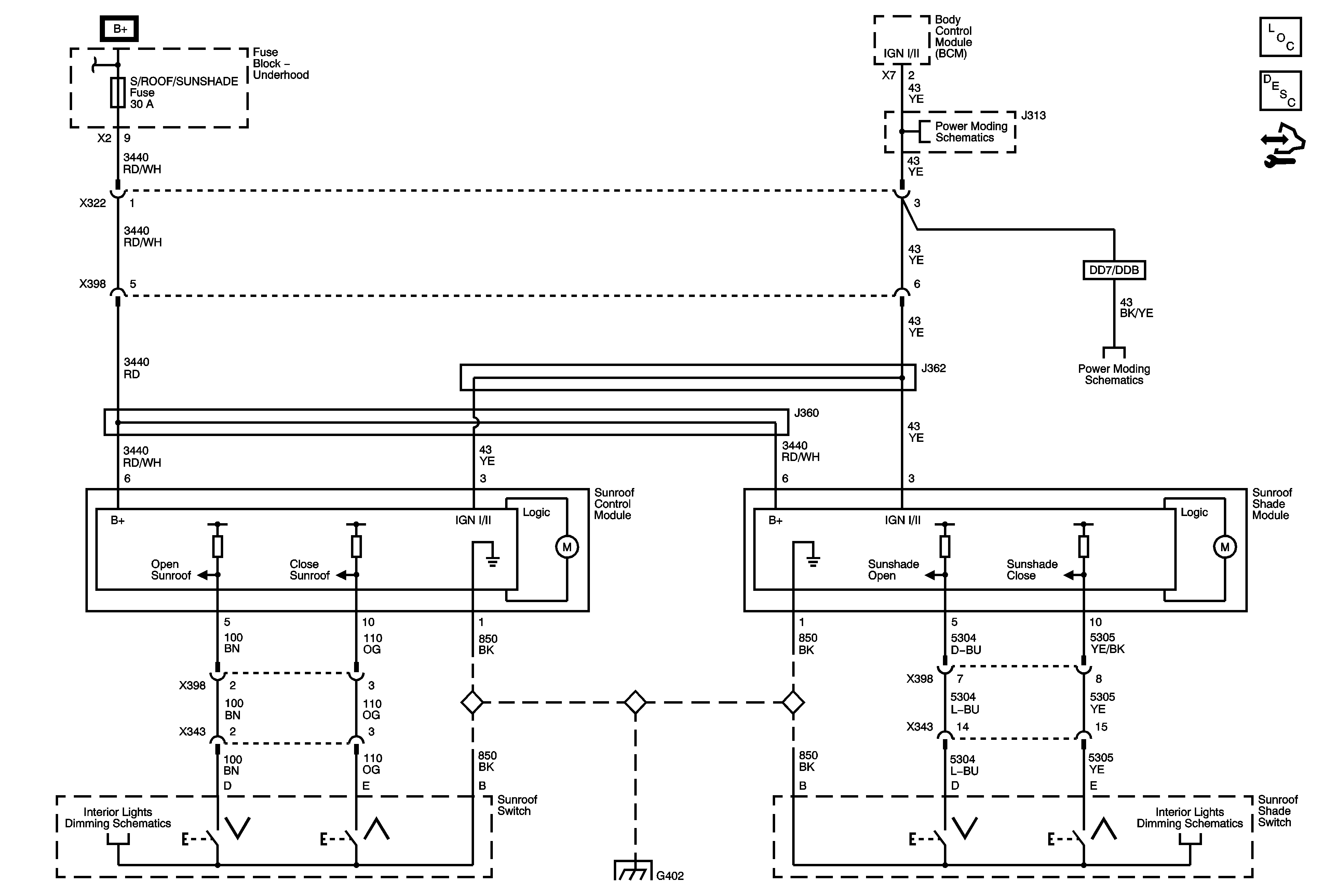
Sunroof Description and Operation
Control Module References
B+ Bus 1 of 2
IGN I/II
IGN I/II
Console, I/P, Passenger Door, and Roof Lamp
G402 1 of 2
Console, I/P, Passenger Door, and Roof Lamp