GM Service Manual Online
For 1990-2009 cars only
Figure 1:

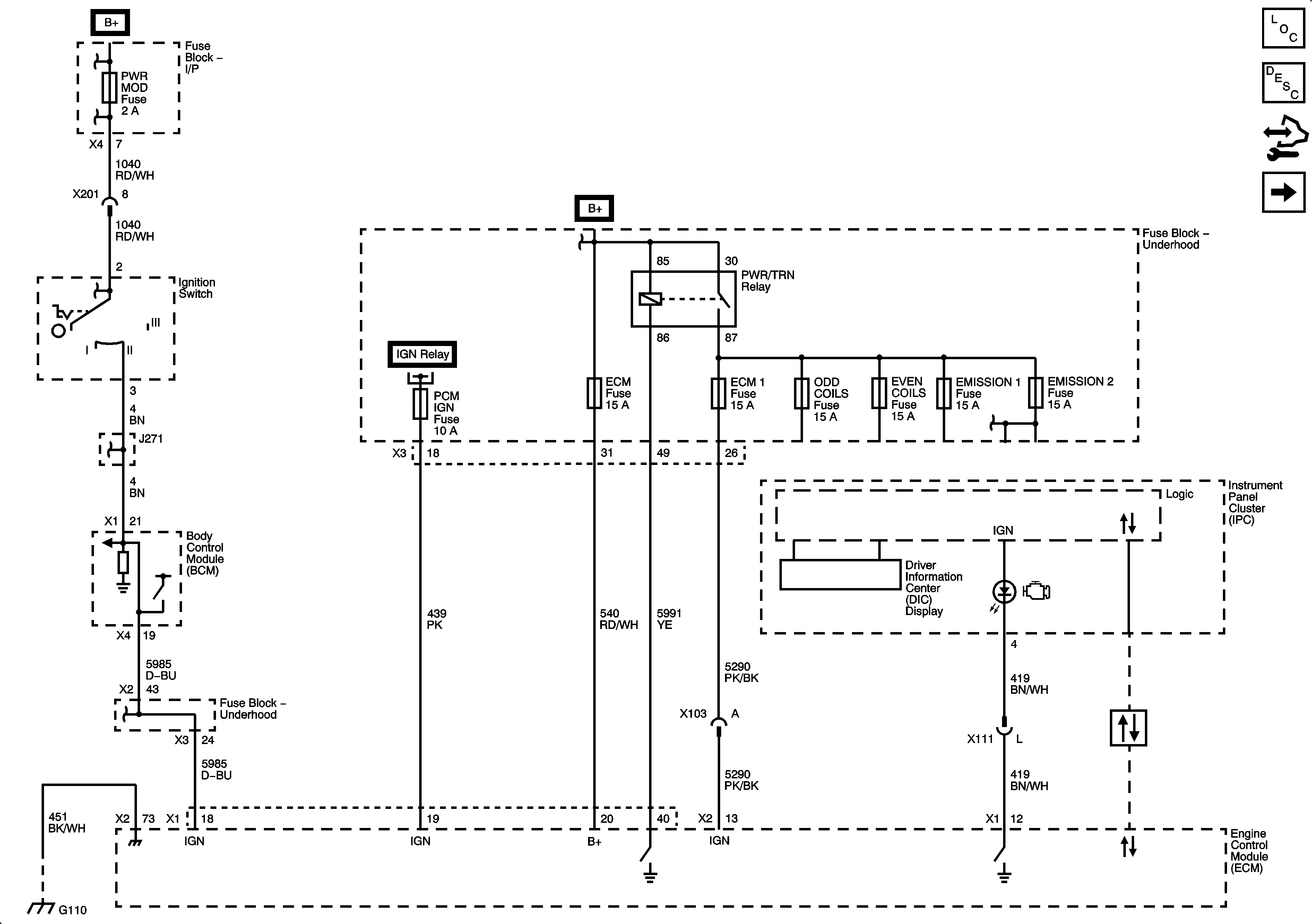
Module Power, Ground, Serial Data, and MIL


Object Number: 1882734  Size: FS
Master Electrical Component List
Engine Control Module Description
Control Module References
5V1 and Low Reference Bus
Figure 2:

5V1 and Low Reference Bus


Object Number: 1882735  Size: FS
Master Electrical Component List
Engine Control Module Description
Control Module References
5V2 and Low Reference Bus
Module Power, Ground, Serial Data, and MIL
Figure 3:

5V2 and Low Reference Bus


Object Number: 1882742  Size: FS
Master Electrical Component List
Engine Control Module Description
Control Module References
Engine Data Sensors - Pressure, Temperature, and Extended Brake Travel
5V1 and Low Reference Bus
Figure 4:

Engine Data Sensors - Pressure, Temperature, and Extended Brake Travel


Object Number: 1882746  Size: FS
Master Electrical Component List
Engine Control Module Description
Control Module References
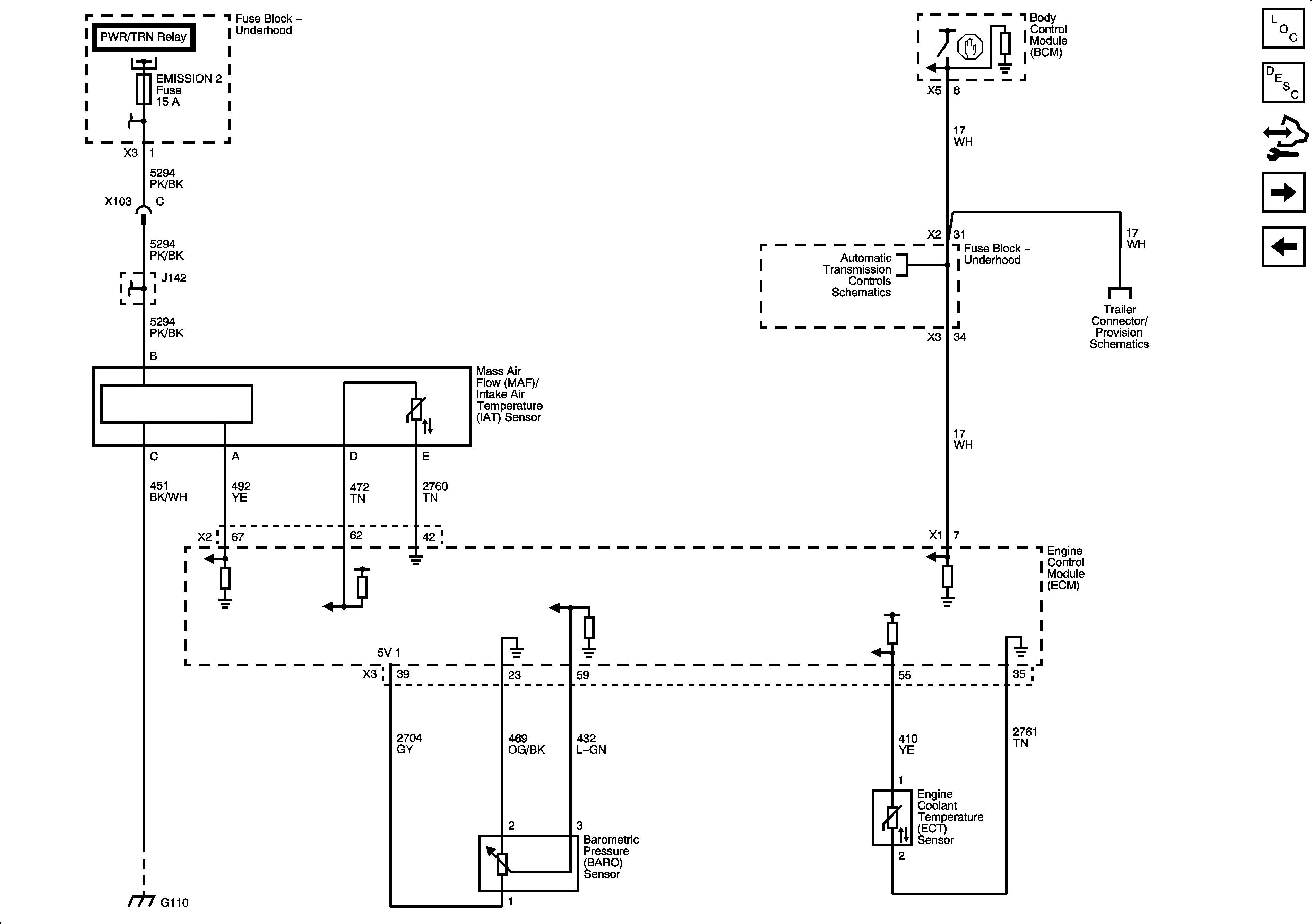
Engine Data Sensors - Oxygen Sensors
5V2 and Low Reference Bus
Figure 5:

Engine Data Sensors - Oxygen Sensors


Object Number: 1882765  Size: FS
Master Electrical Component List
Engine Control Module Description
Control Module References
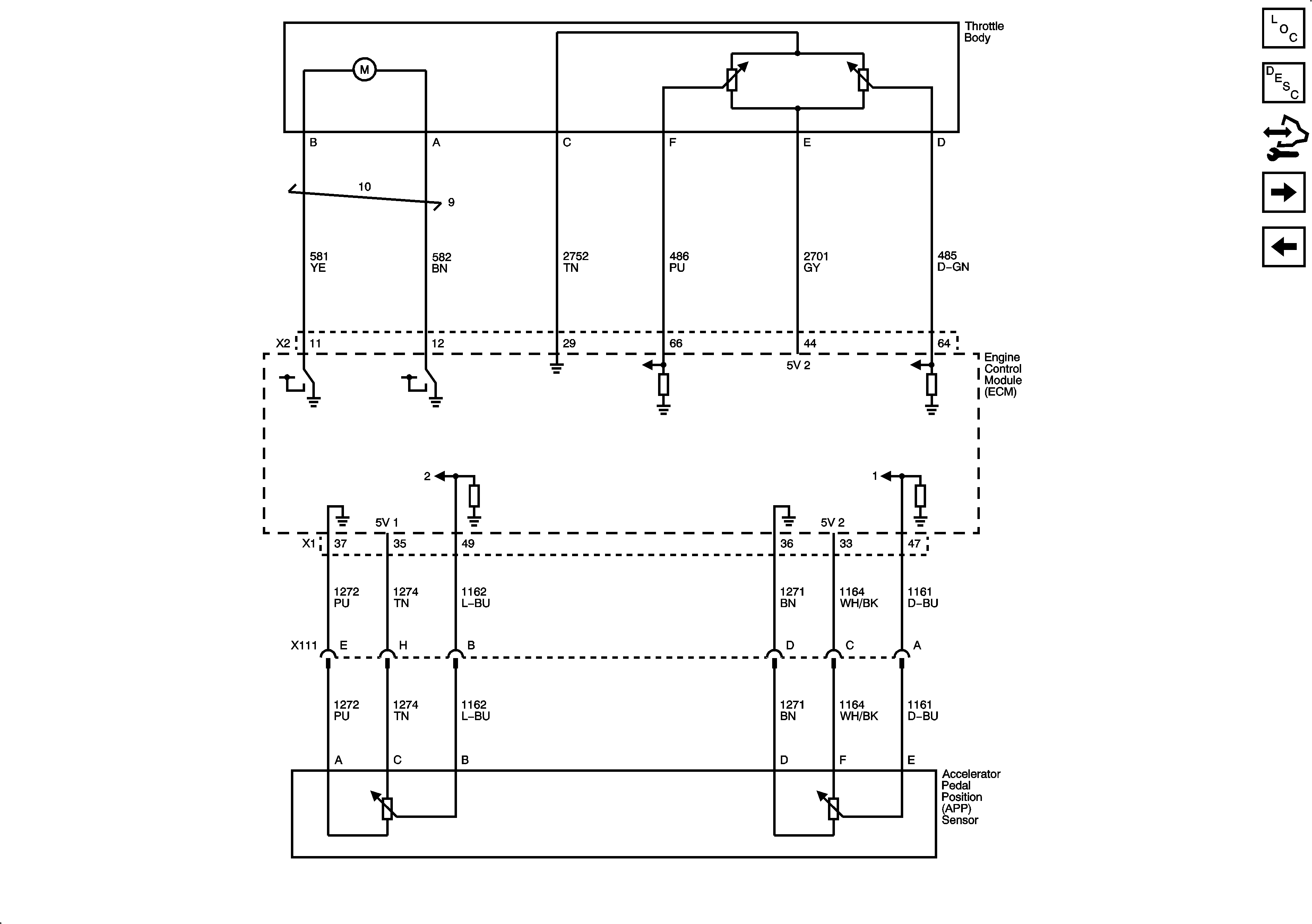
Engine Data Sensors - Throttle Actuator Controls
Engine Data Sensors - Pressure, Temperature, and Extended Brake Travel
Figure 6:

Engine Data Sensors - Throttle Actuator Controls


Object Number: 1882768  Size: FS
Master Electrical Component List
Throttle Actuator Control (TAC) System Description
Control Module References
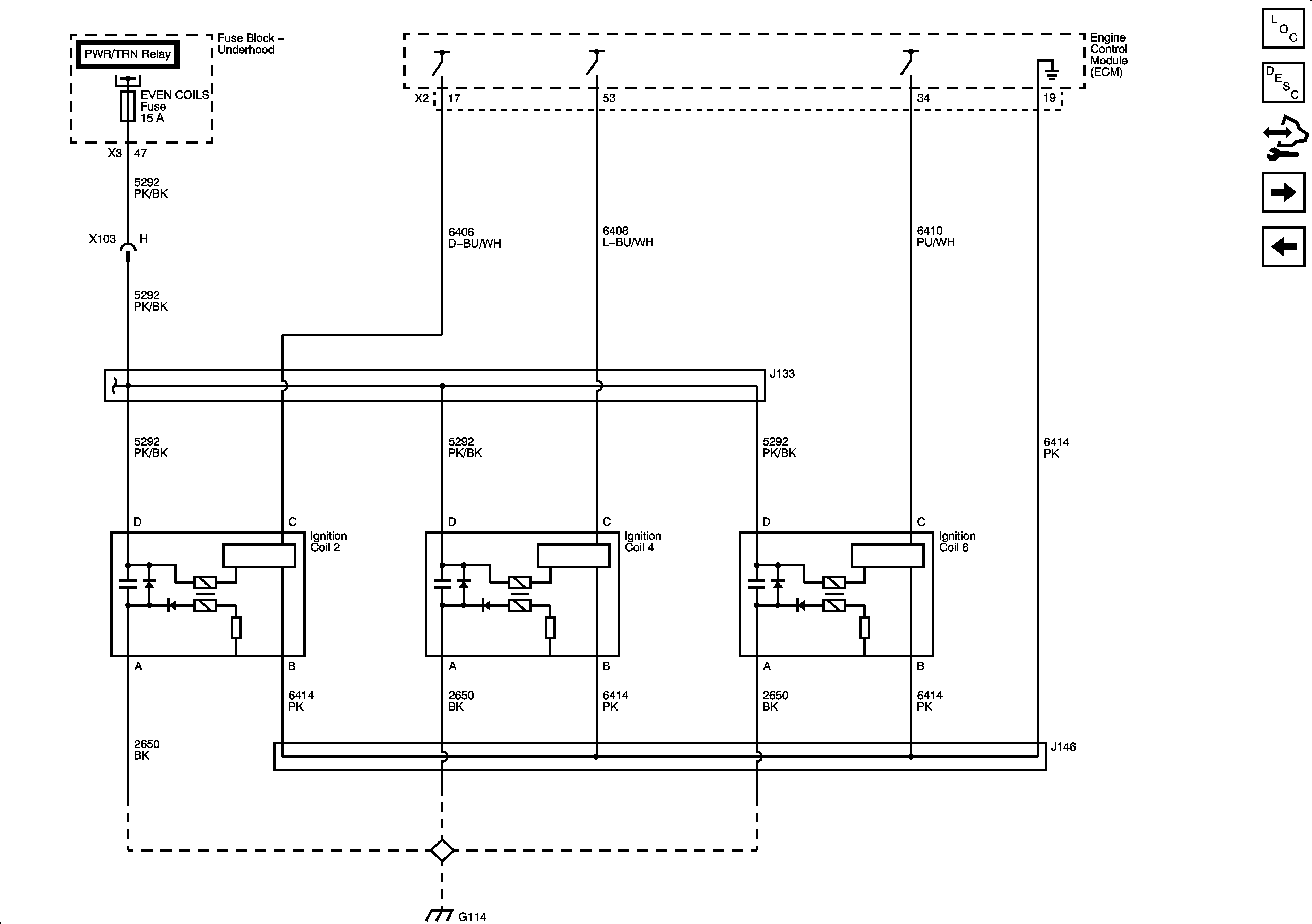
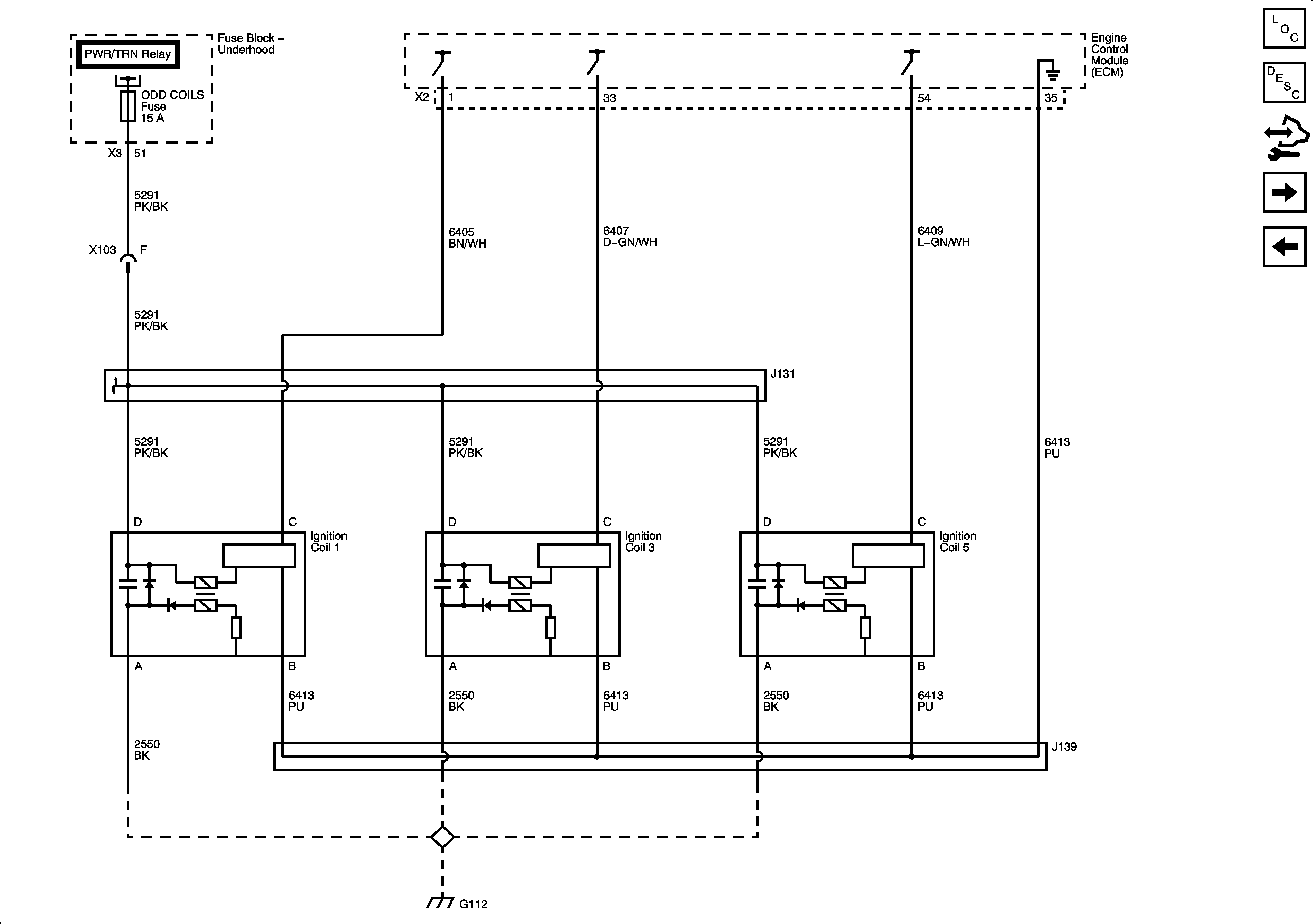
Ignition Controls - Bank 1 Ignition System
Engine Data Sensors - Oxygen Sensors
Figure 7:

Ignition Controls - Bank 1 Ignition System


Object Number: 1882781  Size: FS
Master Electrical Component List
Electronic Ignition (EI) System Description
Control Module References
Ignition Controls - Bank 2 Ignition System
Engine Data Sensors - Throttle Actuator Controls
Figure 8:

Ignition Controls - Bank 2 Ignition System


Object Number: 1882784  Size: FS
Master Electrical Component List
Electronic Ignition (EI) System Description
Control Module References
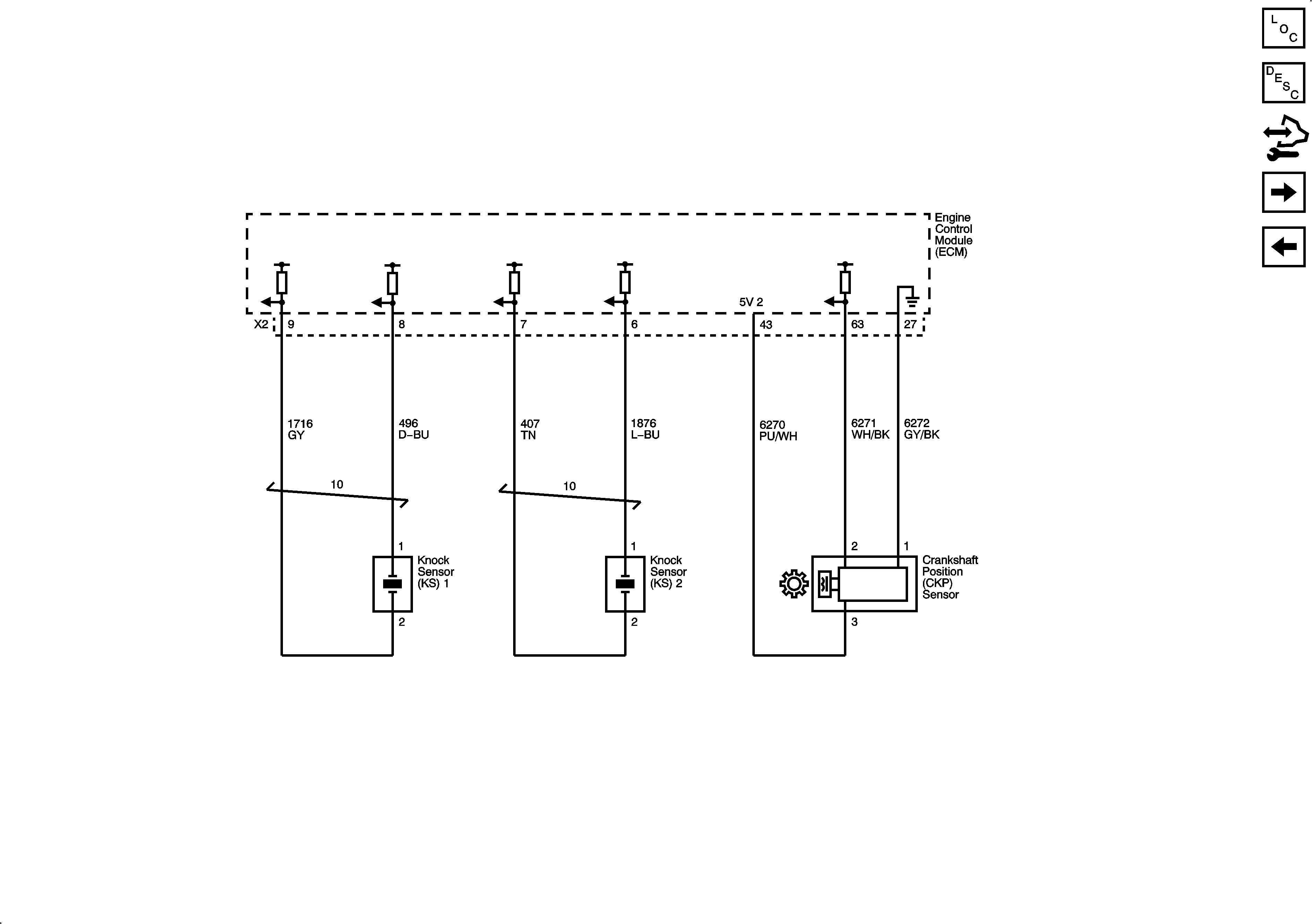
Ignition Controls - CKP and KS Sensors
Ignition Controls - Bank 1 Ignition System
Figure 9:

Ignition Controls - CKP and KS Sensors


Object Number: 1882785  Size: FS
Master Electrical Component List
Electronic Ignition (EI) System Description
Control Module References
Ignition Controls - CMP Sensors and Actuator Solenoids
Ignition Controls - Bank 2 Ignition System
Figure 10:

Ignition Controls - CMP Sensors and Actuator Solenoids


Object Number: 1882789  Size: FS
Master Electrical Component List
Camshaft Actuator System Description
Control Module References
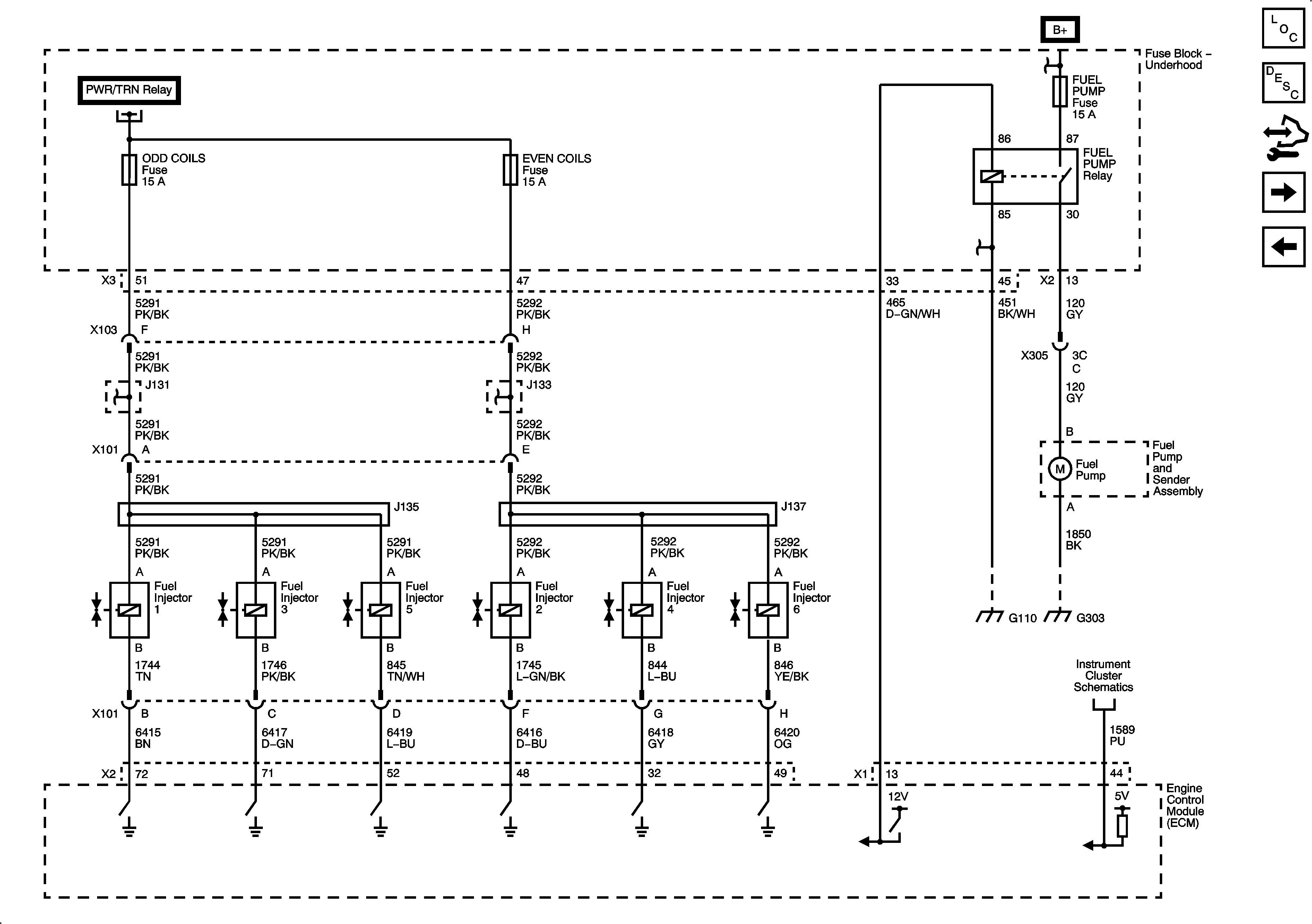
Fuel Controls - Fuel Pump and Fuel Injectors
Ignition Controls - CKP and KS Sensors
Figure 11:

Fuel Controls - Fuel Pump and Fuel Injectors


Object Number: 1882840  Size: FS
Master Electrical Component List
Fuel System Description
Control Module References
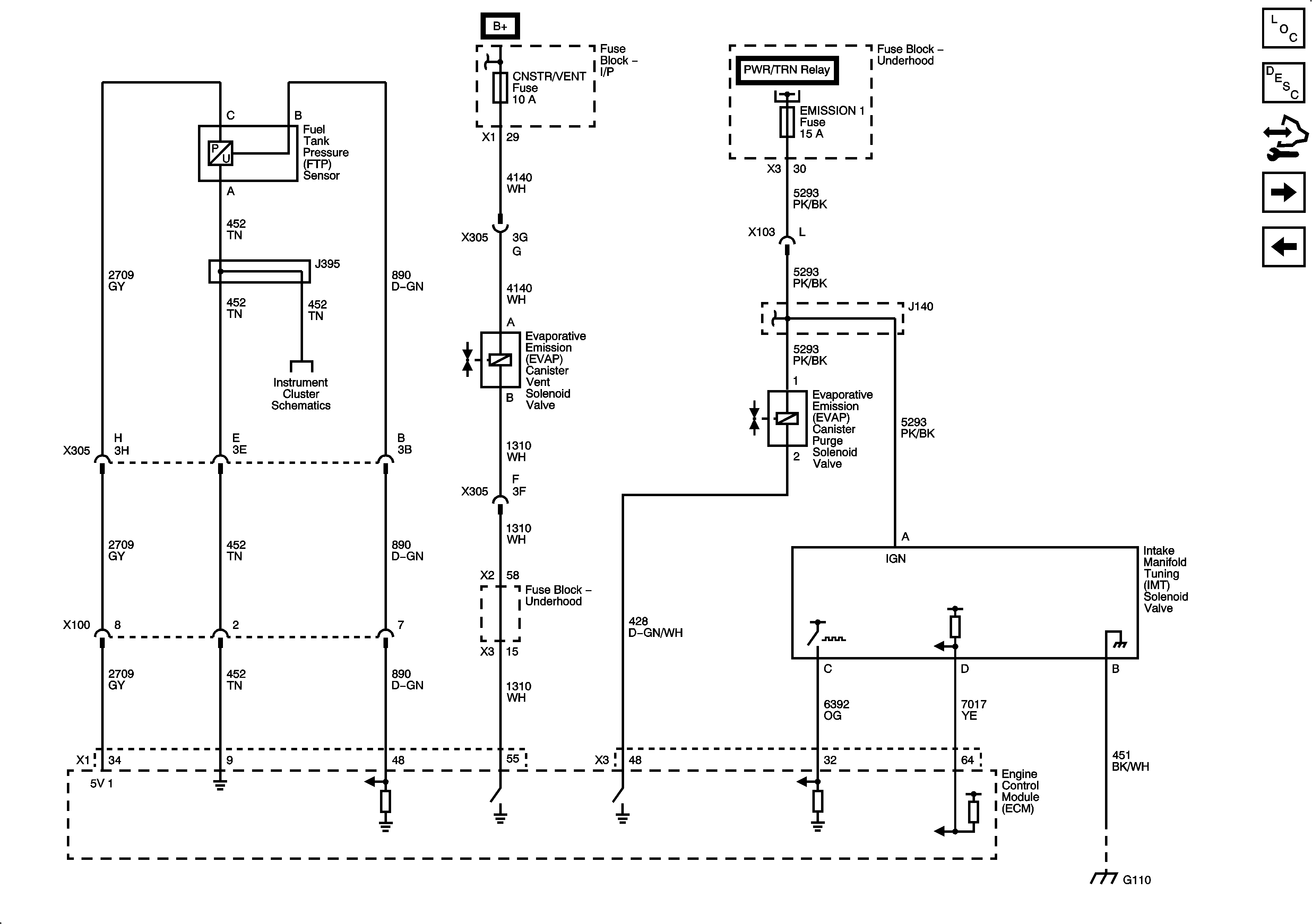
Fuel Controls - EVAP Controls and Manifold Tuning
Ignition Controls - CMP Sensors and Actuator Solenoids
Figure 12:

Fuel Controls - EVAP Controls and Manifold Tuning


Object Number: 1882850  Size: FS
Master Electrical Component List
Intake Manifold Tuning Valve System Description
Control Module References
Subsystem References
Fuel Controls - Fuel Pump and Fuel Injectors
Figure 13:

Subsystem References


Object Number: 1882856  Size: FS
Master Electrical Component List
Engine Control Module Description
Control Module References
Fuel Controls - EVAP Controls and Manifold Tuning