GM Service Manual Online
For 1990-2009 cars only

Removal Procedure


    Object Number: 1860635  Size: SH
  1. Remove the air cleaner element. Refer to Air Cleaner Element Replacement .
  2. Remove the air cleaner lower housing screws (1).

  3. Object Number: 1926994  Size: SH
  4. Remove the hood release cable clip (1) from the air cleaner lower housing.

  5. Object Number: 1860283  Size: SH
  6. Disconnect the fuel feed pipe (2) quick connect fitting from the fuel rail. Refer to Metal Collar Quick Connect Fitting Service .
  7. Disconnect the evaporative emission (EVAP) pipe (3) quick connect fitting from the EVAP purge solenoid. Refer to Plastic Collar Quick Connect Fitting Service .

  8. Object Number: 1857963  Size: SH

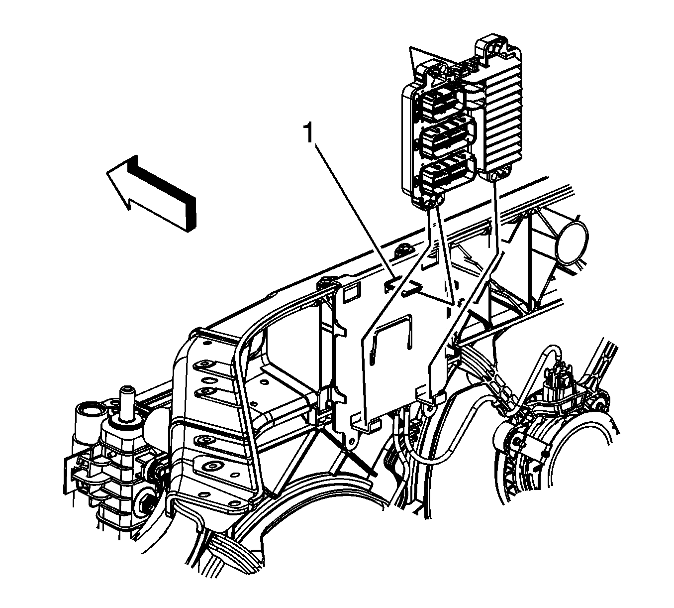
    Important: The engine control module (ECM) electrical connector do not need to be disconnected in order to reposition the ECM.

  9. Gently lift up the retaining tab (1) and remove the ECM from the bracket, reposition out of the way.

  10. Object Number: 1860637  Size: SH
  11. Remove the air cleaner lower housing.

Installation Procedure


    Object Number: 1860637  Size: SH
  1. Position the air cleaner lower housing to the side rail.

  2. Object Number: 1857963  Size: SH
  3. Position and install the ECM to the bracket.

  4. Object Number: 1860283  Size: SH
  5. Connect the evaporative emission (EVAP) pipe (3) quick connect fitting to the EVAP purge solenoid. Refer to Plastic Collar Quick Connect Fitting Service .
  6. Connect the fuel feed pipe (2) quick connect fitting to the fuel rail. Refer to Metal Collar Quick Connect Fitting Service .

  7. Object Number: 1926994  Size: SH
  8. Install the hood release cable clip (1) to the air cleaner lower housing.
  9. Notice: Refer to Fastener Notice in the Preface section.


    Object Number: 1860635  Size: SH
  10. Install the air cleaner lower housing screws (1).
  11. Tighten
    Tighten the screws to 9 N·m (80 lb in).

  12. Install the air cleaner element. Refer to Air Cleaner Element Replacement .